Отгружено ЖБИ: всего -
000 000
тонн; за 2025 год -
00 000
тонн
Посмотреть
Заключено договоров: всего -
0 000
шт.; за 2025 год -
000
шт.
Единый номер:
8 (800) 500-22-52
Выберите город
Благовещенск
Владивосток
Екатеринбург
Иркутск
Казань
Кемерово
Краснодар
Красноярск
Москва
Нижний Новгород
Новосибирск
Омск
Пермь
Ростов-на-Дону
Самара
Санкт-Петербург
Симферополь
Сургут
Тюмень
Хабаровск
Челябинск
Ваш город «
»?
Да
Нет
Выберите город
Заказ онлайн
Корзина:
0 шт.
Корзина
0
шт.
Расчитать
О нас
О компании
Документация
Судебная практика
Преимущества
Вопросы/ответы
Портфолио
Работа в цифрах
Прямой эфир с производства
Каталог
Каталог по группам
Условия доставки
Контакты
Найти
Каталог по группам
Главная
Каталог по группам
Балки , Ригели, Фермы, Траверс...
Балки железобетонные различног...
Балки двускатные решетчатые Се...
Балки (инд.)
Балки Альбом ПС 103
Балки Альбом ПС 192
Балки Альбом РК 1101-87
Балки Альбом СК
Балки Б Серия ИС 01-04
Балки ГОСТ 20372-86
Балки СТ 02-01
Балки Серия 1.125 КЛ-3
Балки Серия 1.126 КР-1
Балки Серия 1.126.1 КЛ-1
Балки Серия 1.149 КР-1
Балки Серия 1.232.1-10
Балки Серия 1.232.1-8
Балки Серия 1.266.1-2
Балки Серия 1.426.1-8
Балки Серия 1.462-10
Балки Серия 1.462.1-10/80 ( 1.462-10, 1.862-1 )
Балки Серия 1.849.1-2
Балки Серия 1.849.1-5.93
Балки Серия 1.862-1
Балки Серия 1.862-2
Балки Серия 1.862.1-2/88
Балки Серия 1.862.1-2/88 ( 1.862.1-8.94 )
Балки Серия 1.862.1-7
Балки Серия 3.006-1
Балки Серия 3.015-16.94 ( 3.015-2/82, 3.015-2/77 )
Балки Серия 3.015-2
Балки Серия 3.015-2/77
Балки Серия 3.016.1-17.93
Балки Серия 3.016.1-9
Балки Серия 3.407.1-157 ( серия 3.407-102, 3.407-40/70 )
Балки Серия 3.505-14
Балки Серия 3.702.1-4
Балки Серия 3.903 КЛ-13
Балки Серия 86 и 85
Балки Серия ИИ 27-1
Балки Серия ИИ 29-3
Балки Серия ИИ 29-3/70
Балки Серия ИС 01-05 ( НК 029-23:39 )
Балки Серия ИС 01-09
Балки Серия КБК
Балки Серия КУБ 2,5
Балки Серия ПК 01-05
Балки Серия ПК 01-06
Балки Серия У 01-01
Балки Серия У 01-01/80
Балки ТП 901-6-43
Балки ТП 901-6-61
Балки ТУ 67-1003-88
Балки Шифр 789-04
Балки Шифр А22-94
Балки анкерные Серия 3.407.9-158
Балки двускатные Серия ИИ 03-02
Балки двускатные решетчатые Серия 1.462.1-3/80
Балки двускатные решетчатые Серия 1.462.1-3/89 (1.462.1-3/80 и 1.462-3)
Балки двутавровые Серия 1.462.1-16
Балки двухскатные решетчатые ГОСТ 20372-90
Балки двухскатные решетчатые Серия 1.462-3
Балки днища Серия 3.012-3
Балки днища Серия 3.702-1/79
Балки днища Серия 3.702.1-4
Балки железобетонные ГОСТ 20372-86
Балки железобетонные ГОСТ 20372-90
Балки железобетонные Серия 1.462.1-1/81
Балки железобетонные Серия 1.462.1-1/88 и 1.462-1
Балки кольцевые Серия ИС 01-09
Балки крылец Серия 1.100.1-7
Балки лестничные (1.22-03, инд)
Балки лестничные Серия 1.020.1-2с/89
Балки монолитного пояса (Гипромезовские рабочие чертежи)
Балки навеса Серия 3.019.1-1
Балки обвязочные (31-07 КЖ.И-3)
Балки обвязочные ГОСТ 24893-2016
Балки обвязочные Серия 1.020.1-3пв
Балки обвязочные Серия 1.220.1-2
Балки обвязочные Серия КЭ 01-14
Балки обвязочные Серия КЭ 01-58
Балки односкатные Серия ПК 01-116
Балки окаймляющие Серия 1.020.1-2с/89
Балки опорные Серия 3.505-14
Балки перекрытий каналов Серия 3.818.9-2
Балки перекрытия Серия ТС 01-01
Балки перекрытия каналов Б серия 3.006.1-8
Балки под цокольные экраны Серия 1.220.1-3м
Балки подкладочные Серия 1.100.1-7
Балки подкосоурные Серия 27.96.1 АЛ-1 (1)
Балки подкосоурные Серия ИИ 01-02
Балки подкосоурные Серия ИИ 03-02
Балки подкрановые (инд.)
Балки подкрановые Серия 1.426.1-4
Балки подкрановые Серия 3.504.9-19
Балки подкрановые Серия 3.505-9
Балки подкрановые Серия КЭ 01-03
Балки подкрановые Серия КЭ 01-04
Балки подкрановые Серия КЭ 01-13
Балки подкрановые Серия КЭ 01-50
Балки подкрановые ТПР 709-09-29.84
Балки подстропильные Серия 1.462.1-18
Балки подстропильные Серия ПП 01-03/64
Балки подстропильные Серия ПП 01-03/68
Балки подтротуарные Серия 3.503-14
Балки покрытия Серия 3.012-3
Балки пролетного строения ИНВ 42055м
Балки прямоугольного сечения ГОСТ 24893.1-81
Балки растверков Серия 1.111.1-5
Балки рельсового пути Проект 1977.10.100
Балки решетчатые Шифр VI.896.1
Балки решетчатые Шифр VI.896.2
Балки с консольным выступом ГОСТ 24893.1-81
Балки стропильные Серия 1.462.1-10/89
Балки стропильные двухскатные Серия 1.462.1-16/88
Балки стропильные двухскатные Серия 1.462.1-23
Балки стропильные двухскатные Серия 1.462.1-24
Балки стропильные с параллельными поясами Серия 1.462.1-10/93
Балки таврового сечения Серия ПК 01-115
Балки таврового сечения с нижней полкой Серия ИИ 01-02
Балки тавровые Серия ИИ 03-02 Альбом 16
Балки тавровые Серия ИИ 10Ж-1
Балки тоннелей Серия 3.006.1-3/83
Балки фризовые Альбом 3РС 41-24
Балки цокольные Серия 1.020-1
Балки цокольные Серия 1.030.1-1
Балки цокольные Серия 1.030.1-1/88
Балки цокольные Серия 1.220.1-2
Балки цокольные Шифр м25.13/98
Блоки тоннелей (инд.)
Брус железобетонный ТПР 503-0-17
Брус ограждения ТП 320-55
Бруски кабельных каналов Серия 4.407-267
Доски железобетонные Альбом 750
Доски железобетонные Серия 3.501.1-159
Опорные подушки Серия 1.862-1
Опорные подушки для скользящих опор Серия ТС 01-01
Опорные подушки для теплопроводов Альбом ПС 192
Плиты опорные Рабочие чертежи 41882и
Плиты опорные Серия 1.869.1-1
Плиты опорные Серия ИИ 03-02
Распорки Серия 3.402-24
Распорки Серия ПК 01-27
Распорки ТП 503-49
Секции балок Серия 3.503.1-89
Складки Серия 1.266.1-3
Шпунты (инд.)
Шпунты Альбом РК 7101-01
Элементы железобетонных решетчатых конструкций РК Серия 3.503.9-78
Элементы свода Серия 1.266.1-2
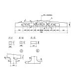
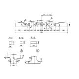
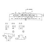
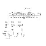
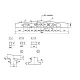
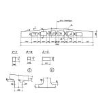
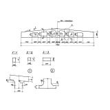
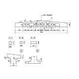
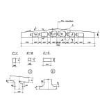
Балки двускатные решетчатые Серия 1.462.1-3/80 - Страница 5
11960х200x1390
2БДР 12-5 АIVт н (1.462.1-3/80)
160 000
₽/шт.
В корзину
11960х200x1390
2БДР 12-5 АIVт п (1.462.1-3/80)
160 000
₽/шт.
В корзину
11960х200x1390
2БДР 12-5 АVп (1.462.1-3/80)
160 000
₽/шт.
В корзину
11960х200x1390
2БДР 12-5 АVт (1.462.1-3/80)
160 000
₽/шт.
В корзину
11960х200x1390
2БДР 12-5 АтпVт н (1.462.1-3/80)
160 000
₽/шт.
В корзину
11960х200x1390
2БДР 12-5 АтпVт п (1.462.1-3/80)
160 000
₽/шт.
В корзину
11960х200x1390
2БДР 12-5 к7 т (1.462.1-3/80)
160 000
₽/шт.
В корзину
11960х200x1390
2БДР 12-6 АIVп (1.462.1-3/80)
160 000
₽/шт.
В корзину
11960х200x1390
2БДР 12-6 АIVт (1.462.1-3/80)
160 000
₽/шт.
В корзину
11960х200x1390
2БДР 12-6 АIVт н (1.462.1-3/80)
160 000
₽/шт.
В корзину
11960х200x1390
2БДР 12-6 АIVт п (1.462.1-3/80)
160 000
₽/шт.
В корзину
11960х200x1390
2БДР 12-6 АVп (1.462.1-3/80)
160 000
₽/шт.
В корзину
11960х200x1390
2БДР 12-6 АVт (1.462.1-3/80)
160 000
₽/шт.
В корзину
11960х200x1390
2БДР 12-6 АтпVт н (1.462.1-3/80)
160 000
₽/шт.
В корзину
11960х200x1390
2БДР 12-6 АтпVт п (1.462.1-3/80)
160 000
₽/шт.
В корзину
11960х200x1390
2БДР 12-6 к7 т (1.462.1-3/80)
160 000
₽/шт.
В корзину
11960х200x1390
2БДР 12-7 АIVт (1.462.1-3/80)
160 000
₽/шт.
В корзину
11960х200x1390
2БДР 12-7 АIVт н (1.462.1-3/80)
160 000
₽/шт.
В корзину
11960х200x1390
2БДР 12-7 АIVт п (1.462.1-3/80)
160 000
₽/шт.
В корзину
11960х200x1390
2БДР 12-7 АVт (1.462.1-3/80)
160 000
₽/шт.
В корзину
11960х200x1390
2БДР 12-7 АтпVт н (1.462.1-3/80)
160 000
₽/шт.
В корзину
11960х200x1390
2БДР 12-7 АтпVт п (1.462.1-3/80)
160 000
₽/шт.
В корзину
11960х200x1390
2БДР 12-7 к7 т (1.462.1-3/80)
160 000
₽/шт.
В корзину
11960х200x1390
2БДР 12-8 АIVт (1.462.1-3/80)
160 000
₽/шт.
В корзину
Показать еще
|<
<
1
2
3
4
5
6
7
8
9
>
>|
120 из 202 (страниц 9)
Заказать звонок