Отгружено ЖБИ: всего -
000 000
тонн; за 2025 год -
00 000
тонн
Посмотреть
Заключено договоров: всего -
0 000
шт.; за 2025 год -
000
шт.
Единый номер:
8 (800) 500-22-52
Выберите город
Благовещенск
Владивосток
Екатеринбург
Иркутск
Казань
Кемерово
Краснодар
Красноярск
Москва
Нижний Новгород
Новосибирск
Омск
Пермь
Ростов-на-Дону
Самара
Санкт-Петербург
Симферополь
Сургут
Тюмень
Хабаровск
Челябинск
Ваш город «
»?
Да
Нет
Выберите город
Заказ онлайн
Корзина:
0 шт.
Корзина
0
шт.
Расчитать
О нас
О компании
Документация
Судебная практика
Преимущества
Вопросы/ответы
Портфолио
Работа в цифрах
Прямой эфир с производства
Каталог
Каталог по группам
Условия доставки
Контакты
Найти
Каталог по группам
Главная
Каталог по группам
Панели стеновые, Шахты лифтов,...
Панели стеновые железобетонные
Панели стеновые Серия 1.432-14...
Гипсобетонные и шлакобетонные перегородки Серия ИИ 03-04
Гипсобетонные перегородки Серия ИИ 03-05
Двухмодульные панели перекрытия Серия КУБ 2,5
Доборные изделия Серия 1.169.1-1
Изделия для стеновых панелей верхние и нижние Серия 1.131-17
Карнизные панели Серия 3.407.1-157 ( серия 3.407-102, 3.407-40/70 )
Кассеты керамзитобетонные ТП 901-1-60.86
Наружные стеновые панели Серия КУБ 2,5
Одномодульные панели перекрытия Серия КУБ 2,5
Опорные подушки Серия 1.069.1-1
Панели Альбом СК
Панели Серия 1.117.1-15пв
Панели Серия 1.169.1-1
Панели Серия 1.433-2
Панели Серия 3.019.1-2
Панели Серия 3.903 КЛ-13
Панели Серия ИИС 61
Панели Серия СТ 02-10/61
Панели Серия СТ 02-11/61
Панели ТП 310-4-1
Панели ТП 901-6-43
Панели ТП 901-6-61
Панели балочные Серия 3.900-2
Панели вентиляционных шахт Серия 1-335 ТулМ
Панели внутренние стеновые Альбом РМ 2283
Панели внутренних поперечных стен Серия 1.131-2/82
Панели внутренних продольных стен Серия 1.131-1
Панели внутренних продольных стен Серия 1.131-1/82
Панели внутренних стен Альбом 2РС 3153-01
Панели внутренних стен Альбом 3РС 31-11
Панели внутренних стен Альбом РС 1-3120
Панели внутренних стен Серия 1.020.1-4
Панели внутренних стен Серия 1.090.1-1/88
Панели внутренних стен Серия 1.090.1-2с
Панели внутренних стен Серия 1.090.1-3пв
Панели внутренних стен Серия 1.090.1-7с
Панели внутренних стен Серия 1.100.1-7
Панели внутренних стен Серия 1.131-17
Панели внутренних стен Серия 1.220.1-2
Панели внутренних стен Серия 97
Панели внутренних стен нулевого цикла (цокольные) Серия 1.090.1-1/88
Панели внутренних стен нулевого цикла (цокольные) Серия 1.090.1-3пв
Панели внутренних стен нулевого цикла Серия 1.090.1-2с
Панели внутренних стен нулевого цикла Серия 1.090.1-6сп
Панели внутренних стен нулевого цикла Серия 1.090.1-7с
Панели внутренних стен техподполья Альбом 5РС 17-30
Панели внутренних стен цоколя Альбом 7РС 17 108
Панели внутренних стен цоколя Альбом РС 1-1725
Панели внутренних стен цоколя Альбом РС 1-1728
Панели внутренних цокольных стен Серия 1.220.1-2
Панели входа Альбом 3РС 19-08
Панели входов Альбом 5РС 41-59
Панели дымовентиляционные Серия 1.335 ОМ
Панели консольные Серия 3.900-3
Панели лестничного ограждения ГОСТ 24155-2016
Панели лестничного ограждения ГОСТ 24155-80
Панели лестничного ограждения ТПР 501-07-3.83
Панели наружные стеновые Серия 1.117.1-19
Панели наружные трехслойные Серия 1.132.1-21.98
Панели наружных стен Альбом 5РС 41-75
Панели наружных стен Серия 1.090.1-2с
Панели наружных стен Серия 1.090.1-7с
Панели наружных стен Серия 1.100.1-7
Панели наружных стен Серия 1.117.1-21
Панели наружных стен Серия 1.132-1
Панели наружных стен Серия 1.132-2
Панели наружных стен Серия 1.132-3/82
Панели наружных стен Серия 1.132.1-12с
Панели наружных стен Серия 1.132.1-14
Панели наружных стен Серия 1.132.1-15
Панели наружных стен Серия 1.132.1-16
Панели наружных стен Серия 1.220.1-2
Панели наружных стен Серия 1.232 КЛ-2
Панели наружных стен навесные Альбом РМ 2283
Панели наружных стен навесные Серия 1.020-1
Панели наружных стен нулевого цикла Серия 1.020-1
Панели наружных стен нулевого цикла Серия 1.090.1-2с
Панели наружных стен нулевого цикла Серия 1.090.1-7с
Панели наружных стен однослойные Серия 1.090.1-1/88
Панели наружных стен однослойные Серия 1.090.1-3пв
Панели наружных стен однослойные нулевого цикла Серия 1.090.1-6сп
Панели наружных стен подвала Альбом 5РС 17-29
Панели наружных стен самонесущие Серия 1.020-1
Панели наружных стен трехслойные Альбом 5РС 41-57
Панели наружных стен трехслойные Альбом 7РС 41 133
Панели наружных стен трехслойные Альбом РМ 2919-02
Панели наружных стен трехслойные Альбом РМ 2919-03
Панели наружных стен трехслойные Альбом РМ 2919-04
Панели наружных стен трехслойные Серия 97.87 ИЖ 1.1-1
Панели наружных стен трехслойные легкобетонные Серия 1.232.1-10
Панели наружных стен трехслойные фризовые Альбом 3РС 41-24
Панели наружных стен трехслойные цокольные Альбом РМ 2919-01
Панели наружных стен фризовые Альбом 5РС 41-61
Панели наружных стен фризовые трехслойные Альбом 3РС 41-28
Панели наружных стен цокольные трехслойные Альбом 3РС 17-15
Панели наружных стен цокольные трехслойные Альбом 3РС 17-16
Панели наружных цокольных стен Серия 1.100.1-7
Панели наружных цокольных стен Серия 1.117-13
Панели наружных цокольных стен Серия 1.117-9
Панели наружных цокольных стен Серия 1.117.1-14
Панели наружных цокольных стен Серия 1.220.1-2
Панели ограждающих стенок Шифр 1481
Панели ограждения платформ ГОСТ 24155-2016
Панели однослойные нулевого цикла Серия 1.232.1-8
Панели однослойные самонесущие Серия 1.232.1-8
Панели опорные Серия 1.100.1-7
Панели опорные Серия ИИС 04-7
Панели основания ТУ 102-416-86
Панели павильона сборные Серия 3.503.1-70
Панели парапета Серия 1.090.1-9м
Панели парапета Серия 1.138.1-17
Панели парапета трехслойные Серия 1.138.1-18
Панели парапетные Серия 1.100.1-7
Панели парапетные Серия ИИ 04-5
Панели перегородок Серия 1.432.1-33.93
Панели перегородок Серия 1.831.9-3
Панели перегородок железобетонные для зданий промышленных и сельскохозяйственных предприятий Серия 1.030.9-2
Панели перегородочные Серия 3.900-3
Панели перегородочные Серия 3.902.1-12
Панели перегородочные ТП 901-4-63.83
Панели перегородочные с опорной пяткой для аэротенков Серия 3.900-3
Панели перегородочные с опорной пяткой для аэротенков Серия 3.900.1-10
Панели перекрытий сплошные Серия 1.243.1 КЛ-3
Панели перекрытия Серия 86 и 85
Панели перильного ограждения ГОСТ 24155-80
Панели перильного ограждения ТПР 501-07-3.83
Панели подвала Серия ИИ 04-5
Панели покрытия ТУ 102-416-86
Панели силосные Серия 3.702-1/79
Панели силосные Серия 3.702.1-4
Панели стеновые ПСП Серия 3.900-3
Панели стеновые Серия 1-335 ТулМ
Панели стеновые Серия 1.131.1-23
Панели стеновые Серия 1.131.1-25
Панели стеновые Серия 1.174.1-1
Панели стеновые Серия 1.189.1-10
Панели стеновые Серия 1.400.1-22
Панели стеновые Серия 1.431-14
Панели стеновые Серия 1.431-2
Панели стеновые Серия 1.431-3
Панели стеновые Серия 1.432-10
Панели стеновые Серия 1.432-14
Панели стеновые Серия 1.432-14/80
Панели стеновые Серия 1.432-15
Панели стеновые Серия 1.432-4
Панели стеновые Серия 1.432-5
Панели стеновые Серия 1.432-9
Панели стеновые Серия 1.432-9/81
Панели стеновые Серия 1.432.1-18
Панели стеновые Серия 1.432.1-20
Панели стеновые Серия 1.432.1-22
Панели стеновые Серия 1.432.1-23с
Панели стеновые Серия 1.432.1-25
Панели стеновые Серия 1.432.1-33.93
Панели стеновые Серия 1.432.1-34.94
Панели стеновые Серия 1.490.1-1
Панели стеновые Серия 1.832-2
Панели стеновые Серия 1.832-5
Панели стеновые Серия 3.702-1/79
Панели стеновые Серия 3.900.1-10
Панели стеновые Серия 3.900.1-11
Панели стеновые Серия 3.901.1-14
Панели стеновые Серия 3.902.1-12
Панели стеновые Серия 7018м
Панели стеновые Серия 7075м
Панели стеновые Серия ВТИ КЖ 01-82
Панели стеновые Серия ВТИ-КЖ 01-83
Панели стеновые Серия ИС 01-19
Панели стеновые Серия СТ 02-18
Панели стеновые Серия СТ 02-31
Панели стеновые Серия СТ 02-33
Панели стеновые Серия У 01-01
Панели стеновые Серия У 01-01/80
Панели стеновые Серия У 01-02/89
Панели стеновые ТП 501-3-9
Панели стеновые ТП 901-4-79с84
Панели стеновые ТП 902-2-356
Панели стеновые ТП 905-7
Панели стеновые ТПР 320-069.86
Панели стеновые ТУ 102-416-86
Панели стеновые Шифр 111-83
Панели стеновые балочные для прямоугольных сооружений Серия 3.900-3
Панели стеновые балочные для прямоугольных сооружений Серия 3.900.1-10
Панели стеновые внутренние Серия 1.090.1-9м
Панели стеновые двухслойные Серия 1.832.1-18.93
Панели стеновые для цилиндрических сооружений Серия 3.900-3
Панели стеновые керамзитобетонные толщиной 24 и 32 см Серия ИИ 04-5
Панели стеновые керамзитобетонные толщиной 40 см Серия ИИ 04-5
Панели стеновые консольные для прямоугольных сооружений рядовые Серия 3.900-3
Панели стеновые консольные для прямоугольных сооружений угловые Серия 3.900-3
Панели стеновые легкобетонные Серия 1.832.1-10
Панели стеновые легкобетонные толщиной 20,25,30 и 35 см Серия ИИ 04-5
Панели стеновые лестничные Альбом РМ 2283
Панели стеновые наружные Альбом ИЖ 1.1-1
Панели стеновые наружные Серия 1.117.1-20
Панели стеновые нулевого цикла (цокольные) Серия 1.090.1-1/88
Панели стеновые нулевого цикла (цокольные) Серия 1.090.1-3пв
Панели стеновые однослойные Серия 1.432-3
Панели стеновые однослойные наружные Серия 1.090.1-9м
Панели стеновые парапетные Серия ИИС 29-5
Панели стеновые парапетные ТП 213-2-183
Панели стеновые плоские Серия 3.900.1-10
Панели стеновые промышленные Серия 458с
Панели стеновые толщиной 200 мм Серия 1.030.1-1
Панели стеновые толщиной 200 мм Серия 1.030.1-1/88
Панели стеновые толщиной 250 мм Серия 1.030.1-1
Панели стеновые толщиной 250 мм Серия 1.030.1-1/88
Панели стеновые толщиной 300 мм Серия 1.030.1-1
Панели стеновые толщиной 300 мм Серия 1.030.1-1/88
Панели стеновые толщиной 350 мм Серия 1.030.1-1
Панели стеновые толщиной 350 мм Серия 1.030.1-1/88
Панели стеновые толщиной 400 мм Серия 1.030.1-1
Панели стеновые толщиной 400 мм Серия 1.030.1-1/88
Панели стеновые трехслойные СТ 02-33
Панели стеновые трехслойные Серия 1.020-1
Панели стеновые трехслойные Серия 1.232.1-7
Панели стеновые трехслойные Серия 1.432-12
Панели стеновые трехслойные Серия 1.432.1-21
Панели стеновые трехслойные Серия 1.432.1-26
Панели стеновые трехслойные Шифр 1481
Панели стеновые трехслойные Шифр м25.13/89
Панели стеновые цокольные Серия 1.030.1-1
Панели стеновые цокольные Серия 1.030.1-1/88
Панели стеновые цокольные Серия 1.117-12 с
Панели стеновые цокольные Серия 1.432.1-21
Панели стеновые цокольные Серия 1.817.1-2
Панели стеновые цокольные Серия 1.832.1-10
Панели стеновые цокольные Шифр м25.13/98
Панели стеновые цокольные серия 1.020-1/87 ( 1.020.1-7, 1.020-1/83, ИИ 04-1, 1.020.1-3пв )
Панели стеновый Серия 1.131.1-27
Панели фундаментные Серия 1.335 ОМ
Панели цокольные (экраны) Серия 1.117.1-18
Панели цокольные Серия Б 3.017.1-4.03
Панели цокольные Серия БТ 01-01
Панели цокольные Серия ИИ 04-5
Панели электротехнические Серия 1.131-10
Панели электротехнические Серия 1.131.1-26
Панели эркера Альбом 3РС 43-15
Перегородки Серия 7018м
Перегородки Серия 86 и 85
Перегородки гипсобетонные Серия 1-335 ТулМ
Перегородки жесткости Серия 1.335 ОМ
Перегородки жесткости фундаментные Серия 1.335 ОМ
Подпорные стены Серия 3.002.1-2
Рамы Альбом РС 1-3122
Рамы внутренних стен Серия 1.220.1-2
Стенки ТП 310-4-1
Стенки входа внутренние Альбом 3РС 19-103
Стенки входа лестничные Альбом 3РС 19-103
Стенки лестничных клеток Серия 1.100.1-7
Стенки машинного помещения Серия 1.100.1-7
Стенки мусоросборных камер Серия 1.100.1-7
Стенки разделительные Серия 1.100.1-7
Стенки-растекатели ТПР 902-09-22.84
Стеновые двухслойные панели Серия 1.832.1-9
Стеновые панели лестничных клеток Серия 1.335 ОМ
Стены внутренние Серия 1.335 ОМ
Цокольные панели (инд.)
Цокольные панели ПЦ серия 3.017-3 ( 3.017-1 )
Цокольные панели Ц Серия 3.017-1
Экраны цокольные Серия 1.220.1-3м
Электропанели (инд.)
Электропанели Серия 1.100.1-7
Электропанели Серия 1.335 ОМ
Элементы стен Серия ИС 01-09
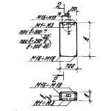
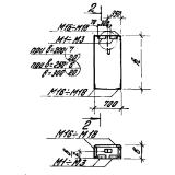
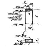
Панели стеновые Серия 1.432-14/80 - Страница 15
6530х250x1780
ПС 655-18-25-21
98 000
₽/шт.
В корзину
6530х250x1780
ПС 655-18-25-22
98 000
₽/шт.
В корзину
6530х250x880
ПС 655-9-25-11
48 400
₽/шт.
В корзину
6530х250x880
ПС 655-9-25-12
48 400
₽/шт.
В корзину
6530х250x880
ПС 655-9-25-21
48 400
₽/шт.
В корзину
6530х250x880
ПС 655-9-25-22
48 400
₽/шт.
В корзину
6580х300x1180
ПС 660-12-30-11
80 800
₽/шт.
В корзину
6580х300x1180
ПС 660-12-30-12
80 800
₽/шт.
В корзину
6580х300x1180
ПС 660-12-30-21
80 800
₽/шт.
В корзину
6580х300x1180
ПС 660-12-30-22
80 800
₽/шт.
В корзину
6580х300x1780
ПС 660-18-30-11
121 600
₽/шт.
В корзину
6580х300x1780
ПС 660-18-30-12
121 600
₽/шт.
В корзину
6580х300x1780
ПС 660-18-30-21
121 600
₽/шт.
В корзину
6580х300x1780
ПС 660-18-30-22
121 600
₽/шт.
В корзину
6580х300x880
ПС 660-9-30-11
60 400
₽/шт.
В корзину
6580х300x880
ПС 660-9-30-12
60 400
₽/шт.
В корзину
6580х300x880
ПС 660-9-30-21
60 400
₽/шт.
В корзину
6580х300x880
ПС 660-9-30-22
60 400
₽/шт.
В корзину
700х200x1180
ПС 70-12-20
5 600
₽/шт.
В корзину
700х250x1180
ПС 70-12-25
7 200
₽/шт.
В корзину
700х300x1180
ПС 70-12-30
8 800
₽/шт.
В корзину
770х200x1780
ПС 70-18-20
8 000
₽/шт.
В корзину
770х250x1780
ПС 70-18-25
10 400
₽/шт.
В корзину
770х300x1780
ПС 70-18-30
12 800
₽/шт.
В корзину
|<
<
....
5
6
7
8
9
10
11
12
13
14
15
360 из 360 (страниц 15)
Заказать звонок