Отгружено ЖБИ: всего -
000 000
тонн; за 2025 год -
00 000
тонн
Посмотреть
Заключено договоров: всего -
0 000
шт.; за 2025 год -
000
шт.
Единый номер:
8 (800) 500-22-52
Выберите город
Благовещенск
Владивосток
Екатеринбург
Иркутск
Казань
Кемерово
Краснодар
Красноярск
Москва
Нижний Новгород
Новосибирск
Омск
Пермь
Ростов-на-Дону
Самара
Санкт-Петербург
Симферополь
Сургут
Тюмень
Хабаровск
Челябинск
Ваш город «
»?
Да
Нет
Выберите город
Заказ онлайн
Корзина:
0 шт.
Корзина
0
шт.
Расчитать
О нас
О компании
Документация
Судебная практика
Преимущества
Вопросы/ответы
Портфолио
Работа в цифрах
Прямой эфир с производства
Каталог
Каталог по группам
Условия доставки
Контакты
Найти
Каталог по группам
Главная
Каталог по группам
Плиты, Блоки, Столбы, Стойки р...
Блоки железобетонные
Блоки наружных стен Серия 1.13...
Блоки Серия 03.005-6
Блоки Серия 1.116.1-6
Блоки Серия 1.116.1-7
Блоки Серия 1.133-1
Блоки Серия 1.133.1-5
Блоки Серия 1.134.1-16
Блоки Серия 1.432-4
Блоки Серия 1.432-9
Блоки Серия 1.433-2
Блоки Серия 1262-205 КЖИ I
Блоки Серия 3.014.1-2
Блоки Серия 3.402-24
Блоки Серия 3.501.1-153
Блоки Серия СТ 02-31
Блоки ТП 310-4-1
Блоки ТП 501-0-47
Блоки ТП 501-81
Блоки бассейнов и лестниц Шифр 734
Блоки берегоукрепления водоемов Альбом ПС 192
Блоки бортовые Серия 3.019.1-1
Блоки бортовые Серия 3.019.1-3
Блоки внутренние рядовые Серия СТ 02-01
Блоки внутренних стен Серия 1.134-1
Блоки внутренних стен Серия 1.134-2
Блоки внутренних стен Серия 1.134.1-10
Блоки внутренних стен Серия 1.134.1-11
Блоки внутренних стен Серия 1.134.1-13
Блоки гасителей Серия 3.820.1-29
Блоки гасителей Серия 3.820.1-29/91
Блоки забивные Серия 1.111.1-6
Блоки каналов технического водоснабжения (раб.чер.№15818-в АТЭПа)
Блоки карнизные рядовые Серия СТ 02-01
Блоки карнизные угловые Серия СТ 02-01
Блоки керамзитобетонные Серия 3.016-3
Блоки ленточных фундаментов Серия ИИ 01-02
Блоки лоджий цокольные Серия 1.133-2
Блоки мусорокамер Альбом РМ 2283
Блоки набережных Серия 3.507 КЛ-4
Блоки набрежных Альбом ПС 192
Блоки наружной обделки Альбом ПС 192
Блоки наружные угловые Серия СТ 02-01
Блоки наружных стен Серия 1.133.1-7
Блоки наружных стен Серия СТ 02-01
Блоки насадок Серия 3.014.1-2
Блоки насадок Серия 3.503-23
Блоки объемные Серия 3.507-1
Блоки панелей наружных стен Серия 1.090.1-9м
Блоки парапета Серия 1.138.1-12
Блоки парапета Серия 1.138.1-15
Блоки парапетные Серия 1.133-2
Блоки перемычные Серия 1.133-2
Блоки перемычные Серия 1.138.1-16пв
Блоки перемычные Серия ИИ 03-05
Блоки плит фундаментные ТП 503-49
Блоки подкарнизные Серия 1.133-2
Блоки подколонные стеновые Серия ИИ 03-02
Блоки подоконные Серия 1.133-2
Блоки подстропильные Серия 1.133.1-7
Блоки поясные Серия 1.133-2
Блоки поясные Серия ИИ 03-05
Блоки пролетного строения Серия 3.014.1-2
Блоки промежуточные Серия 0-221-84
Блоки простеночные Серия 1.133-2
Блоки ригелей ТП 503-49
Блоки ригеля Серия 3.503-23
Блоки ростверка Серия 3.503.1-95
Блоки с гранитной облицовкой Альбом РК 7101-01
Блоки силосные Серия 3.702-1
Блоки силосные Серия 3.702-1/79
Блоки силосные Серия 3.702.1-4
Блоки силосные угловые Серия 3.702-1/79
Блоки силосные угловые Серия 3.702.1-4
Блоки служебных мостов Серия 3.820.1-29
Блоки служебных мостов Серия 3.820.1-29/91
Блоки стен ТП 503-49
Блоки стен набережных Альбом РК 7101-01
Блоки стен набережных фартучные Альбом РК 7101-01
Блоки стен подвала Серия ИИ 01-02
Блоки стенки Серия 3.503-23
Блоки стеновые Альбом ПС 103
Блоки стеновые Альбом РК 2301-82
Блоки стеновые Альбом РК 7101-01
Блоки стеновые Серия 03-05
Блоки стеновые Серия 3.507-1
Блоки стеновые Серия 3.820.1-29
Блоки стеновые Серия 3.820.1-29/91
Блоки стеновые Серия Б1.033.1-1.09
Блоки стеновые Серия ТС 01-01
Блоки стеновые ТП 811-29
Блоки стеновые внутренние ТП 213-2-183
Блоки стеновые наружные ТП 213-2-183
Блоки тела стен Серия 3.501.1-135
Блоки тоннелей стеновые Серия 3.006.1-3/83
Блоки тоннелей стеновые доборные Серия 3.006.1-3/83
Блоки тоннелей угловые Серия 3.006.1-3/83
Блоки угловые Альбом РК 1101-87
Блоки угловые Серия 1.432-5
Блоки угловые Серия 1.432.1-20
Блоки угловые Серия 1.432.1-33.93
Блоки угловые Серия 3.501.1-135
Блоки угловые Серия СТ 02-11/61
Блоки угловые Шифр 1481
Блоки флютбетные Серия 3.820.1-29
Блоки флютбетные Серия 3.820.1-29/91
Блоки фундамента Серия 3.501.1-135
Блоки фундамента Серия 3.503-23
Блоки фундаментные Серия 1.110.1-1п
Блоки фундаментные Серия 3.006.1-3/83
Блоки фундаментные Серия 3.501.1-131
Блоки фундаментные Серия ИИ 03-02 Альбом 1-64
Блоки фундаментные ТПР 709-09-29.84
Блоки фундаментные дырчатые Серия 3.004.1-9
Блоки фундаментов Серия 3.501.2-123
Блоки фундаментов ТП 503-49
Блоки фундаментов под столбы Серия ИИ 01-02
Блоки цокольные Серия 1.116-5
Блоки цокольные Серия 1.133-2
Блоки цоколя Серия 3.503-23
Блоки шкафных стенок Серия 3.503-23
Блоки шпальные ТПР 709-09-29.84
Блоки экрана Серия 3.501-68
Блоки-стаканы верхние Серия 0-221-84
Борта бетонные ТП 320-55
Воронки Серия 3.702-1/79
Воронки Серия 3.702.1-4
Гасители Серия 3.820-6
Гексабиты ВСП 33-03-07
Гексалеги ВСП 33-03-07
Заглушки бетонные Серия КУБ 2,5
Колонки свечей продувочные Серия 7.402-3
Массивы с двумя трапецеидальными прорезями ВСП 33-03-07
Массивы с шестью сегментами прорезями ВСП 33-03-07
Насадки промежуточных опор ТПР 709-09-29.84
Объемные блоки Серия 1.189.1-10
Основы под дроссель-трансформаторы ТМП 410108
Пентаподы ВСП 33-03-07
Приямки монолитные Серия 3.006 КР-1
Секции башни Серия 3.820-15
Стаканы железобетонные Серия 1.865.1-4/80
Тетраподы ГОСТ 20425-2016
Тетраподы для берегозащитных и оградительных сооружений ВСП 33-03-07
Тетраподы для берегозащитных и оградительных сооружений ГОСТ 20425-75
Тумбы ограждения дорог (блоки) (инд.)
Укрепления откосов ТП 320-55
Упоры Серия 3.505.1-16
Упоры Серия 4.901-7
Упоры концевые Серия 3.504.9-19
Упоры на повороте трубопровода в вертикальной плоскости выпуклостью вверх Серия 3.001.1-3
Упоры на повороте трубопровода в вертикальной плоскости выпуклостью вниз Серия 3.001.1-3
Упоры на повороте трубопровода в горизонтальной плоскости Серия 3.001.1-3
Участки монолитные Серия 03.005-6
Элементы объемные Серия 3.006.1-3/83
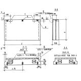
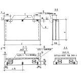
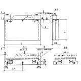
Блоки наружных стен Серия 1.133.1-7 - Страница 2
865х500x2180
1БНЛ 8-22-50-75 п
7 400
₽/шт.
В корзину
865х500x2680
1БНЛ 8-27-50-75 п
9 100
₽/шт.
В корзину
660х500x2180
1БНТ 6-22-50-75 п
5 700
₽/шт.
В корзину
660х500x2680
1БНТ 6-27-50-75 п
7 000
₽/шт.
В корзину
810х500x2180
1БНТ 8-22-50-75 п
7 800
₽/шт.
В корзину
810х500x2680
1БНТ 8-27-50-75 п
9 600
₽/шт.
В корзину
1065х500x2180
1БНУ 10-22-50-75 п
10 300
₽/шт.
В корзину
1065х500x2680
1БНУ 10-27-50-75 п
12 700
₽/шт.
В корзину
1180х500x2540
1БНУ 12-25-50-75 п
13 700
₽/шт.
В корзину
765х500x2180
1БНУ 7-22-50-75 п
7 100
₽/шт.
В корзину
765х500x2680
1БНУ 7-27-50-75 п
8 700
₽/шт.
В корзину
915х500x2180
1БНУ 9-22-50-75 п
8 700
₽/шт.
В корзину
915х500x2680
1БНУ 9-27-50-75 п
10 700
₽/шт.
В корзину
615х500x2180
1БНУЛ 7-22-50-75 п
5 400
₽/шт.
В корзину
765х500x2180
1БНУЛ 8-22-50-75 п
6 800
₽/шт.
В корзину
765х500x2680
1БНУЛ 8-27-50-75 п
8 300
₽/шт.
В корзину
915х500x2180
1БНУЛ 9-22-50-75 п
8 300
₽/шт.
В корзину
915х500x2680
1БНУЛ 9-27-50-75 п
10 200
₽/шт.
В корзину
945х420x760
2БН 10-7-50-75 п
2 400
₽/шт.
В корзину
945х420x760
2БН 10-8-50-75 п
2 500
₽/шт.
В корзину
1190х420x660
2БН 12-7-50-75 п
3 400
₽/шт.
В корзину
1190х420x760
2БН 12-8-50-75 п
3 000
₽/шт.
В корзину
1245х420x760
2БН 13-8-50-75 п
3 400
₽/шт.
В корзину
1490х420x660
2БН 15-7-50-75 п
4 300
₽/шт.
В корзину
Показать еще
|<
<
1
2
3
4
5
6
>
>|
48 из 127 (страниц 6)
Заказать звонок