О товаре:
- Длинна: 1500 мм.
- Ширина: 330 мм.
- Высота: 145 мм.
- Вес: 160 кг.
- ГОСТ, Серия: ГОСТ 8717.0-84 скачать
- Объем бетона: 0,066 м3
- Геометрический объем: 0,0718 м3
Стандарт изготовления изделия: ГОСТ 8717.0-84
Ступени основные ЛС 15 г - универсальные железобетонные элементы. Этот материал позволяет достичь высокой прочности, надежности и долговечности. В качестве основного компонента лестниц выступают ступени. Это наборные элементы особой формы, которые классифицируют по видам и размерам. Ступени ЛС 15 г – главный компонент любой наружной или внутренней лестницы зданий и сооружений. Конструкция представляет собой изделие специальной формы – проступь и подступенок. Номенклатурный ряд включает несколько типоразмеров, что отражается в маркировке каждого конкретного изделия.
1.Варианты написания маркировки.
Обозначают лестничные изделия согласно действующим стандартам ГОСТ 8717.0-84. Согласно данному регламенту в маркировке должны быть отражены следующие параметры: тип изделия, основные размеры. Написание марки может быть произведено разными вариантами:
1. ЛС 15;
2. ЛС 15 б;
3. ЛС 15 б-1;
4. ЛС 15 г;
5. ЛС 15 лб;
6. ЛС 15 лб-1;
7. ЛС 15 сб;
8. ЛС 15 ш;
9. ЛС 15 с-1 ш;
10. ЛС 15-1;
11. ЛС 15-1 ш.
2.Основная сфера применения.
Железобетонные ступени применяют для создания лестниц различного назначения. Без этого конструктивного элемента нельзя получить сооружение, по которому можно безопасно передвигаться между этажами высотного здания. Основной параметр – воспринимаемая нагрузка. Ступени ЛС 15 г должны выдерживать унифицированную вертикальную нагрузку не менее 200 кг/см2. Укладывают степени на несущее основание, в качестве которого могут быть использованы швеллер или балка. Дополнительное крепление производится при помощи закладных деталей, при помощи которых элементы приваривают, швы замоноличивают.
Основная сфера применения включает только те здания и сооружения, где действие агрессивной среды практически исключено. Допускается применять ЛС 15 г в условиях отрицательных температур (не более -40 градусов), где проектом обоснована надежность их эксплуатации. Ступени основные ЛС 15 г применяют как в гражданских, так и промышленных зданиях различного назначения.
Данные элементы предназначены не только для функционального использования, но и для создания декоративного эффекта. Поверхность изделий должна быть ровной, гладкой, без сколов и выбоин.
3.Обозначение маркировки.
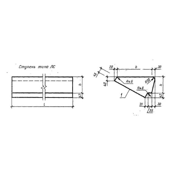
Обозначают ступенечные изделия согласно стандартам ГОСТ 8717. 0-84 . Маркировка включает буквенные и цифровые комбинации. Обязательно указывают тип изделия и его основные размерные параметры. Таким образом, для ЛС 15 г указаны следующие характеристики:
1. ЛС – лестничная ступень;
2. 15- длина в дециметрах.
3. г- при гладкой поверхности декоративного конструкционного слоя бетона на белом или цветном цементах.
Ступени ЛС 15 г имеют следующие основные параметры:
1. Длина – 1500 ;
2. Ширина – 330 ;
3. Высота – 145 ;
4. Геометрический объем изделия – 0,0718 ;
5. Объем бетона – 0,066 ;
6. Масса – 160 ;
7. Наносится мозаичный слой, объем которого составляет 0,006 куб. м.
Знаки должны быть расположены на боковой грани изделия. Используют только черную специальную краску.
4.Основные материалы и их характеристики.
Изготавливают ступени ЛС 15 г по технологии вибролитья. За счет высоких вибраций стола бетонная смесь сильно уплотняется, выдавливая все пузырьки воздуха. За счет дополнительного уплотнения утрамбовыванием бетона достигается максимальная прочность. В качестве исходных материалов применяют бетоны тяжелых и легких марок, также используется плотный силикатный бетон. За счет армирования изделий стальными каркасами достигается проектная жесткость конструкции под нагрузку до 520 кг/см2. Используют закладные детали тип МН1.
Все элементы лестниц выдерживают значительные нагрузки, эффективно работают под действием ударных деформаций, статических и динамических "давлений". Бетон используется класса прочности не менее В15 и В25. Материалы с такими характеристиками прекрасно выдерживают сейсмическую активность до 9 баллов по шкале Рихтера. Высокая огнестойкость – также преимущество бетона. Стойкость к истираемости, а также стойкость к различным воздействиям внешней среды – обязательные требования к основным лестничным ступеням. Морозостойкость бетона должна соответствовать марке F50, водонепроницаемость – не менее W2.
5.Транспортировка и хранение.
Перевозка железобетонных ступеней ЛС 15 г производится спецтранспортом. Все изделия укладывают правильными рядами по направлению продольной оси движения машины. Если транспортируют элементы без контейнера, то их дополнительно закрепляют. Погрузочно-разгрузочные работы производят с соблюдением правил техники безопасности. Не допускается навал, сброс или скидывание степеней. Хранят ЛС 15 г в штабелях. Блок не должен быть более 5 рядов.

