О товаре:
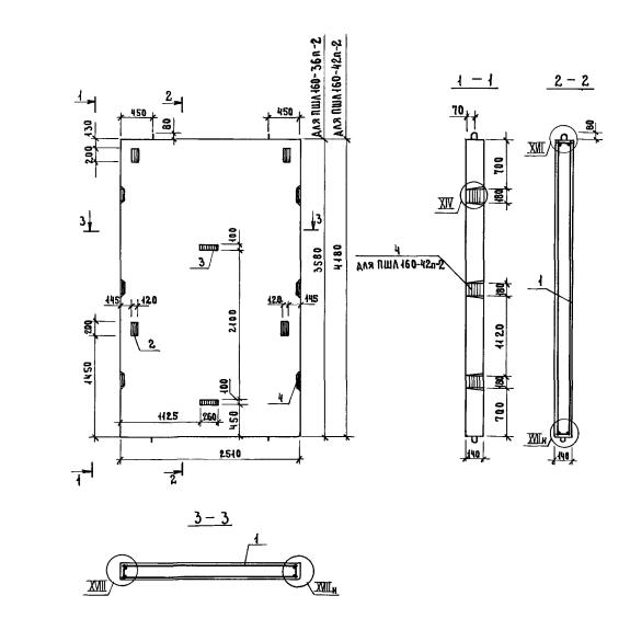
- Длинна: 2510 мм.
- Ширина: 140 мм.
- Высота: 4180 мм.
- Вес: 3670 кг.
- ГОСТ, Серия: Серия 1.089.1-1 скачать
- Объем бетона: 1,47 м3
- Геометрический объем: 1,4689 м3
Стандарт изготовления изделия: Серия 1.089.1-1
Панели шахт лифтов ПШЛ 160-42 п-4 – унифицированные изделия прямоугольной формы. Согласно Серии 1.089.1-1 возможно изготовление данных конструкций двух типов: плоских и ребристых. Изделия в ребристом исполнении имеют в поперечном разрезе форму в виде буквы «П». В конструкциях предусмотрены проемы для обеспечения выхода и отверстия для монтажа необходимых коммуникаций.
В совокупности с другими изделиями, входящими в состав нормативного документа, панели шахт лифтов применяются для устройства пассажирских и грузовых лифтов при возведении жилых и общественных зданий и промышленных предприятий. Максимально допустимая высота здания с возможным применением панелей составляет 12 этажей. Разрешена эксплуатация в районах с сейсмичностью до 7 баллов, при температуре помещений от 5 до 40 градусов.
Расшифровка маркировки
На изделия наносятся специальные маркировочные обозначения, состоящие из букв и цифр. Их наличие упрощает поиск требуемых по проекту элементов на территориях склада. Согласно Серии 1.089.1-1 маркировочные обозначения для ПШЛ 160-42 п-4 будут расшифровываться следующим образом:
1. ПШЛ – панель шахты лифта;
2. 160 – грузоподъемность лифта в десятках килограмм;
3. 42 – высота изделия;
4. п– расположение противовеса относительно кабины (п – с правой стороны, без букв – противовес сзади);
5. 4 –порядковый номер конструкции, зависящий от высоты лифтовой шахты.
Краска для маркировки должна быть водостойкой и устойчивой к воздействиям внешних факторов. Допускается применение трафаретов и штампов. Обозначения должны хорошо читаться и находиться в верхней части конструкции.
Материалы и производство
В качестве основного составного материала используется тяжелый бетон класса В25 по прочности на сжатие. Морозостойкость и водонепроницаемость подбираются индивидуально в соответствии с проектной документацией в зависимости от условий эксплуатации. Качество бетона необходимо проверять по ГОСТ 12730.0-78.
Для армирования применяются плоские и гнутые сетки из горячекатаной гладкой стали класса AI и AIII по ГОСТ 5781-82. Закладные элементы состоят из полосовой и широкополосной стали по ГОСТ 103-76 и ГОСТ 82-70. Сварные соединения должны соответствовать требованиям ГОСТ 14098-85. Все металлические компоненты для повышения срока эксплуатации готового изделия обрабатываются специальным антикоррозийным составом.
Изделия должны пройти ряд контрольных испытаний на соответствие требуемым характеристикам. Контрольные методы определения прочности ультразвуком должны производиться по ГОСТ 17624-87. Соответствие конструкций габаритным размерам должно проверятся по рабочим чертежам Серии 1.089.1-1. Технические параметры элементов проверяются по ГОСТ 13015-75. После прохождения всех испытаний партия оснащается сертификатами соответствия.
Транспортировка и хранение
Допускается хранение панелей шахт лифтов ПШЛ 160-42 п-4 в специальных кассетах в вертикальном положении на заранее подготовленной территории с подкладкой деревянных прокладок. Складирование возможно в горизонтальное положение. Подкладки устанавливаются на расстоянии от торцов, равном 0,2 длине изделия.
Для погрузки и разгрузки панелей необходимо производить строповку за две верхние петли. Для обозначения верха на панелях принято наносить стрелочки с соответствующим направлением. Подъем ребристых панелей аналогичен подъему блоков шахт лифтов, осуществляется за верхние петли с использованием специальных траверс.

