

О товаре:
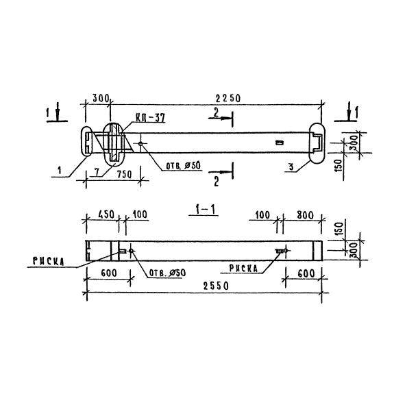
- Длинна: 2550 мм.
- Ширина: 300 мм.
- Высота: 300 мм.
- Вес: 600 кг.
- ГОСТ, Серия: Серия 1.020.1-7 скачать
- Объем бетона: 0,24 м3
- Геометрический объем: 0,2295 м3
Стандарт изготовления изделия: Серия 1.020.1-7
Колонна 1КВО 3-33-10 – железобетонная конструктивная единица для строительства каркасных многоэтажных зданий и сооружений различного назначения. Колонны запроектированы с квадратным сечением 300х300 мм., и снабжаются полками для соединения с другими элементами объекта. Выпуск колонн регламентирует Серия 1.020.1-7, согласно серии колонны запроектированы нескольких видов:
- для эксплуатирования на последних этажах здания;
- для эксплуатирования на средних этажах здания;
- для эксплуатирования на нижних этажах здания;
- колонны, которые устанавливаются по всей высоте объекта.
В зависимости от расположения колонны в каркасе здания и примыкания других конструктивных элементов, их изготавливают: с консолями или без консолей.
Расшифровка маркировки
Согласно, ключевых характеристик колонны принимается маркировочное обозначение. Маркировка – это буквенно - числовое обозначение изделия. Рассмотрим маркировку на конкретном примере колонны 1КВО 3-33-10 где:
1. 1– индекс, который указывает на этажность колонны;
2. К – начальная буква наименования элемента;
3. ВО – индекс, который указывает что колонна верхняя одноконсольная;
4. 3 – сечение колонны, дм.;
5. 33 – высота этажа;
6. 10 – индекс несущей способности.
Для удобства сортирования колонн на складе, а также последующего их обнаружения, принято на каждое изделие наносить маркировку при помощи темной несмываемой краски и трафарета.
Материалы и производство
Процесс изготовления осуществляется на технически подготовленных заводах сборного железобетона. Производство колонн запроектировано в стальных формах. За основу берется тяжелый бетон марки В 20. Все компоненты, которые участвуют в приготовлении бетонной смеси, должны отвечать техническим требованиям. Марка бетона по устойчивости к низким температурам и водонепроницаемости принимается к конкретному объекту строительства. Для придания прочности жесткости в колонну закладывается арматурный каркас, сборка пространственного каркаса происходит путем сваривания отдельных арматурных стержней, замкнутых хомутов, арматурных сеток и закладных деталей. Проектное положение арматурного каркаса в металлической форме, достигается при помощи фиксаторов и песчано - цементного раствора или пластмассы. Использование металлических фиксаторов не допускается. Во время производства контролируется толщина защитного бетонного слоя поверх арматуры. Для возможности захвата колонны при извлечении из металлической формы, а также для подъема при монтировании, предусмотрены строповочные отверстия. Возможно заложение в тело изделия дополнительных закладных изделий, для крепления других конструктивных элементов помимо ригелей каркаса. Металлические части изделий проходят антикоррозийную обработку.
Перед отправкой колонн к заказчику, они должны быть приняты отделом технического контроля завода - производителя. Колонны проходят испытания прочность. Проверяется фактическое соответствие изделия рабочим чертежам.
Транспортировка и хранение
Складирование колонн рекомендовано осуществлять на площадках, где возможно действие монтажного крана, на выровненном уплотненном основании, уложенные в один ряд или штабель. При укладывании колонн в штабель, его высота не должна превышать 2 метров, а между рядами прокладываются инвентарные подкладки. Строповка колонн производится путем захвата балансирной траверсы и пальцевых захватов, путем пропуска через отверстия в теле колонны. Транспортирование производится транспортом, имеющим нужную грузоподъёмность. Комплекс погрузочно - разгрузочных работ производить с соблюдением мер предосторожности.