О товаре:
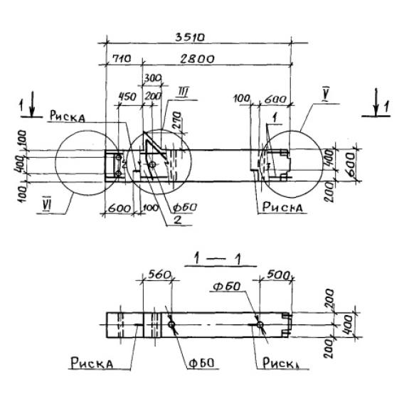
- Длинна: 3510 мм.
- Ширина: 600 мм.
- Высота: 400 мм.
- Вес: 1780 кг.
- ГОСТ, Серия: Серия 1.420.1-19 скачать
- Объем бетона: 0,71 м3
- Геометрический объем: 0,8424 м3
Стандарт изготовления изделия: Серия 1.420.1-19
Колонны К 9-15 — важный конструктивный элемент каркаса многоэтажных зданий промышленного назначения, использующихся непосредственно для производственных процессов. Внешне они представляют собой железобетонные изделия прямоугольного сечения, снабжённые малогабаритными треугольными консолями. Колонны рассматриваемой серии предусмотрены для установки сетками 6х6, 9х6 и 12х6 м. Номенклатурный ряд включает в себя изделия разного типоразмера, однако для каждого из них общими являются габаритные ширина и высота (параметры сечения), принятые 600 и 400 мм соответственно. Основные характеристики колонн отражены в их маркировочном наименовании.
1. Варианты маркировки
Стандарты буквенно-цифровой маркировки колонн приняты в соответствии со следующим нормативным документом: Серия 1.420.1-19. В частности, предусмотрено несколько вариантов обозначения, а именно:
1. К 9-10;
2. К 9-11;
3. К 9-12;
4. К 9-13;
5. К 9-14;
6. К 9-15;
7. К 9-16;
8. К 9-17;
9. К 9-18;
10. К 9-19.
2. Основная сфера применения
Колонны К 9-15 главным образом применяются с целью обеспечения продольной устойчивости многоэтажных промышленных зданий производственного назначения, а также в качестве колонн лестничных клеток. Номенклатура изделий многообразна, и включает в себя элементы для эксплуатации как в неагрессивных, так и слабо- и среднеагрессивных газообразных средах. Также существуют марки для сред с агрессивной степенью внешнего воздействия.
Колонны, рассматриваемые в Серии 1.420.1-19, предусмотрены для строительства в несейсмических районах, а также регионах с расчётной сейсмичностью 7-9 баллов. Отметим, что конструктивные особенности зданий с сетками колонн 12х6 м в районах, расчётная сейсмичность которых равна семи баллам, отражены в Серии 1.420.1-19.
Различают изделия и по морозостойкости: отдельные марки способны успешно эксплуатироваться в условиях температуры наружного воздуха ниже -40С. Последнее свойство обычно отражается в маркировке. В целом, разнообразие представленных в данной серии строительных элементов позволяет подобрать конструкции, наиболее оптимальные для каждой конкретной климатической зоны РФ вне зависимости от степени воздействия газообразной среды эксплуатации.
При проектировании здания с сетками колонн К 9-15 а также при непосредственном проведении работ, необходимо руководствоваться техническими условиями, приведёнными в Серии 1.420.1-19.
3. Обозначение маркировки изделия
Маркировочное обозначение колонн, содержащее основную информацию о них, принято согласно установленным в Серии 1.420.1-19 нормам. Обязательными параметрами являются: наименование изделия, его типоразмер и индекс несущей способности. Ниже приведём расшифровку обозначения колонны К 9-15.
1. К — тип изделия (колонна).
2. 9 — типоразмер.
3. 15 — класс по несущей способности.
Основные технические параметры колонны К 9-15:
Длина = 3510;
Ширина = 600;
Высота = 400;
Вес = 1780;
Объем бетона = 0,71;
Геометрический объем = 0,8424.
Колонны, предназначенные для эксплуатации в условиях экстремальных температур, повышенных динамических нагрузок или высокой агрессивности среды, должны иметь отличную от типовых изделий маркировку.
4. Изготовление и основные характеристики
Изготовление колонн К 9-15 принято в стальных формах, требования к которым приведены в Серии 1.420.1-19. В некоторых случаях в целях производства используют неметаллические формы, при этом качество изделий сохраняется. Первым этапом процесса является сборка пространственных каркасов, осуществляемая при помощи специальных механизированных линий. Основной этап включает в себя непосредственное формование полноценного железобетонного изделия.
Колонны данной серии изготавливают из бетона марок B15-B45. В конечном счёте, марка бетона по прочности, морозостойкости, водонепроницаемости определяется в зависимости от особенностей отдельного проекта. Для обеспечения лёгкости подъёмных работ и переноса изделия снабжаются строповочными отверстиями или монтажными петлями. Каждое изделие из номенклатурного ряда обладает своими характеристиками, однако общим для всех них является предел огнестойкости, равный трём часам.
5. Транспортировка и складирование
При транспортировке изделия обычно размещают в положении, близком к проектному. При этом колонны К 9-15 должны опираться на деревянные подкладки и прокладки толщиной от 50 мм, расположенные строго по одной вертикали. Обязательным условием является тщательное укрепление элементов с целью предотвращения нежелательных смещений, способных значительно ухудшить качество конструкций. Важным условием является обеспечение выгрузки, не нарушающей устойчивости остающихся в транспортном средстве изделий.
При хранении колонн на складе следует укладывать их в штабеля. Ширину прохода между ними следует устанавливать от 1 м. Маркировка всегда должна свободно просматриваться.

