О товаре:
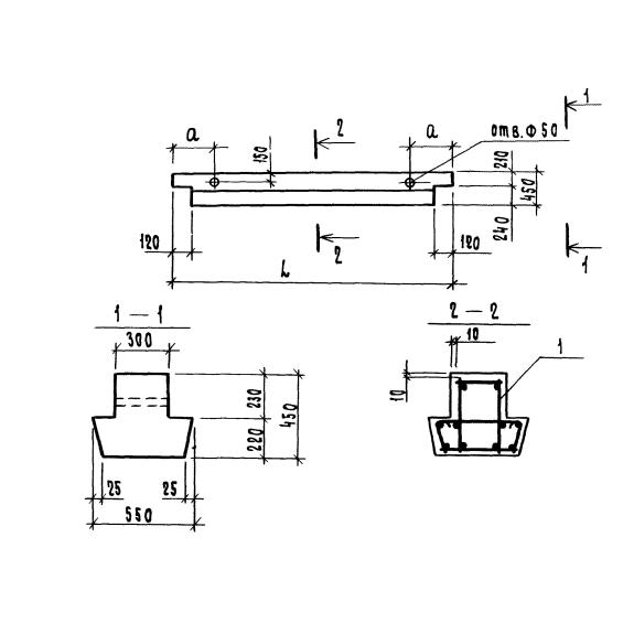
- Длинна: 5660 мм.
- Ширина: 550 мм.
- Высота: 450 мм.
- Вес: 2620 кг.
- ГОСТ, Серия: Серия 1.111.1-5 скачать
- Объем бетона: 1,048 м3
- Геометрический объем: 1,4008 м3
Стандарт изготовления изделия: Серия 1.111.1-5
Балки ростверков 3БР 57-5-4-1 т, выпуск которых регламентируется действующей Серией 1.111.1-5, представляют собой прочные железобетонные изделия, применяемые в строительстве жилых зданий. Они служат в качестве горизонтальных деталей свайных фундаментов, обладают высокими эксплуатационными свойствами и внушительной несущей способностью (уровень которой назначается в зависимости типа опирающихся на балку стен).
Варианты написания маркировки
Унифицированные железобетонные материалы для строительства жилых зданий могут маркироваться несколькими способами. Все варианты маркирования балок ростверков БР представлены ниже:
Основная сфера применения
Для каких конкретно типов построек подходят балки 3БР 57-5-4-1 т? Это крупнопанельные, крупноблочные и даже кирпичные здания со сборными фундаментами. Эксплуатация изделий возможна при таких гео-климатических условиях: грунт обычный, вечномерзлый или непросадочный, температура наружного воздуха вплоть до -55 градусов. Фундаменты с ростверками этого типа можно устанавливать только в несейсмичных районах. Они применяются в І климатической зоне в неагрессивной среде.
Обозначение маркировки
Маркировка унифицированных ЖБ изделий подчиняется жестким стандартам. Правила написания маркировочных обозначений балок ростверков прописаны в рабочих чертежах Серии 1.111.1-5. Согласно с предписаниями этого регламента обозначения 3БР 57-5-4-1 т указывают на такие особенности изделий:
1. 3 – с двумя подрезками на опоре;
2. БР – балки ростверков;
3. 57 – длина в дм.;
4. 5 – ширина в дм.;
5. 4 – высота в дм.;
6. 1 – группа по несущей способности;
7. т – бетон тяжелый.
При применении балок с дополнительными закладными деталями в марке появляется специальный индекс. Все обозначения пишутся черной краской на каждом десятом изделии партии. Маркировочные обозначения располагаются на боковых гранях готовых балок. Для их написания в ход идут шаблоны с одобренными официальными стандартами шрифтами.
Основные материалы и их характеристики
Массовый выпуск балок ростверков 3БР 57-5-4-1 т осуществляется на специально оборудованных заводах при условии обеспечения операционного контроля на всех стадиях технического процесса. Материалы для изготовления соответствуют проектным требованиям и подбираются с исключительной тщательностью. Согласно ГОСТу 5781-82 армирование балок выполняется из стержневой арматуры классов А-І и А-ІІІ. Пространственные каркасы собирают из стальных сеток и арматурных каркасов, для прочности соединяемых методом контактно-точечной сварки. Металлическая основа заливается тяжелыми сортами бетона – марка прочности 400. Морозостойкость и водонепроницаемость цементной смеси назначается в зависимости от строительного проекта. Предел огнестойкости балок – не менее 1,5 часов, а по трещиностойкости они относятся к третьей категории.
Изготовление балок ростверков 3БР 57-5-4-1 т характеризуется несколькими техническими нюансами. Так, в местах будущего взаимного пересечения изделий (например, в углах здания), балки снабжаются дополнительным конструктивным армированием. Для их изготовления используется специальная металлическая формооснастка, заранее смазанная маслянистыми веществами для легкости при извлечении готовых материалов. Для закрепления в формах арматурных деталей используются цементно-песчаные фиксаторы. В качестве заполнителей для бетона служит фракционный щебень из скальных гранитных пород (крупность не более 30 мм).
Обязательным условием выпуска ЖБ-изделий является проведение заключительных испытаний. Готовые балки, достигшие отпускного уровня прочности (не ниже 70% в летний период и 100% зимой), проверяются не только на соответствие проектным показателям, но также и на правильную геометрию, на гладкость поверхности и на равномерность защитного бетонного покрытия. Успешно пройдя все этапы приемо-сдаточных проверок, балки маркируются и отправляются на склад либо на строительный объект заказчика.
Транспортировка и хранение
При складировании и транспортировке балок 3БР 57-5-4-1 т важно соблюдать максимальную осторожность. Для подъема таких материалов на высоту используются специальные инвентарные монтажные устройства. Их устанавливают в заранее предусмотренные строповочные отверстия балок, что позволяет максимально равномерно распределять внушительный вес изделий.
Конструкции хранятся и перевозятся в штабелях высотой не более 2 м. Их сортируют по маркам и для защиты от механических повреждений прокладывают деревянными досками. При транспортировке балки закрепляются в неподвижном состоянии.

