О товаре:
- Длинна: 10800 мм.
- Ширина: 450 мм.
- Высота: 490 мм.
- Вес: 1570 кг.
- ГОСТ, Серия: Серия 3.501.1-160 скачать
- Объем бетона: 0,63 м3
- Геометрический объем: 2,3814 м3
Стандарт изготовления изделия: Серия 3.501.1-160
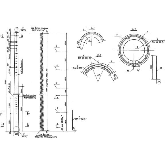
Стойки для опор контактной сети железных дорог С 108,6-1 м – высокопрочные полые железобетонные изделия конической формы с круглым поперечным сечением. В теле элемента предусмотрено несколько отверстий различного диаметра (35 и 24 мм), предназначенных для вентиляции.
Унифицированные стойки широко используются в современном строительстве. Их предназначение – обустройство опор для подвески контактной сети постоянного и переменного тока при электрификации железнодорожного полотна нормальной колеи (1520 мм). Допускается использование элементов в качестве анкерных опор с жесткими поперечинами и для опор под ошиновку ОРУ тяговых подстанций с напряжением 35, 110 и 220 кВ.Конструкции рассчитаны для I-VII районов по нормативному ветровому давлению и I-V территорий по уровню гололеда (в соответствии с требованиями СНиП 2.01.07-85). Изделия подходят для эксплуатации в районах с различными грунтами и зонах с зимней температурой до -70 градусов. При наличии агрессивной среды следует принять комплекс защитных мероприятий по рекомендациям СНиП 2.03.11-85. Допускается применение в районах с сейсмичностью до 9 баллов.
Расшифровка маркировки
Для ориентирования в номенклатурном ряду и упрощению подбора необходимых по типовому проекту элементов, были разработаны специальные маркировочные обозначения. Они состоят из цифр и букв, и содержат ключевые характеристики элементов. Совокупность символов С 108,6-1 м расшифровывается:
1. С – тип конструкции – стойка, предназначенная под участки с переменным током (СО – постоянным током);
2. 108 – длина элемента;
3. 6 – толщина стенки;
4. 1 – несущая способность (изгибающий момент);
5. м – индекс, характеризующий дополнительные особенности конструкции (м – рассчитаны на применение при температуре ниже -40 градусов; к – газовая среда с сильной агрессивной степенью воздействия; п – бетон повышенной прочности).
Материалы и производство
Процесс изготовления стоек С 108,6-1 м регламентирован Серией 3.501.1-160. По условиям документа в качестве главного сырья используется тяжелый бетон, по прочности на сжатие принадлежащий следующим классам: В30, В40 и В45. Морозостойкость должна быть не ниже F150. При индексе «м» - F200.
Для производства арматурных каркасов используется напрягаемая высокопрочная проволока периодического профиля класса 58р1400-1 по ГОСТ 7348-81. Допускается применение проволоки 48р1400-1 для стоек переменного тока. Монтажные и усиливающие кольца должны изготавливаться из стали класса AI по ГОСТ 5781-82, внутренние спирали – из проволоки периодического профиля 38р1. В качестве продольного армирования применяется ненапрягаемая стальная арматура класса AT-IIIc по ГОСТ 10884-81 (для зон с температурой до -55). При расчетной температуре до -70 используется сталь класса AIII. Обязательна защита от коррозий в соответствии со СНиП 2.03.11-85.
Элементы должны соответствовать геометрическим пропорциям, прописанным на рабочих чертежах Серии 3.501.1-160.
Транспортировка и хранение
Складирование стоек должно осуществляться в горизонтальных штабелях высотой не более 5 изделий, в рассортированном по маркировкам состоянии. Обязательно использование деревянных подкладок, располагаемых на расстоянии 1/5 длины элемента.
Для осуществления погрузочно-разгрузочных работ следует использовать краны, траверсы и стропы. Запрещено перемещение конструкций по земле и сбрасывание с транспортного средства. Важно беречь элементы от любых механических повреждений. Необходимо надежно фиксировать конструкции до начала перевозки.

