

О товаре:
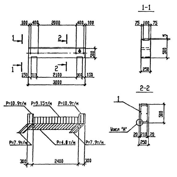
- Длинна: 3000 мм.
- Ширина: 250 мм.
- Высота: 500 мм.
- Вес: 940 кг.
- ГОСТ, Серия: Серия 3.016.1-11 скачать
- Объем бетона: 0,38 м3
- Геометрический объем: 0,375 м3
Стандарт изготовления изделия: Серия 3.016.1-11
Траверс Т 1 – железобетонная балка, с прямоугольным сечением в поперечном разрезе. Траверс Т 1 комплектующий элемент для возведения комбинированных эстакад под технологические трубопроводы и кабели. В конструкции объекта траверс опирается на колонну. Траверс изготавливаются нескольких типоразмеров, что позволяет возводить эстакады с разными габаритными схемами. Высота от планировочной отметки земли до нижнего траверса принята 5 метров. Высота ярусов должна составлять 2 или 3 метра. Траверсы подразделяют на рядовые, их устанавливают в пролетах и на опоре, и усиленные их устанавливают на опорах.
Расшифровка маркировки
Маркировка – это принятое условное обозначение изделия. Маркировка состоит из букв и цифр, разделенных дефисами. Рассмотрим маркировку на примере траверса Т 1:
1. Т – траверс;
2. 1 – типоразмер.
Маркировочные надписи следует наносить на видимую боковую поверхность каждого готового траверса. Обозначения наносятся краской темного цвета при помощи трафарета.
Материалы и производство
Выпуск траверса Т 1 регламентирует Серия 3.016.1-11. Основной материал для производства тяжелый бетон класса В15. Дополнительные требования к классам бетона устанавливаются в конкретном проекте. Для траверс, которые планируются к эксплуатации в агрессивной среде бетон и материалы для его изготовления должны соответствовать СНиП 2.03.11-85. Качество материалов для бетонной смеси должно обеспечить выполнение всех технических требований.
Армирование выполняется из горячекатаной стали, которая собирается в пространственный каркас. В качестве продольной арматуры используют стержневую сталь периодического профиля марки AIII. Для поперечного армирования используют гладкую сталь марки AI. Рабочая арматура должна удовлетворять требованиям ГОСТа 5781-82*. Сборка арматурного каркаса производится при помощи сварочных клещей для контактной точечной сварки.
Траверсы изготавливают в стальных формах. Арматурные изделия и закладные детали следует фиксировать в опалубке фиксаторами из цементно-песчаного раствора или пластмассовыми. Установка дополнительных закладных деталей выполняется креплением их к опалубочной форме инвентарными приспособлениями.
Фактические габаритные параметры траверс не должны отличаться от запроектированных. На поверхности траверса не допускается наличие раковин диметром более 10 мм и глубиной 5 мм., обвалы бетона глубиной более 7 мм. и длиной более 50 мм., оголение арматуры. Закладные детали и монтажные петли должны быть зачищены от бетона и покрыты слоем антикоррозийного раствора.
Готовые траверсы должны быть приняты отделом технического контроля. Партия изделий должна сопровождаться документом о качестве продукции. Документ должен быть подписан лицом, ответственным за технический контроль.
Транспортировка и хранение
Хранить и перевозить траверсы Т 1 следует, соблюдая все нормы и правила, предписанные техническими документами. На площадке изделия следует укладывать в штабеля. Под нижний ряд и между рядами подкладываются деревянные подкладки. Высота штабеля не должна превышать 2,5 метра. Изделия должны храниться рассортированные по маркам. Должен быть обеспечен беспрепятственный доступ для захвата продукции специальной техникой. Подъем производить за монтажные петли. Перевозить изделия можно на авто транспорте и посредством железнодорожных путей.