

О товаре:
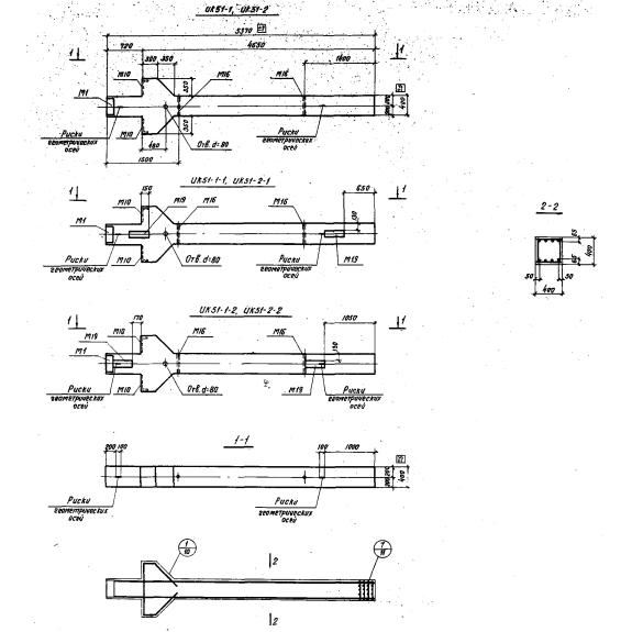
- Длинна: 5370 мм.
- Ширина: 400 мм.
- Высота: 400 мм.
- Вес: 2500 кг.
- ГОСТ, Серия: Серия ИИЭ 22-1/73 скачать
- Объем бетона: 1 м3
- Геометрический объем: 0,8592 м3
Стандарт изготовления изделия: Серия ИИЭ 22-1/73
Колонны ИК 51-2-1– высокопрочные изделия прямоугольной формы с квадратным поперечным сечением. Характерной отличительной особенностью конструкции является наличие полок – консолей, расположенных с обеих сторон элемента, придавая ему вид буквы «Т». Колонны значительной длины имеют по две тавровые полки.
Железобетонные колонны применяются при строительстве жилых зданий и общественных сооружений различного назначения. Их используют для возведения этажерок. Конструкции применяются при строительстве объектов, подвергающихся воздействию многократно повторяющихся вертикальных и динамических нагрузок. Допускается использование при постоянной температуре выше 50 градусов (промышленные предприятия). Элементы отличаются высокой прочностью и надежностью, а легкость монтажа позволит ускорить процесс строительства объектов. Допускается применение в районах со слабо и средне агрессивной газовой средой при обеспечении дополнительных защитных мероприятий. Расчет конструкций производился в соответствии со СНиП II-B.1-62.
Расшифровка маркировки
Маркировочные символы ИК 51-2-1 имеют следующую расшифровку:
1. ИК – тип конструкции – колонна, запроектированная по Серии ИИЭ 22-1/73;
2. 51 – типоразмер элемента;
3. 2 – несущая способность (нагрузка);
4. 1 – отличительные особенности по закладным деталям.
В конце маркировки возможно наличие дополнительных буквенных индексов, указывающих на плотность бетона: «к» - нормальная, «кп» - повышенная, «ко» - особо плотный бетон.
Материалы и производство
Для производства колонн ИК 51-2-1 используется бетон марок: М200, М300 и М400. Марка бетона по водонепроницаемости зависит от среды использования и подбирается в соответствии с плотностью бетона: нормальная W4, повышенная W6, особо плотная бетонная структураW8. Морозостойкость зависит от климатических условий региона застройки. Толщина защитного слоя бетона до любого из поперечных стержней составляет 25 мм.
Расчетная арматура для производства пространственных каркасов выполняется из горячекатаной стали класса AIII. Для поперечного армирования (хомутов) используется арматурная сталь класса AI.В теле элемента расположены закладные детали, необходимые для крепления связей и соединения с поперечными ригелями. Они изготавливаются из сортового проката марки СТ3 группы В по ГОСТ 380-71. Марки стали зависят от температуры наружного воздуха в районе эксплуатации. Элементы соединяются вместе с помощью контактной точечной сварки.
При необходимости использования в условиях агрессивной среды обязательна дополнительная обработка конструкций антикоррозионными и гидроизолирующими составами в соответствии с требованиями СН 262-67.
Ширина раскрытия трещин не должна превышать 0,3 мм для основных сочетаний нагрузок колонн при учете полной ветровой нагрузки. Предел огнестойкости равен 4 часам (при армировании AIII по указаниям СНиП П-А.5-70).
Транспортировка и хранение
Для подъёма колонн ИК 51-2-1 необходимо использовать специально предусмотренные отверстия. Важно соблюдение техники безопасности и надежное закрепление элементов в кузове грузового состава до процесса транспортировки для предотвращения смещения.
Укладка при складировании должна производиться в штабеля на выровненное основание, рассортированные по маркировочным обозначениям, высотой не более 5 рядов. Толщина подкладочного изоляционного материала должна быть минимум 60 мм. Необходимо обеспечить доступные подъездные пути для специализированной техники.