О товаре:
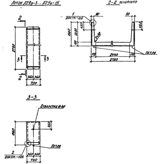
- Длинна: 720 мм.
- Ширина: 2780 мм.
- Высота: 1360 мм.
- Вес: 1430 кг.
- ГОСТ, Серия: Серия 3.006.1-2/87 скачать
- Объем бетона: 0,57 м3
- Геометрический объем: 2,7222 м3
Стандарт изготовления изделия: Серия 3.006.1-2/87
Лотки теплотрасс доборные Л 29д-11 применяются в строительстве теплотрасс. Это специальные элементы, которые используются для строительства каналов и тоннелей различного назначения и протяженности. Обязательно изготавливают эти элементы из железобетона. Благодаря уникальным эксплуатационным характеристикам эти изделия образуют прочное и долговечное сооружение.
Данный доборный элемент служит для оптимальной защиты инженерных сетей и коммуникаций. Применяют строго по допустимой унифицированной вертикальной нагрузке. Это элементы П-образной (или скобообразной) формы, которые применяются как базовое основание, а также для защиты для трубопроводов любого типа и назначения. Лоток Л 29д-11 является доборным, что указывает – в конструкции отсутствуют проемы для стыковки с узловыми точками тепловой трассы.
1. Варианты маркировки.
Лотки теплотрасс доборные Л 29д-11 обозначают по ГОСТу и Серии 3.006.1-2.87. Данные стандарты позволяют записать маркировочные знаки разными вариантами. Основные из них:
1. Л 29д-11;
2. Л 29д.11.
2. Основная сфера применения.
Лотки применяют для строительства полуподземных одно- и многосекционных каналов и тоннелей. Данные элементы являются отличной защитой для коммуникаций и сетей от воздействия агрессивной внешней среды. Конструкция лотков спроектирована таким образом, чтобы исключить попадание влаги внутрь, слом и порчу коммуникаций. За счет высокой прочности элементов канал получается надежным. Допускается использовать Л 29д-11 на посадочных грунтах, а также в условиях сложной местности, включая сейсмоактивность до 9 баллов по шкале Рихтера. Допускается применение в грунтах с высоким слиянием подземных вод.
Сфера использования доборных элементов достаточно широка. Это не только строительство каналов для труб водоснабжения, но и газоснабжение, прокладка инженерных сетей и обустройство теплотрасс различного назначения. При соблюдении правил строительства каналов достигается высокая экономия средств на обслуживание сооружения. При необходимости замены труб роется траншея, вскрывается крышка канала и производится замена поврежденного участка. Очень быстро и практично.
По большей части лотки теплотрасс доборные Л 29д-11 применяют в черте жилых массивов для тепло- и сетевого газораспределения, а также для прокладки электрокабелей и электрических шин. За счет очень низкой цены эти элементы широко применяют и в промышленности. Лотки монтируют по месту использования совместно с плитами перекрытия или специальными съемными крышками – тип П 11д-8. Продукция поставляется с разрешительной документацией.
3. Маркировка изделий.
Условные обозначения лотков специального назначения производят согласно Серии 3.006.1-2.87 и включает тип изделия и основные размерные параметры. Для удобства чтения маркировки цифровая группа указана в дециметрах. Маркировка включает:
1. Л – лоток каналов и тоннелей;
2. 29 – порядковый номер изделия;
3. д – доборный;
4. 11 – расчетная нагрузка.
Основные параметры:
• Длина – 720 ;
• Ширина – 2780 ;
• Высота –1360 ;
• Геометрический объем – 2,7222 ;
• Объем бетона – 0,57 ;
• Масса изделия – 1430 .
Все знаки наносятся на боковую грань черной несмываемой краской. Дополнительно вносят в общие обозначения дату выпуска, массу и марку изделия.
4. Основные материалы и их параметры.
Лотки Л 29д-11 изготавливают методом вибропрессования из железобетона. Бетон берется прочности по марке М200, класс бетона - не менее В25. Для большей прочности производится армирования стальной проволокой, связанной в сетки – тип С4-63-1 и сетка С2-25-4, и рифленые прутки. Для удобства подъема на высоту изделия имеют металлические петли – тип УП1-2. Внутри элемент имеет специальные крепежи – тип Ф6, для удобства прокладки трубопроводов. Для того чтобы предотвратить коррозионные процессы, проводят специальную обработку и дополнительно обрабатывают гидрофобными составами готовые лотки. Внутри упакованного канала образуется так называемая "воздушная подушка", которая выступает отличным тепло- и гидроизолятором.
Для изготовления доборных лотков применяют бетон с повышенным содержанием мелкофракционного гравийного щебня и мелкозернистого песка. Это позволяет добиться высокой трещиностойкости, морозостойкости и водонепроницаемости. В условиях отрицательных температур доборные изделия Л 29д-11 допускается применять до 300 циклов полного промерзания и последующего размораживания. По "сухости" изделие соответствует марке стойкости к проницаемости воды до W4. Таким образом, высокое качество бетона обеспечивает максимальную защиту сетей и коммуникаций от резких перепадов температур до колебания уровня влажности. Доборный лоток Л 29д-11 прослужит долгое время без видимых разрушений.
5. Транспортировка и хранение.
Лотки теплотрасс доборные Л 29д-11 транспортируют только с применением спецтранспорта. В качестве автомашин используют манипуляторы со стрелами, бортовые автомобили повышенной грузоподъемности.
Хранение лотков производится в уложенных рядах. На дно укладывают деревянные доски или любой изолирующий материал, чтобы исключить действие влаги.

