О товаре:
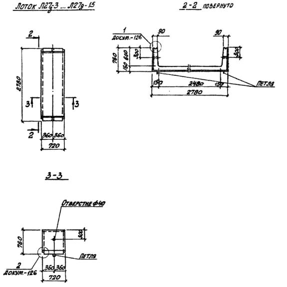
- Длинна: 720 мм.
- Ширина: 2780 мм.
- Высота: 760 мм.
- Вес: 1100 кг.
- ГОСТ, Серия: Серия 3.006-2 скачать
- Объем бетона: 0,44 м3
- Геометрический объем: 1,5212 м3
Стандарт изготовления изделия: Серия 3.006-2
Лотки теплотрасс доборные Л 27д-12 (3.006-2) представляют собой железобетонные конструкции, которые имеют П-образную форму. Главная сфера применения лотков, является прокладка в них трубопроводов, возводимых на просадочных грунтах и в сейсмических районах. Железобетонные изделия обладают повышенными прочностными характеристиками, так как при эксплуатации они подвергаются воздействию агрессивной внешней среды. Лотки обеспечивают подземным трубам качественную гидроизоляцию, так же они обладают теплоизоляционными свойствами. Данный железобетонный элемент изготавливается из качественного материала, поэтому он может прослужить долгое время без разрушений. Лотки данного вида используются в основном тогда, когда необходимо увеличить длину канала, но стандартный лоток будет для этой цели слишком длинным.
Расшифровка маркировки
Лотки теплотрасс доборные Л 27д-12 (3.006-2) маркируют согласно требованиям действующих стандартов, а именно Серии 3.006-2. Знаки не только широко используется в технической документации, но и пишется прямо на изделиях для удобства при их сортировке. Рассмотрим подробно маркировку лотка Л 27д-12 (3.006-2):
1. Л- лоток;
2. 27- порядковый номер;
3. д-доборный;
4. 12-нагрузка в тс/м2.
Маркировочные данные дополняются логотипом предприятия, номером парии, датой производства изделия, для этого наносится черная несмываемая краска, которая имеет в своем составе компоненты, способствующие высокому сопротивлению атмосферным осадкам, влагоустойчивости. На лицевой части изделия указывается штамп отдела контроля качества.
Основные характеристики и изготовление
Производство изделий осуществляется в полном соответствии с требованиями такого норматива, как Серия 3.006-2.При изготовлении лотков должен быть обеспечен систематический пооперационный контроль за качеством бетона, арматуры, сварных соединений.Технология производства для данного вида железобетонных изделий представляет собой процесс вибропрессования. Железобетонные элементы запроектированы из бетона марки М200 и М300. Арматуру применяют класса А-I и A-III по ГОСТ 5781-75.Обнажение арматуры на поверхности железобетонного изделия не допустимо. Армирование производится сварными сетками и каркасами. Изделия нужно обязательно обрабатывать специальным составом, чтобы защитить их от воздействия агрессивной внешней среды. Необходимо обязательно произвести гидроизоляционную обработку, тем самым защитив изделие от воздействия грунтовых вод. Для удобства монтажа, лотки снабжаются подъемными петлями, для которых следует принимать сталь класса A-I по ГОСТ 5781-75.Готовая продукция принимается отделом технического контроля предприятия-изготовителя. Отпускная прочность бетона для конструкций при отгрузке составляет не менее 70%.На изделии не должно быть никаких трещин, поверхность обязательно должна быть ровной и гладкой. При приемке следует особое внимание обращать на правильность маркировки и ориентирующих знаков согласно требованиям ГОСТ 13015-75.
Транспортировка и хранение
Лотки теплотрасс доборные Л 27д-12 (3.006-2) необходимо хранить в специально оборудованных помещениях. Транспортируют их только с применением специальных технических средств. Для хранения их сортируют по маркам и номерам партий. При погрузочно-разгрузочных работах необходимо соблюдать технику безопасности и осторожность, чтобы не повредить лотки. Конструкции запрещено скидывать, подвергать толчкам и падениям.

