О товаре:
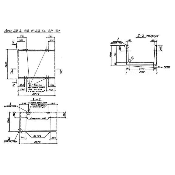
- Длинна: 2970 мм.
- Ширина: 2460 мм.
- Высота: 1640 мм.
- Вес: 5480 кг.
- ГОСТ, Серия: Серия 3.006.1-2/82 скачать
- Объем бетона: 2,19 м3
- Геометрический объем: 11,9822 м3
Стандарт изготовления изделия: Серия 3.006.1-2/82
Лотки теплотрасс Л 26-11 а (3.006.1-2/82) – высокопрочные железобетонные изделия, по внешнему виду напоминающие перевернутую букву «П». В конструкции запроектированы отверстия диаметром 40 мм, расположенные в боковых стенках элемента.
Применяются железобетонные лотки при строительстве различных каналов и тоннелей, подземных транспортных галерей и пешеходных переходов. Они служат надежным защитником инженерных коммуникаций от вредных воздействий окружающей среды. Лотки позволяют защитить хрупкие тепловые трубы и другие инженерные системы от чрезмерного давления грунта и подземных вод. В сочетании с плитами перекрытия они позволяют сформировать долговечные и прочные каналы теплотрасс, различных трубопроводов и электрокабельных тоннелей. Допускается применение конструкций на территориях с просдочными грунтами и в районах с сейсмичностью.
Расшифровка маркировки
Железобетонные элементы принято маркировать с использованием букв и цифр для упрощения поиска и подбора необходимых под типовой проект конструкций в номенклатурном ряду. Информационные знаки на поверхности Л 26-11 а (3.006.1-2/82) расшифровываются следующим образом:
1. Л – тип конструкции – лоток;
2. 26 – порядковый номер типоразмера;
3. 11 – величина вертикальной равномерно распределенной нагрузке.
В конце маркировочного обозначения может быть указан индекс «а», обозначающий наличие закладных деталей в теле конструкции.
Материалы и производство
Процесс изготовления лотков теплотрасс Л 26-11 а (3.006.1-2/82) прописан в Серии 3.006.1-2/82. Для производства принято применять тяжелый бетон марок: М200, М300, М400 и М450. Водонепроницаемость и морозостойкость подбираются индивидуально под типовой проект. Величина защитного бетонного слоя до рабочей арматуры вирируется в зависимости от толщины конструкций: до 100 мм – 15 мм, более 100 мм – 20 мм.
В качестве армирования применяется сталь классов AI и AIII по ГОСТ 5781-82, и Bp-I по ГОСТ 6727-80. Изготовление закладных осуществляется из стали марки ВСт3кп2 по ГОСТ 380-71. При монтаже конструкций в расчетный зимний период с температурой ниже -40 запрещается использовать сталь марки ВСт3пс2. Подбор арматурных компонентов необходимо сверять с рабочими чертежами.
Отпускная прочность в летний период составляет 70% от проектной марки бетона, в зимний период этот показатель должен быть не меньше 100%. Ввиду использования изделий в условиях высокой влажности следует в обязательном порядке позаботиться о дополнительной гидроизоляционной защите, препятствующей разрушению конструкций под воздействием грунтовых вод. По достижению отпускной прочности и при соответствии требованиям контрольных испытаний, изделия снабжаются сертификатами качества.
Транспортировка и хранение
Укладка лотков теплотрасс Л 26-11 а (3.006.1-2/82) для хранения осуществляется в штабеля. Высота штабеля регламентируется правилами и нормами техники безопасности СНиП III-4-80 и не должна превышать 3 рядов. Конструкции укладываются на специальные деревянные подкладки дном вверх. При складировании важно оставить подъездные пути для специализированной техники. Маркировка должна отчетливо просматриваться на всех изделиях в штабеле.
Транспортировка осуществляется в положении, аналогичном складированию. Изделия прокладываются деревянными опорными досками. Подъем конструкций необходимо производить исключительно за строповочные петли. Важно оберегать железобетонные конструкции от любых механических повреждений, способных негативно повлиять на пригодность конструкций к последующей эксплуатации.

