О товаре:
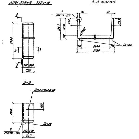
- Длинна: 720 мм.
- Ширина: 2780 мм.
- Высота: 1360 мм.
- Вес: 1430 кг.
- ГОСТ, Серия: Серия 3.006.1-2/82 скачать
- Объем бетона: 0,57 м3
- Геометрический объем: 2,7222 м3
Стандарт изготовления изделия: Серия 3.006.1-2/82
Лотки теплотрасс доборные Л 29д-8 (3.006.1-2/82) – высокопрочные унифицированные изделия, имеющие вид перевернутой буквы «П». Отличительной особенностью данных конструкций является небольшая длина 720 мм, позволяющая расширить сферу использования при проектировании каналов различной длины.
Применяются железобетонные доборные лотки теплотрасс при строительстве каналов и тоннелей различного назначения. Благодаря своей длине используется в качестве дополняющего элемента в условиях, когда габариты стандартных лотков слишком велики для завершения строительства. Совместное применение с плитами перекрытий позволяет строить долговечные и надежные теплотрассы, трубопроводы и тоннели для прокладки электрокабелей и электрошин. Допускается применение в различных грунтовых условиях и в районах с сейсмичностью до 9 баллов.
Расшифровка маркировки
На поверхности изделий необходимо наносить маркировочные обозначения, позволяющие легко ориентироваться в номенклатурном ряду на складских территориях. Согласно Серии 3.006.1-2/82 цифробуквенные обозначения Л 29д-8 (3.006.1-2/82) будут расшифровываться следующим образом:
1. Л – тип конструкции – лоток;
2. 29 – порядковый номер типоразмера;
3. д – индекс, обозначающий характерную особенность элемента – доборный лоток;
4. 8 – величина вертикальной равномерно-распределенной нагрузки.
Дополнительно проставляется штамп ОТК, дата изготовления, информация о предприятии и вес. Не допускается внесение произвольных изменений в заводское маркировочное обозначение.
Материалы и производство
Порядок и правила организации производственного процесса прописаны в Серии 3.006.1-2/82. В качестве основного компонента выступает бетон марок: М200, М300, М400 и М450. Показатели водонепроницаемости и морозостойкости подбираются исходя из климатических особенностей района застройки. Толщина защитного бетонного слоя варьируется в зависимости от толщины самого изделия: до 100 мм – 15 мм, более 100 мм – 20 мм.
Для производства арматурных каркасов рекомендуется использовать сталь классов AI и AIII по ГОСТ 6781-82. Дополнительно применяется проволока класса Bp-I по ГОСТ 6727-80. Марка стали для закладных – ВСт3кп2 в соответствии с ГОСТ 380-71. Подбор стали для производства монтажных петель необходимо осуществлять исходя из температуры наружного воздуха в процессе монтажа. Применять при -40 сталь марки ВСт3пс2 не допускается.
При наличии грунтовых вод следует обеспечить дополнительную защиту конструкций путем применения специальных гидроизоляционных материалов.
Готовые элементы должны пройти контрольные испытания на прочность в соответствии с ГОСТ 8829-85. Отклонения геометрических параметров и расположение закладных следует уточнять из рабочих чертежей нормативно правовой документации.
Транспортировка и хранение
Для хранения лотков следует заранее подготовить ровную площадку. Укладка элементов должна производиться в соответствии с маркировочными обозначениями. Между конструкциями необходимо прокладывать инвентарные деревянные подкладки, препятствующие трению элементов и исключающие механические повреждения. Высота штабелей не должна превышать трех рядов. Важно безукоризненно соблюдать нормы и правела, прописанные в СНиП III-4-80.
Транспортировка возможна в специализированных грузовых транспортных средствах. Укладка осуществляется как при хранении, с опиранием на стенки дном вверх. Важно надежно закрепить элементы в кузове фиксаторами и крепежными приспособлениями для минимизации механических повреждений.

