О товаре:
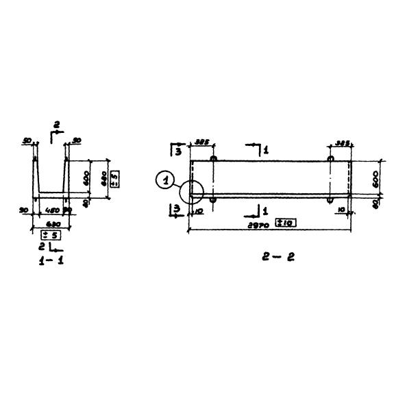
- Длинна: 2970 мм.
- Ширина: 630 мм.
- Высота: 680 мм.
- Вес: 1000 кг.
- ГОСТ, Серия: Серия 3.900-2 скачать
- Объем бетона: 0,4 м3
- Геометрический объем: 1,2723 м3
Стандарт изготовления изделия: Серия 3.900-2
Элементы прямоугольных лотков ЛП 5-30– железобетонные изделия прямоугольной формы. По внешнему виду конструкция напоминает «П» - образную скобу.
Высокопрочные прямоугольные лотки широко применяются при реализации различных типовых проектов, направленных на обустройство водоотводных коммуникаций. Они устанавливаются на прилегающих площадках различных очистных сооружений. Допускается использование внутри промышленных предприятий и производственных зданий. Изделия способствуют ускорить процесс строительства водопропускных и канализационных емкостных сооружений благодаря простоте и легкости монтажа. Конструкции запроектированы на применение в обычных инженерно-геологических условиях. Элементы рассчитаны на гидростатическое давление транспортируемых жидкостей и нагрузку от перекрытий и снегового покрова.
Расшифровка маркировки
Буквенные и цифровые индексы, наносимые на поверхность изделий, включают в себя основные характеристики элемента. Они должны отчетливо просматриваться. Краску для нанесения символов следует использовать водостойкую, устойчивую к температурным колебаниям. Маркировочное обозначение ЛП 5-30 имеет следующую расшифровку:
1. ЛП – тип конструкции – лоток прямоугольный;
2. 5 – порядковый номер типоразмера элемента, характеризующий величину сечения;
3. 30 – длина.
В конце маркировочного обозначения возможно наличие буквенного индекса «а», указывающего на присутствие отверстий или закладных деталей, предназначенных для крепления к элементам или проведения коммуникаций. Запрещается внесение произвольных изменений в заводское маркировочное обозначение.
Материалы и производство
Согласно требованиям Серии 3.900-2 для производства элементов прямоугольных лотков ЛП 5-30 следует использовать плотный тяжелый бетон марки М200 по прочности на сжатие. Величина защитного слоя до поверхностей рабочей арматуры должна составлять 20 мм. Марки водонепроницаемости и морозостойкости подбираются под каждый типовой проект индивидуально и зависят от эксплуатационных условий и климатических особенностей в регионе строительства.
Для армирования конструкций используются сетки и отдельные стержни. Производство сеток осуществляется с помощью горячекатаной стержневой стали класса AI по ГОСТ 5781-61. Дополнительно используется холоднотянутая обыкновенная проволока класса B-I по ГОСТ 6727-65. Сборка сеток производится многоэлектродными точечными машинами контактной сваркой. Обязательна антикоррозионная обработка металлических частей.
Допустимые отклонения и геометрические параметры подробно прописаны в Серии 3.900-2. При проведении испытаний важно оценить прочность и качество поверхностей. Элементы, соответствующие нормативным требованиям и эксплуатационным характеристикам, снабжаются специальной подтверждающей документацией.
Транспортировка и хранение
Складирование и транспортировка элементов прямоугольных лотков ЛП 5-30 должны осуществляться в горизонтальном положении. Деревянные подкладки необходимо размещать возле монтажных петель. Величина подкладочного материала должна превышать высоту строповочных петель минимум на 2 см.
Для реализации погрузочно-разгрузочного комплекса работ в теле конструкции в верхней части предусмотрены петли. Подъём элементов необходимо производить с помощью специальных траверс, препятствующих передачи распора на стенки изделия, обеспечивая горизонтальное положение. При перевозке важно позаботится о надежной фиксации конструкций.

