О товаре:
- Длинна: 1800 мм.
- Ширина: 800 мм.
- Высота: 1500 мм.
- Вес: 3400 кг.
- ГОСТ, Серия: Шифр 537рч скачать
- Объем бетона: 1,42 м3
- Геометрический объем: 2,16 м3
Стандарт изготовления изделия: Шифр 537рч
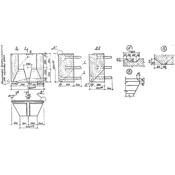
Блоки контурные Б 1-180-5 м– изделия, имеющие трапециевидную форму с прямоугольным поперечным сечением. В конструкции расположено несколько петель для удобства монтажа и транспортировки. Шифр 537рч включает в себя блоки различных конструктивных особенностей, позволяющих проектировать опоры обтекаемой и необтекаемой форм.
Унифицированные высокопрочные контурные блоки широко используются при проектировании и строительстве опор под железнодорожное полотно на прямых участках пути. Допускается применение на кривых путевых участках с радиусом 300 м и больше. Элементы запроектированы под разрезные балочные пролетные строения по разнообразным типовым проектам. Разработано три типа элементов конструкций (рядовые, переходные, концевые) для сборки всевозможных сборно-монолитных опор. Конструкции рассчитаны на применение в обычных климатических условиях и в районах, подверженных постоянному воздействию водотоков, в том числе ледохода. Изделия разрабатывались с учетом рекомендаций СНиП II - Д.7-62, СН 200-62, СН 365-67.
Расшифровка маркировки
Для удобства ориентирования при подборе необходимых по типовому проекту конструкций, на поверхности блоков наносятся специальные маркировочные обозначения. Согласно Шифру 537рч совокупность символов Б 1-180-5 м имеет следующую трактовку:
1. Б – тип конструкции – контурный блок;
2. 1 – положение элемента в плане (1 – рядовой, 2 – переходный, 3 – концевой);
3. 180 – размер изделия в плане по лицевой поверхности опоры;
4. 5 – индекс климатических и гидрологических условий применения блока (подробно прописаны в Таблице №3 Шифр 537рч).
Дополнительно указывается штамп отдела технического контроля, дата, номер партии и информация о производителе.
Материалы и производство
В качестве основного материала для производства контурных блоков Б 1-180-5 м выступает тяжелый бетон марок: М300, М400 и М600. Марки бетона по водонепроницаемости и морозостойкости зависят от эксплуатационных и климатических условий. В зависимости от их суровости допустимы следующие значения: W4, W6, W8, F200, F300, F400 и F500.
Для придания дополнительной прочности конструкции используются пространственные каркасы и сетки, выполненные из стали класса AII по ГОСТ 5781-82 марки 10ГТ по ГОСТ 380-71. Арматурная сталь класса AI, применяемая для изготовления дополнительных металлических составляющих, различается по маркам: ВСт3пс2 – используется при обычных климатических условиях, ВСт3сп2 – в суровых. Для обеспечения защиты от коррозии обязательна обработка специальными составами в соответствии с требованиями СНиП 2.03.11-85.
Величины допустимых отклонений прописаны в нормативном документе – Шифр 537рч. Геометрические характеристики должны соответствовать рабочим чертежам. По итогам испытаний и проверок выдается сертификат соответствия, подтверждающий качество и эксплуатационные свойства.
Транспортировка и хранение
При транспортировке и хранении важно учитывать геометрические особенности конструкций. Укладка должна осуществляться на ровное основание с обязательной прокладкой изолирующего материала. Выступающие элементы должны быть защищены дополнительными деревянными прокладками, превышающими высоту выступающих частей минимум на 3 см.
Транспортировку элементов необходимо производить с соблюдением правил и норм по техники безопасности. Конструкции необходимо тщательно закреплять в кузове грузового автотранспортного средства для предотвращения смещения. Погрузочно-разгрузочные работы следует проводить за строповочные петли с помощью специализированной техники.

