О товаре:
- Длинна: 2700 мм.
- Ширина: 2100 мм.
- Высота: 2400 мм.
- Вес: 9925 кг.
- ГОСТ, Серия: Серия 1.412.1-4 скачать
- Объем бетона: 3,97 м3
- Геометрический объем: 13,608 м3
Стандарт изготовления изделия: Серия 1.412.1-4
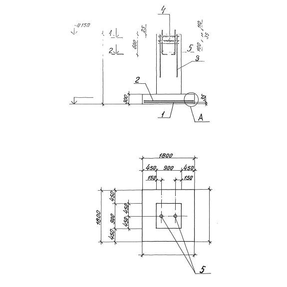
Фундаменты монолитные ФФ 4-3 – железобетонные сборные изделия, имеющие форму прямоугольной плиты с размещенным на ней вытянутым вверх блоком квадратного сечения. В поперечном сечении конструкция напоминает перевернутую букву «Т». Выполняются из двух частей: плиты и подколонника.
Унифицированные железобетонные монолитные фундаменты применяются при строительстве производственных зданий сооружений. Используются на естественных основаниях под железобетонные стойки фахверка. Они закладываются в грунт и служат основой будущему сооружению. Подходят для районов с давлением грунтов на основание от 15 до 60 тс/м2. Допускается использовать на территориях с сейсмичностью до 9 баллов по шкале Рихтера. Не подходят для применения на вечномерзлых грунтах и в районах горных выработок. Разрабатывая проект застройки с учетом агрессивности среды необходимо учитывать требования СНиП II-28-73.
Расшифровка маркировки
На конструкции принято наносить маркировочные обозначения, упрощающие процесс сортировки и поиска. В ряде конструкций маркировка бывает условной, несущей информативный характер, позволяя подбирать необходимые элементы под конкретный проект из соответствующей документации. Согласно Серии 1.412.1-4 цифровые и буквенные индексы ФФ 4-3 будут иметь следующее значение:
1. ФФ – тип изделия – фундамент фахверковый;
2. 4 – типоразмер, зависящий от размеров подошвы;
3. 3 – типоразмер, зависящий от высоты конструкции.
Материалы и производство
Изготовление монолитных фундаментов под колонны фахверков ФФ 4-3 осуществляется из тяжелого бетона марки М150 по прочности на сжатие. Бетон должен соответствовать требованиям ГОСТ 7473-76. Показатели морозостойкости и водонепроницаемости подбираются индивидуально в зависимости от климатических особенностей района застройки. Защитный слой бетона принят на отметке 35 мм.
Арматурные каркасы изготавливаются из плоских сварных сеток. Для увеличения несущей способности применяются вертикальные сетки, укладываемые вдоль граней, перпендикулярных направлению горизонтальных реакций от фахверковых колонн. За основу берется сталь классов AI и AII по ГОСТ 5781-75 и AIII по ГОСТ 5.1459-72. Обязательна антикоррозионная обработка металлических элементов. Фундаменты проходят дополнительную гидроизоляционную обработку, предохраняющую конструкции от вредного воздействия грунтовых вод.
Контроль качества изделий происходит путем проведения испытаний на прочность и трещиностойкость. Геометрические размеры необходимо сверять в соответствии с рабочими чертежами Серии 1.412.1-4. Изделия с оголенным армированием, сколами, трещинами и другими повреждениями не допускаются в эксплуатации и должны отбраковываться.
Транспортировка и хранение
Монолитные фундаменты под колонны фахверков ФФ 4-3 являются негабаритными изделиями и не пригодны к транспортировке. Складирование для них не предусмотрено. Их сборка производится непосредственно на месте застройки здания. На заранее выровненном заглубленном участке формируется бетонное основание толщиной 100 мм из бетона марки М50. Допускается транспортировка пространственных каркасов, предназначенных для производства монолитных фундаментов с обязательным сохранением геометрических характеристик. Подколоник формуется на поверхности установленной плиты. Важно соблюдать технику безопасности и точность геометрических форм при формовке конструкций на месте застройки. От этих параметров зависит долговечность и надежность строящегося объекта.

