О товаре:
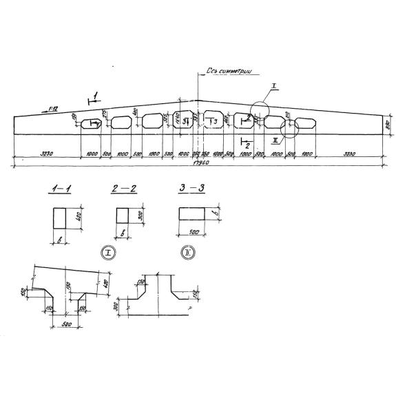
- Длинна: 17960 мм.
- Ширина: 200 мм.
- Высота: 1640 мм.
- Вес: 8400 кг.
- ГОСТ, Серия: Серия 1.462.1-3/80 скачать
- Объем бетона: 3,46 м3
- Геометрический объем: 5,8909 м3
Стандарт изготовления изделия: Серия 1.462.1-3/80
Балка двускатная решетчатая 1БДР 18-4 АVт (1.462.1-3/80) – строительный материал, который используют при покрытии одноэтажных зданий и сооружений с пролетами 12 и 18 м. В конструкции здания балка 1БДР 18-4 АVт (1.462.1-3/80) несет нагрузку и передает ее на другие элементы (стены, колонны). Свое название балка получила исходя из своего вида она имеет два ската и симметричные отверстия от того и называется двускатная решетчатая балка. Сквозные отверстия предусмотрены для уменьшения массы балки, но благодаря армированию напряженной арматурой балка 1БДР 18-4 АVт (1.462.1-3/80), может выдерживать большие нагрузки. Выпуск балок регламентирует Серия 1.462.1-3/80. Допускается использование таких изделий для покрытия отапливаемых и неотапливаемых помещений. Возможно эксплуатация в слабо- средне агрессивных и агрессивных газовых средах, в районах сейсмичностью до 9 баллов включительно. Данные изделия можно отнести к огнестойким.
Расшифровка маркировки
Каждое изделие имеет свое условное обозначение в виде комбинации цифр и букв. Из маркировки можно узнать тип балки, ее длину, порядковый номер несущей способности, армирование, а также дополнительные характеристики. Рассмотрим маркировку балки 1БДР 18-4 АVт (1.462.1-3/80):
1. 1 – типоразмер балки;
2. БДР – балка двускатная решетчатая;
3. 18 – длина, (в дм);
4. 4 – нагрузка;
5. AV – класс арматуры;
6. т - дополнительные характеристики изготовления.
Маркировка наносится на каждое изделие и должна хорошо просматриваться, это значительно упрощает сортировку балок на складе, согласно их типоразмерам.
Материалы и производство
Для производства балок используется бетон и рабочая арматура. Бетон используется тяжелый, возможно использование бетона с пористыми заполнителями. Арматура выбирается исходя из условий эксплуатации изделия. Балки, предназначенные для неагрессивной среды принято армировать сталью класса K-7, AV,AIV для агрессивной Aтп-V,AIV. Извлечение балок из металлической формы допускается, только при условии достижения бетоном отпускной прочности.
Выпущенная партия балок проходит контрольные испытания заводом – изготовителем. Заказчик может провести проверку повторно. В ходе проверок проверяется бетонная поверхность, она должна быть гладкой без видимых трещин, без раковин, геометрия изделия не должна быть нарушена, бетон должен соответствовать заявленным требованиям, также проверяются габаритные размеры и бетонный слой над арматурой. Не допустимы обвалы бетона с оголением арматурных стержней. Поскольку балки могут использовать при разных климатических условиях, необходимо проводить мероприятия по обработке бетона и металла против коррозии.
Каждая партия сопровождается технической документацией, в ней прописаны результаты проверок, проставлены штампы ОТК и завода – изготовителя, указывается масса изделий и дата выпуска партии.
Транспортирование и хранение
Балки следует хранить и транспортировать, соблюдая ГОСТ 13015.4. Балки, которые не прошли контроль и отправлены на ремонт, следует хранить отдельно. Во время складирования и манипуляции, связанные с перемещением балок, необходимо соблюдать технику безопасности и исключить меры, которые могут привести к порче изделий. Между изделиями необходимы инвентарные подкладки толщиной 30 мм. Все балки должны быть уложены таким образом, чтобы просматривались их маркировочные знаки. Во время перевозки обязательна фиксация изделий в кузове транспортного средства, чтобы не допустить продольного или поперечного перемещения. Разгрузку следует осуществлять специально предназначенной техникой, не допуская свободного падения изделий. Монтаж и подъем производить следует за подъемные петли, либо предусмотренные строповочные отверстия.

