

О товаре:
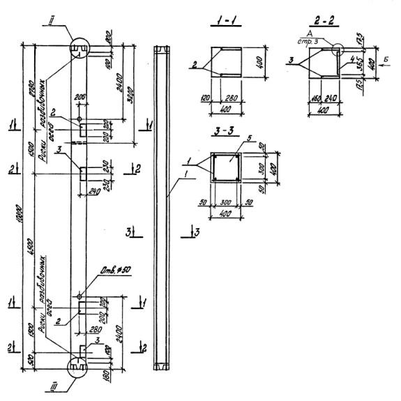
- Длинна: 10800 мм.
- Ширина: 400 мм.
- Высота: 400 мм.
- Вес: 4325 кг.
- ГОСТ, Серия: ТП 901-5-48.90 скачать
- Объем бетона: 1,73 м3
- Геометрический объем: 1,728 м3
Стандарт изготовления изделия: ТП 901-5-48.90
Колонна К 2 (ТП 901-5-48.90) - это железобетонная прямоугольная конструкция вытянутой формы с квадратным сечением. Данные колонные запроектированы сборными. В нижней части конструкции первого яруса предусмотрено устройство пазов для лучшей связи со стаканом фундаментов. Являются элементами ствола водонапорной башни со стальными баками, вместимость которых 500м3. Такие башни применяются для снабжения хозяйственной - питьевой и питьевой водой промышленных предприятий, сельскохозяйственных, противопожарных комплексов, городов. Такие строительные элементы предназначены для использования в зонах с расчетной температурой воздуха до минус тридцати градусов, с сейсмичностью не более шести баллов, с непучинистыми и непросадочными грунтами без грунтовых вод. Колонны К 2 (ТП 901-5-48.90) способны выдерживать многотонные весовые нагрузки и давление грунта, являются высокопрочными, тем самым обеспечивают надежность и безопасность при эксплуатации водонапорной башни.
Расшифровка маркировки изделия
Железобетонные конструкции условно обозначаются марками, состоящими из буквенно - цифровых кодов, разделяемые дефисом. Марки должны соответствовать рабочим чертежам и выдерживаться в заказах, в спецификациях, на самих изделиях, внесение в них изменений не допускается. Маркировка колонны К 2 (ТП 901-5-48.90) имеет следующие значения:
1. К - колонна,
2. 2 - индекс, характеризующий несущую способность.
Маркировочные надписи следует наносить на боковую грань колонны стойкой, стойкой к истиранию краской и должны в себе содержать следующие сведения: марка изделия и завода - изготовителя, дата выпуска, печать ОТК.
Материалы и производство
Сборные колонны К 2 (ТП 901-5-48.90) надлежит изготавливать в заводских условиях с соблюдением стандартов и требований, прописанных в ТП 901-5-48.90. Для их производства следует применять тяжелый бетон класса В35, В40 по прочности на сжатие. Марка бетона по морозостойкости устанавливается проектной организацией и принимается не ниже F75 при температуре до -20 градусов, при температуре от -20 до -30 градусов не ниже F100.
Регламентировано армировать колонны плоскими и пространственными каркасами, которые значительно увеличивают несущую способность изделий за счет восприятия растягивающих напряжений. Изготовление каркасов и сеток должно проводиться с использованием контактной точечной сварки. В качестве арматуры запроектирована сталь класса АIII. Для защиты лицевых поверхностей закладных изделий от пагубного влияния коррозии, следует проводить их огрунтовку двумя слоями.
Готовые конструкции подвергаются периодическим и приемо-сдаточным испытаниям неразрушительными методами в соответствии с ГОСТ 18105-86. Отклонения по геометрическим параметрам изделий и защитного слоя бетона не должны превышать допустимых значений, указанных в Типовом Проекте изготовления. На поверхностях данного типа железобетонных конструкций не допускаются трещины, кроме усадочных с шириной не более 0,1 мм, обнажения арматуры, ржавые пятна. Качество готовых колонн, их внешний вид должны удовлетворять ГОСТ 13015.1-81.
Хранение и транспортировка
Готовые колонны К 2 (ТП 901-5-48.90) следует складировать рассортированные по маркам в горизонтальном положении, уложенные в штабеля (высота до 2 метров). При перевозке и хранении изделия устанавливаются на подкладки из дерева по плотному и спланированному основанию.
Погрузо-разгрузочный комплекс работ необходимо выполнять при помощи пальцевых захватов, пропускаемых в отверстия, предназначенные для выемки колонн из форм.
Транспортирование конструкций к месту монтажа требуется осуществлять автомобильным транспортом - автопоездами с прицепом или полуприцепом.