О товаре:
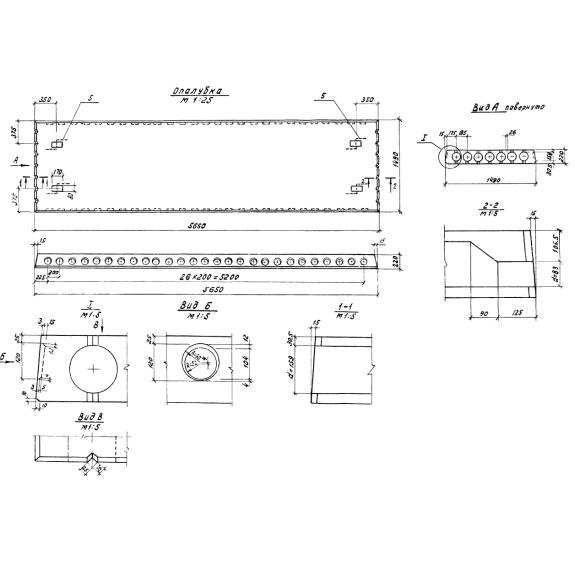
- Длинна: 5650 мм.
- Ширина: 1490 мм.
- Высота: 220 мм.
- Вес: 3200 кг.
- ГОСТ, Серия: Серия 1.041-1 скачать
- Объем бетона: 1,6 м3
- Геометрический объем: 1,8521 м3
Стандарт изготовления изделия: Серия 1.041-1
Многопустотная плита перекрытия ПК 56-24-5 ВрIIп представляет собой прямоугольную железобетонную конструкцию с круглыми пустотами. Такие строительные элементы широко применяются для перекрытия между этажами в зданиях общественного, производственного и административно-бытового назначения. В зависимости от места расположения в каркасе сооружения, плиты подразделяются на рядовые, укороченные рядовые, пристенные, связевые с вырезом и без, устанавливаемые в местах температурно – усадочных швов. Запроектированы изделия для строительства в обычных неагрессивных условиях, допускается их использование в условиях постоянного воздействия температуры до плюс пятидесяти градусов с нормальной влажностью. Основные преимущества данных конструкций: прочность, высокие показатели шумо- и теплоизоляции, поверхности ровные, готовые под декоративную отделку. Пустоты в плитах облегчаю вес изделий, так же они могут использоваться для проведения различного вида коммуникаций. Все это делает плиты перекрытия одним из самых востребованных изделий на строительном рынке.
Расшифровка маркировки
Железобетонные изделия обозначаются марками в соответствии с рабочими чертежами и должны выдерживаться в спецификациях к заказу, на заводе и самих конструкциях. Марки состоят из буквенных и числовых индексов, разделяемых дефисом. Рассмотрим маркировку ПК 56-24-5 ВрIIп, из нее видно, что:
1. ПК – плита круглопустотная,
2. 56 – длина,
3. 24 – ширина,
4. 5 – расчетная нагрузка,
5. ВрII – класс арматуры,
6. п – легкий бетон.
На боковой стороне изделия должны быть нанесены следующие маркировочные значения: марка, товарный знак завода – изготовителя, дата выпуска, масса в килограммах, печать ОТК. Надписи наносятся специальной несмываемой краской яркого цвета при помощи штампов и трафаретов.
Материалы и производство
Стандарты и требования к производству круглопустотных плит ПК 56-24-5 ВрIIп прописаны в Серии1.041-1. Конструкции регламентировано производить в заводских условиях агрегатно - поточным методом. Основной материал изделий - тяжелый бетон с маркой в диапазоне от М200 до М500, так же может быть использован бетон на крупных пористых заполнителях (аглопирит, шлаковая пемза, керамзит) или с плотным мелким заполнителем (кварцевый песок).
Армирование, за счет восприятия растягивающих напряжений, позволяет существенно увеличить несущую способность плит. Нижняя и верхняя части конструкций армируются сварными сетками, пространство между пустотами – сварными каркасами. Сетки, каркасы выполняются из проволоки класса ВрI и стальных стержней класса АIII. Предварительно - напрягаемая арматура запроектирована из стали класса АIV, АтV (в случае ее отсутствия допускается АV), высокопрочной арматурной проволоки класса ВрII.
При формировании изделий один из ее торцов получает усиление из-за снижения диаметра пустоты, а с другого торца пустоты проходят заделку бетонными вкладышами такой же марки, что и конструкция. Заделку необходимо осуществлять после распалубки, но до пропаривания.
Хранение и транспортировка
Многопустотные плиты ПК 56-24-5 ВрIIп следует хранить в рабочем положении, уложенными в штабеля. Для обеспечения целостности конструкциям при складировании и перевозке требуется применять деревянные прокладки. Между слоями в штабеле прокладки необходимо устанавливать строго по вертикали на расстоянии 30 сантиметров от торцов конструкций.
Погрузо-разгрузочный комплекс работ следует осуществлять за строповочные петли, обеспечивая равномерное распределение нагрузки от собственно веса конструкции между 4 петлями.

