О товаре:
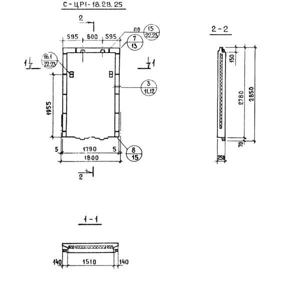
- Длинна: 1790 мм.
- Ширина: 250 мм.
- Высота: 2850 мм.
- Вес: 2185 кг.
- ГОСТ, Серия: Серия 1.117-12с скачать
- Объем бетона: 0,715 м3
- Геометрический объем: 1,2754 м3
Стандарт изготовления изделия: Серия 1.117-12с
Панели стеновые цокольные СЦР 1-18-28-25 – железобетонные изделия прямоугольной формы. В верхней части и по торцевым сторонам элементов расположены выступы (гребни), предназначенные для надежного сопряжения со смежными конструкциями. Ряд изделий запроектирован без выступов, с арматурными выпусками в верхней и нижней частях.
Применяются высокопрочные трехслойные цокольные панели однорядной разрезки при строительстве жилых домов, возводимых на ленточных или сборных фундаментах, и имеющих шаг поперечных стен, равный 2,4-3,6 метрам. Максимальная высота – 9 этажей. Изделия выступают в качестве стеновых элементов каркаса здания и могут иметь проемы, предназначенные для установки дверей и окон. Они прекрасно подходят для застройки сооружений на территориях с сейсмической активностью до 9 баллов. Стеновые панели состоят из трех слоев с жесткими связями и имеют в центральной части утеплитель, позволяющий улучшить теплоизоляционные свойства возводимых объектов. Элементы допускается использовать во II, III и IV климатических районах при расчетных температурах наружного воздуха не ниже -40 градусов.
Расшифровка маркировки
Для упрощения поиска требуемых по условиям типового проекта конструкций были специально разработаны маркировочные обозначения. Они состоят из цифр и букв и наносятся масляной краской на поверхность каждого элемента. Знаки СЦР 1-18-28-25 расшифровываются:
1. С – принадлежность изделия для использования в сейсмических районах;
2. Ц– тип конструкции – наружная цокольная стеновая панель;
3. Р – тип в плане здания (Р – рядовая, Т – торцевая);
4. 1 – группа по характеру применения;
5. 18 – длина;
6. 28 – высота;
7. 25 – толщина.
Дополнительно после буквенного обозначения может проставляться индекс «л», характеризующий зеркальность панели.
Материалы и производство
Изготовление стеновых панелей СЦР 1-18-28-25 должно осуществляться по Серии 1.117-12с. Внутренний, наружный слои и горизонтальное ребро, производятся из тяжелого бетона марки от М150 до М300. Верхние и вертикальные ребра, а также противодождевой гребень следует изготовлять из легкого бетона марки М75. Фактурный слой – М100 или М200. Морозостойкость тяжелого бетона принята на уровне F50, декоративного слоя – F35.
В качестве утеплителя следует использовать минераловатные жесткие плиты по ГОСТ 9573-72 и цементный фибролит по ГОСТ 8927-71.
Изделия армируются пространственными арматурными блоками, выполненными из сварных сеток. Для их изготовления используется сталь класса AIII и проволока BI по СНиП I-B.4-62. Горизонтальные выпуски – AI, вертикальные – AIII. Строповочные петли следует выполнять из стали класса AI марок ВСТ3сп, ВСт3пс2 по ГОСТ 380-71.
К поставкам потребителю допускаются только прошедшие испытания конструкции, удовлетворяющие требованиям нормативной документации. Перед отправкой выписываются специальные сертификаты (паспорта) качества.
Транспортировка и хранение
При хранении панелей на открытых площадках необходимо верхний торец по всей длине оклеить строительной бумагой или рубероидом. Изделия должны складироваться и перевозиться вертикально в специальных кассетах. Для защиты выступающих частей следует использовать деревянные или резиновые подкладки.
Погрузку и разгрузку необходимо осуществлять с использованием траверс, обеспечивающих вертикальное положение панелей (допустимый наклон строп 15 градусов). Важно беречь конструкции от механических повреждений, а арматурные выпуски от деформаций.

