О товаре:
- Длинна: 890 мм.
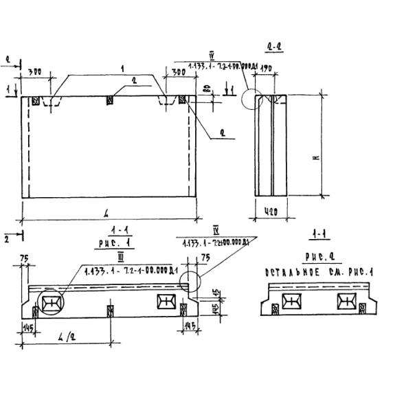
 - Ширина: 420 мм.
 - Высота: 1360 мм.
 - Вес: 640 кг.
 - ГОСТ, Серия: Серия 1.133.1-7 скачать
 - Объем бетона: 0,47 м3
 - Геометрический объем: 0,5084 м3
 
Стандарт изготовления изделия: Серия 1.133.1-7
Блоки наружных стен 2БН 9-14-50-75 п - это индустриальные очень прочные строительные элементы специфической формы, которые используются при возведении жилых зданий, высота которых составляет 1 - 4 этажа, а так же часто применяются при возведении общественных зданий высотой 1-3 этажа, согласно Серии 1.133.1-7. В действующем документе так же представлены рабочие чертежи и изложена основная характеристика деталей. Блоки наружных стен предназначены для выполнения. как несущих, так и ограждающих функций. Что касается данных подоконных блоков, то они необходимы для того, чтобы установить под окном специальные ниши для приборов отопления. Изделия обладают высокой прочностью и надежностью, так как в процессе их производства используется сырье высочайшего и проверенного качества. Огнестойкость изделий составляет 8 часов. Применяются практически во всех климатических средах.
Расшифровка маркировки
Маркировка блоков подоконных состоит из буквенно-цифровых индексов, каждый из которых имеет определенное значение. Серия 1.133.1-7 содержит подробную расшифровку, таким образом на основании действующего норматива рассмотрим значение марки 2БН 9-14-50-75 п:
1. 2БН - блок подоконный
2. 9 - длина изделия;
3. 14 - высота;
4. 50 - ширина;
5. 75 - марка бетона;
6. п - легкий бетон на пористых заполнителях.
На боковой грани железобетонного изделия ставят штамп ОТК, номер партии, вес элемента и указывают логотип предприятия.
Основные характеристики и изготовление
Блоки 2БН 9-14-50-75 п производятся согласно всем требования нормативного документа Серии 1.133.1-7. Для прочной и надежной основы принимается бетон марки М75, а марка наружного отделочного фактурного слоя, запроектирована не ниже М150. Помимо данных марок бетона, разрешается использовать легкий бетон марки М50, но только в том случае, если здание высотой в два этажа. Коэффициент морозостойкости и водонепроницаемости зависит от климатических особенностей района постройки согласно ГОСТ 7025-78 и Серии 1.133.1-7. Изделия армируются сварными стержнями и сеткам, объединенными в пространственный каркас. Применяется арматурная сталь класса A-I, A-III, а так же используется обыкновенная проволока Bp-I по Серии 1.133.1-7. Наружная поверхность элементов имеет фактурный слой толщиной 30 мм. Чтобы упростить процесс монтажа используются монтажные петли и закладные детали, которые запроектированы из стали класса A-I и A-III. Распалубка и извлечение изделий из формы может производиться только в том случае, если прочность бетона составляет не ниже 80% от проектной марки по ГОСТ 13015.0-81. Все изготовленные блоки наружных стен проходят итоговые проверочные испытания. Особое внимание уделяется их внешнему виду, поэтому в результате обнаружения брака, изделия отправляются на ремонт, а те, что в идеальном состоянии снабжаются сертификатом соответствия.
Транспортировка и хранение
Складирование подоконных блоков 2БН 9-14-50-75 п производится на специально отведенной территории в рабочем положении, в штабеля высотой не более 2,5 м. Все индустриальные изделия в обязательном порядке должны быть разложены по маркам. Транспортировка осуществляется на специализированном транспорте, блоки следует укладывать в вертикальном положении, заранее надежно их закрепив, чтобы избежать механических повреждений во время движения транспорта. Погрузка и разгрузка элементов, осуществляются с помощью специализированной техники. Все манипуляции, которые осуществляются с готовой железобетонной продукцией, следует проводить с особой аккуратностью и соблюдением правил техники безопасности, ведь качество поставляемых блоков к заказчику, зависит так же от условий хранения и транспортировки.

