О товаре:
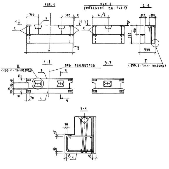
- Длинна: 880 мм.
 - Ширина: 500 мм.
 - Высота: 580 мм.
 - Вес: 270 кг.
 - ГОСТ, Серия: Серия 1.133.1-7 скачать
 - Объем бетона: 0,19 м3
 - Геометрический объем: 0,2552 м3
 
Стандарт изготовления изделия: Серия 1.133.1-7
Блоки наружных стен 4БН 9-6-50-75 п - являются универсальными изделиями, без которых невозможно обойтись при строительстве жилых зданий, высота которых составляет 1- 4 этажа, а так же при возведении общественных зданий высотой 1-3 этажа. Элементы представлены прямоугольной формы с выступающей вперед небольшой частью и не имеющие четвертей. Данный вид блоков, которые получили название – поясные, используются вместо перемычных блоков, в том случае, если стена не имеет проемов. Изделия запроектированы по Серии 1.133.1-7 и используются практически во всех климатических районах. На данный момент блоки наружных стен пользуются широким спросом, так как обладают не только отличным качеством, но и долговечны в эксплуатации.
Расшифровка маркировки
Все железобетонные изделия обладают цифро-буквенными обозначениями, которые раскрывают подробно всю необходимую информацию о данной продукции. Согласно Серии 1.133.1-7 маркировка 4БН 9-6-50-75 п имеет следующую расшифровку:
1. 4БН - поясной блок (4БНЛ - блок поясной лоджий; 4БНУ - поясной угловой; 4БНУЛ - поясной угловой лоджий);
2. 9 - длина;
3. 6 - высота;
4. 50 - толщина;
5. 75 - марка бетона;
6. п - легкий бетон на пористых заполнителях.
Маркировка наносится на элемент несмываемой яркой краской при помощи штампов и трафаретов. Обязательно должна быть указана дата выпуска, логотип предприятия и штамп отдела технического контроля.
Основные характеристики и изготовление
Блоки наружных стен поясные 4БН 9-6-50-75 п выпускаются на современных оборудованных заводах в стальных формах, в соответствии со всеми указаниями и рабочими чертежами, которые представлены в Серии 1.133.1-7. Марка бетона запроектирована М75, а так же действующим нормативом допускается использование легкого бетона. Марка бетона наружного слоя, должна быть назначена не ниже М150. Согласно нормативу допускается использовать марку бетона М50. В процессе производства, используемый материал проходит неоднократные проверки на прочность и качество. Марка морозостойкости и водонепроницаемости бетона устанавливается в зависимости от климатических условий района, в котором планируется возведение сооружения согласно ГОСТ 7025-78. Блоки армируются сварными стержнями и сеткам, объединенные в пространственный каркас, путем контактной точечной сварки. Согласно Серии 1.133.1-7 принимается арматурная сталь класса A-I, A-III, а так же запроектирована обыкновенная проволока Bp-I. Наружная поверхность деталей имеет фактурный слой толщиной 30 мм. Для быстроты установки, а так же для удобства при транспортировке, применяются монтажные петли, которые запроектированы из стали класса A-I и A-III. Отпускная прочность бетона должна составлять не менее 100% от проектной и только в этом случае блоки готовятся к отпуску. Важным и завершающим этапом является проверка изделий на прочность, трещиностойкость, а так же осматривают их внешний вид, по требованиям ГОСТ 13015.1-81. По итогу всех контрольных проверок, изделиям выписывается технический паспорт. В нем указывают дату выпуска, информацию о сырье и о заводе-изготовителе.
Транспортировка и хранение
Готовые железобетонные изделия должны храниться на складских территориях и как правило, укладываются в штабеля высотой не более 2,5 м. На всех блоках должна отчетливо просматриваться маркировочная надпись. Каждый блок должен быть отдельно уложен на деревянные подкладки толщиной 30 мм. Транспортировка осуществляется на специализированном транспорте с использованием крепежных механизмов, которые защищают детали от повреждений. Погрузка и выгрузка строительного материала должна проводиться с особой осторожностью и с соблюдением правил техники безопасности.

