

О товаре:
- Длинна: 2800 мм.
- Ширина: 500 мм.
- Высота: 400 мм.
- Вес: 1400 кг.
- ГОСТ, Серия: Серия 3.402-24 скачать
- Объем бетона: 0,56 м3
- Геометрический объем: 0,56 м3
Стандарт изготовления изделия: Серия 3.402-24
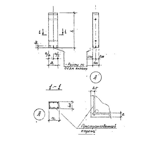
Колонны К 28 (3.402-24) – типовой строительный элемент, который нашел свое применение в конкретных проектах заводов, занимающихся нефтепереработкой. Изделия участвуют в сооружении устойчивых опор. Выпуск колонн регламентирует Серия 3.402-24, она содержит рекомендации по применению. Изделия представляют собой стойку с прямоугольным поперечным сечением. Монтаж колонн производится на цементный раствор М-100 с последующей приваркой закладных деталей. Эксплуатирование конструкций запроектировано в неагрессивной среде газового воздействия. Если строительство планируется в условия воздействия среднеагрессивной или агрессивной среды, дополнительно разрабатываются мероприятия по защите элементов.
1.Расшифровка маркировки
На проектных документах колонны обозначаются маркировкой. Маркировка - это условное обозначение изделия, построенное на основании основных характеристик. Рассмотрим расшифровку марки К 28 (3.402-24) где:
1. К - тип конструкции - колонна;
2. 28 - принятый типоразмер.
Маркировочное обозначение наносится на каждый элемент при помощи трафарета и несмываемой краски.
2.Материалы и производство
Выпуск колонн осуществляется в заводских условиях. Производственный процесс происходит с соблюдением техники безопасности и правил производственной санитарии. Все материалы, из которых изготавливаются элементы, имеют сертификаты подтверждающее их качество. Формование элементов осуществляется с применением металлической опалубки. Перед использованием металлическая форма должна быть зачищена от бетонных остатков и смазана солидолом. Перед бетонированием в форму устанавливается конструктивная арматура. Армирование колонн запроектировано пространственными каркасами, которые собираются из плоских сварных сеток, отдельных стержней и закладных деталей. Перед установкой арматурного каркаса в форму, проверяется точность его сборки и окончательная фиксация всех временно закрепленных деталей. Особая точность соблюдается при установке анкерных болтов. Основными материалами производства колонн, является тяжелый бетон марки М-200, стержневая сталь класса AIII и AI и сортовой прокат стали класса ВСт.3кп2. Дополнительные требования к марке бетона по водонепроницаемости и морозоустойчивости принимаются исходя из климатических условий будущей стройки. Распалубирование конструкции производится только после достижения бетоном 70% прочности. Отрыв от опалубки производится за две точки при помощи траверсы и вспомогательных пальцев, пропущенных через трубки. Все выступающие металлические элементы изделий, обрабатываются защитным покрытием против коррозии.
Перед отправкой колонн к месту строительства, они проверяются изготовителем на качество. Контролируется проектное расположение закладных деталей, толщина защитного бетонного слоя поверх рабочей арматуры, качество бетонной поверхности. К заказчику элементы поставляются в сопровождении паспорта качества, который должен быть подписан начальником ОТК.
3.Транспортировка и хранение
Складируют элементы, на складе готовой продукции. Колонны хранят в горизонтальном положении, уложенные в невысокие штабеля. Между изделиями необходимо прокладывать инвентарные изделия, чтобы исключить порчу продукции. При транспортировании колонны необходимо фиксировать в кузове транспортного средства, чтобы исключить их непроизвольное движение. При погрузке, разгрузке и монтаже следует исключить, действия, которые могут привести к нарушению целостности изделий.