









О товаре:
- Длинна: 1200 мм.
- Ширина: 1200 мм.
- Высота: 915 мм.
- Вес: 750 кг.
- ГОСТ, Серия: Серия Б3.003.1-1 скачать
- Объем бетона: 0,31 м3
- Геометрический объем: 1,3176 м3
Стандарт изготовления изделия: Серия Б3.003.1-1
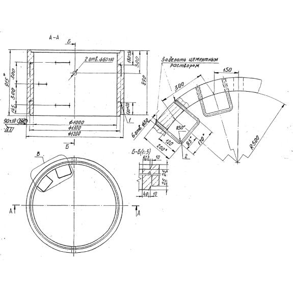
Кольца стеновые КСф 10-9 Н(Б) (Б3.003.1-1) - высокопрочные железобетонные изделия. По форме конструкция представляет собой цилиндрический полый стакан. Отличительной особенностью строительных элементов является наличие фальцевых стыков, обеспечивающих герметичное сцепление со смежными конструкциями. В Серии Б3.003.1-1 допускается производство колец конической формы - верхняя часть изделия сужается постепенно от основания к противоположному торцу.
Основным предназначением конических и цилиндрических стеновых колец является строительство смотровых колодцев самотечных канализационных коллекторов. Минимальный диаметр возводимых сооружений составляет 800 мм, размер горловины 700 мм. Благодаря возможности совместного использования цилиндрических и конических колец существенно уменьшаются расходы на применение дополнительных строительных материалов и других доборных элементов при сооружении колодезных построек. Изделия относятся к элементам заглубленных сооружений, что допускает вероятность наличия грунтовых вод в зоне эксплуатации. При наличии агрессивных по отношению к бетону веществ в месте застройки необходимо позаботится об обеспечении дополнительной защиты с учетом СНиП 22.03.11-85. По геометрическим параметрам конструкции соответствуют классу Б по СТБ 1077-97. При разработке элементов учитывались требования Шифр 95-162 КЖ.
Маркировочные обозначения
Наносимые на поверхности маркировочные знаки отражают ключевые особенности конструкций. Они служат для упрощения поиска и сортировки строительных материалов. Совокупность символов КСф 10-9 Н(Б) (Б3.003.1-1) имеет следующую расшифровку:
1. КС - тип изделия, кольцо стеновое;
2. ф - имеет фальцовое соединение;
3. 10 - внутренний диаметр самой широкой части конического кольца;
4. 9 - высота элемента;
5. н - при производстве использовался бетон нормальной проницаемости.
6. б - класс по СТБ 10077-97.
Маркировочные знаки следует наносить несмываемой краской, не допускается их изменять в произвольном порядке.
Особенности производства
По условиям Серии Б3.003.1-1 стеновые кольца КСф 10-9 Н(Б) (Б3.003.1-1) рассчитаны на действие вертикальных и горизонтальных нагрузок, при их определении следует ознакомиться со СНиП 2.03.01-84. Производство цилиндрических колец с диаметрами 700 и 1000 мм осуществляется без использования арматурных сеток из жестких бетонных смесей. Бетон для конструкций должен отвечать классу В25 по прочности на сжатие. Арматурные каркасы для остальных колец следует производить из стержневой стали класса AI по ГОСТ 5781-82. Дополнительно применяется проволока BpI по ГОСТ 6727-80.
Для улучшения распалубки нормативным документом предусмотрено применение технологического уклона (не больше 1:100) путем увеличения толщины стенки любой из поверхностей (верх или низ). Но остальная часть изделия по геометрическим параметрам должна соответствовать рабочим чертежам.
По требованиям потребителя допускается выполнение отверстий в кольцах, предназначенных для ввода и вывода канализационных труб. Все поставляемые строительные материалы снабжаются сертификатами соответствия, подтверждающими качество и пригодность к эксплуатации.
Транспортировка и хранение
Складирование и перевозку стеновых колец КСф 10-9 Н(Б) (Б3.003.1-1) необходимо осуществлять с соблюдением требований и рекомендаций СТБ 1077-97. Укладка производится в рабочем положении на инвентарных прокладках. Максимальная высота изделий в 2 ряда. Толщина подкладок минимум 40 мм, ширина 100 мм.