О товаре:
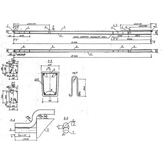
- Длинна: 10500 мм.
- Ширина: 205 мм.
- Высота: 280 мм.
- Вес: 1175 кг.
- ГОСТ, Серия: Арх 9.0274 скачать
- Объем бетона: 0,47 м3
- Геометрический объем: 0,6027 м3
Стандарт изготовления изделия: Арх 9.0274
Стойки СВ 105-3,6 I (Арх 9.0274) представляют собой несущий вертикальный элемент длиной 10,5 и 11 метров, который выполняется из тяжёлого бетона и усилен эффективным армированием. Используется при строительстве распределительных устройств подстанций линий электропередач 4-10 кВ. Стойки эксплуатируют в агрессивных средах, в климатической зоне до минус 50 градусов, а также в зонах с высокой сейсмичностью до 9 баллов. Основными преимуществами элементов являются долговечность, влагостойкость, прочность и стойкость к погодным условиям.
Расшифровка маркировки
Каждое железобетонное изделие в соответствии с рабочими чертежами обозначается маркой, которая состоит из цифирных и буквенных комбинаций и содержит основные характеристики и наименование изделия. На боковую поверхность элементов помимо маркировки наносятся надписи несмываемой устойчивой краской темного цвета: товарный знак, дата выпуска, печать ОТК. Маркировка стойки СВ 105-3,6 I (Арх 9.0274) расшифровывается как:
1. СВ - тип элемента (стойка);
2. 105 - длина (в дм);
3. 3,6 - несущая способность;
4. I - класс напрягаемой арматуры.
Материалы и производство
Изготовление стоек осуществляется на заводе сборного железобетона. Документ, который определяет стандарты и требования к производству стоек является Арх 9.0274. Тяжелый бетон класса В30, применяемый для производства стоек, не обладает достаточной прочностью, поэтому изделия изготавливают с использованием технологий уплотнения бетона в формах. Для уплотнения бетонной смеси используется вибрирование, этот метод уплотнения помогает предотвратить появление пузырей воздуха, делая материал достаточно прочным и влагостойким. Перед бетонированием подготавливают и закладывают арматуру, арматура служит для усиления прочности конструкции. Армируются изделия сварными каркасами. Каркас состоит из предварительно напряженных стержней, которые производятся из стали класса АтVI и спирали (из проволоки ВрI). Напряженный стержень элементов используется для заземления опоры в качестве проводника. После распалубки формы к стрежню приваривается дополнительный заземляющий проводник к верхней части, в нижней части - выпуск. В изделии помимо всего существует закладная деталь - штырь, его основной функцией является сопряжение. Изготовленная партия элементов поступает в отдел технического контроля на основании испытаний на жесткость, прочность, трещиностойкость, в соответствии с требованиями ТУ 3412.11357-18. Все изделия проходят обязательную проверку, поверхность стоек должна быть гладкой и ровной, без сколов и трещин, после чего они подвергаются антикоррозийной обработке и поступают заказчику вместе с техническим паспортом. В котором прописывается дата изготовления, Серия, номер партии, наименование и юридический адрес завода-изготовителя, Технические указания.
Транспортировка и хранение
Хранение стоек СВ 105-3,6 I (Арх 9.0274) происходит на складских территориях в рассортированном виде по типоразмерам и другим характеристикам. Складывают изделия не более девяти рядов в высоту на специальные подкладки, которые выполнены в виде деревянных брусков. Прокладки размещаются между рядами в двух метрах от торцов. Перевозка стоек происходит с помощью железнодорожного и автомобильного транспорта. При перевозке важно обеспечить устойчивость железобетонных изделий, чтобы предотвратить смещение, передвижение и другие негативные последствия. Соблюдение всех правил позволить сохранить изделие в пригодном состоянии.

