О товаре:
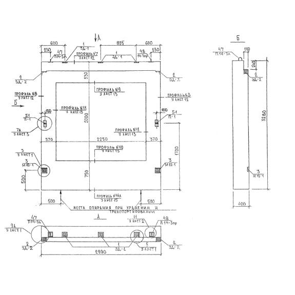
- Длинна: 2990 мм.
- Ширина: 400 мм.
- Высота: 3280 мм.
- Вес: 2940 кг.
- ГОСТ, Серия: Альбом 7РС 41 133 скачать
- Объем бетона: 1,82 м3
- Геометрический объем: 3,9229 м3
Стандарт изготовления изделия: Альбом 7РС 41 133
Панели наружных стен трехслойные 7НС 2 т-2 (Альбом 7РС 41 133) представляют собой унифицированные строительные материалы. Изделия имеют прямоугольную форму и согласно требованиям Альбома 7РС 41 133 могут быть оснащены различного рода проемами, предназначенными под окна. Верхняя продольная грань конструкции может иметь выступ, необходимый для надежного сопряжения со смежными конструкциями в каркасе здания.
Применяются панели наружных стен при строительстве объектов социально-культурного назначения. Конструкции являются несущими стеновыми элементами, и обеспечивает основу фасада здания. Изделия обладают высокими теплотехническими характеристиками и удовлетворяют требования 2 этапа энергосбережения в соответствии с требованиями МНГСН 2.01.99. При разработке и проектировании учитывались требования СНиП 2.03.01-84 и ГОСТ 11024-84.
Маркировочное обозначение
На поверхности конструкции присутствуют знаки, цель которых показать главные характеристики элементов и упростить поиск нужных строительных материалов. Совокупность символов 7НС 2 т-2 (Альбом 7РС 41 133) имеет следующую расшифровку:
1. 7 - отношение к Альбому 7РС 41 133;
2. НС - тип конструкции - панель наружных стен трехслойная;
3. 2 - порядковый номер типоразмера элемента;
4. 2 - характерные отличительные особенности конструкции.
Не допускается вносить произвольные изменения в маркировочные знаки.
Особенности производства
Подробный процесс изготовления стеновых панелей 7НС 2 т-2 (Альбом 7РС 41 133) прописан в нормативном документе Альбоме 7РС 41 133. По условиям регламента следует производить изготовление изделий в горизонтальном положении. Элементы состоят из трех слоев, соединение внутреннего и наружного осуществляется с помощью гибких дискретных связей. Они изготавливаются из проволоки 6.0Т-1-12Х13 по ГОСТ 18143-72. Использование данного типа связи являются весьма целесообразным, так как это позволяет наружному слою свободным деформироваться и воспринимать вес фризовых панелей, а также различные температурные и влажностные воздействия.
Для производства слоев используется тяжелый бетон класса В25, марка по морозостойкости F100. Средняя плотность бетона должна составлять 2000 кг/м3. В качестве утеплителя внутреннего слоя используется плиты из полистирольного пенопласта ПСБ марки 25 толщиной 200 мм по ГОСТ 15588-76. В горизонтальных примыкающих и вертикальных зонах используются подкладки из минераловатных плит толщиной 40 мм по ТУ 5762-010-040001485-96.
Для армирования изделий используются сварные сетки, каркасы и стержни, гибкие дискретные связи. Для производства металлических конструкций применяется горячекатаная сталь класса AI и AIII по ГОСТ 5781-82 и холоднотянутая проволока класса Вр-1 по ГОСТ 6727-80. Качество арматуру составляющих следует сверять по ГОСТ 10922-90. Разрешается использовать класс стали А400с и А500с. Подъемные петли производится AI марки Ст3сп2, либо AcII марки 10ГТ. Закладные детали выполнены из сортового проката марки Ст3кп 2 по ГОСТ 535-88, анкера производится из стали класса AII.
Фасадные лицевые поверхности должны отвечать категории А3 все невидимые глазу поверхности изделий должны отвечать категория А7 в соответствии с требованиями ГОСТ 13015-83.
Транспортировка и хранение
Складирование и транспортировка панелей 7НС 2 т-2 (Альбом 7РС 41 133) должны осуществляться с соблюдением техники безопасности. Перевозка рекомендована на специальных панелевозах с опиранием на внутренний слой. При хранении рекомендуется использовать кассеты, установленные в вертикальное положение. Использование деревянных подкладок под внутренним слоем обязательно. Следует принять меры для предотвращения опрокидывания конструкций.

