

О товаре:
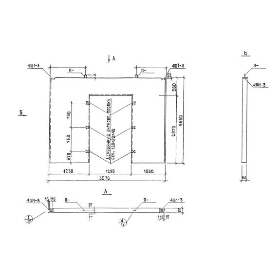
- Длинна: 3570 мм.
- Ширина: 140 мм.
- Высота: 2630 мм.
- Вес: 2160 кг.
- ГОСТ, Серия: Альбом РМ 2283 скачать
- Объем бетона: 0,94 м3
- Геометрический объем: 1,3145 м3
Стандарт изготовления изделия: Альбом РМ 2283
Панели внутренних стен В 1436-6 (Альбом РМ 2283) относятся к группе высокопрочных унифицированных строительных материалов. По внешнему виду изделия представляют собой прямоугольные конструкции сплошного сечения, оснащенные рядом углублений и отверстий, необходимых для образования дверных проемов. На боковых торцах изделия присутствуют шпонки, необходимые для надежного сопряжения элементов в каркасе сооружения.
Применяются унифицированные панели внутренних стен при строительстве многоэтажных жилых домов от двух до девяти этажей в высоту, а также блок-секций. Конструкции используются во внутренней части сооружений и применяются для разграничения и обустройства комнат. Изделия позволяют создать очертания помещений, обладают продолжительным эксплуатационным сроком службы, а также отличаются прочностью и надежностью. При разработке строительных материалов учитывались требования действующих нормативно правовых стандартов.
Маркировочное обозначение
Для простоты обнаружения необходимых строительных материалов на их поверхность наносится шифры, отражающие ключевые характеристики. Совокупность символов В 1436-6 (Альбом РМ 2283) имеет следующую расшифровку:
1. В - тип конструкции - внутренняя стеновая панель;
2. 14 - толщина (см);
3. 36 - длина (дм);
4. 6 - дополнительные конструкционные особенности.
Запрещено вносить корректировки в маркировки, так как это может привести к ошибкам при выборе строительных материалов. Дополнительно следует отражать массу, дату производства и штамп отдела технического контроля.
Особенности производства
Всю подробную информацию по изготовлению внутренних стеновых панелей В 1436-6 (Альбом РМ 2283) можно узнать из нормативного документа Альбома РМ 2283. По условиям регламента в качестве главного материала должен выступать бетон. Марка и класс бетона подбираются исходя из конкретных условий типового проекта, и прописываются в спецификациях. Допускается применение В22,5 и В15 с плотностью 2300 кг/м3. Физико-химические свойства бетона, такие как водонепроницаемость и морозостойкость подбираются индивидуально исходя из климатических условий региона строительства.
Армируются конструкции сварными сетками и каркасами, размещаемыми в опалубочную форму до заливки бетонной смеси. Формовка панелей осуществляется в вертикальном положении. Дополнительно на теле конструкций присутствуют закладные детали, производимые из полосовой стали, а также петли изготавливаемые из стали класса AI. Более подробно информацию о марках стали можно узнать в спецификациях к нормативно правовой документации, прилагаемых к конкретному типовому проекту с учетом точных эксплуатационных условий. Для обеспечения продолжительного срока службы конструкций важно соблюдать проектную величину защитного бетонного слоя до поверхности рабочего армирования.
Перед поставкой конечному потребителю изделия направляются на прямо сдаточные испытания, результаты которых фиксируются в нормативной документации, предоставляемой заказчику.
Транспортировка и хранение
Складирование и транспортировка внутренних стеновых панелей В 1436-6 (Альбом РМ 2283) должны осуществляться с соблюдением правил по технике безопасности. Укладку рекомендуется осуществлять в вертикальном положении в специальных кассетах. Важно обеспечить надежную опору конструкций для предотвращения обвала и размещать подкладочный материал в местах, указанных на рабочих чертежах нормативно правовой документации. Для погрузочно-разгрузочных работ следует применять специализированную технику.