

О товаре:
- Длинна: 5400 мм.
- Ширина: 450 мм.
- Высота: 300 мм.
- Вес: 2270 кг.
- ГОСТ, Серия: Серия ИИС 62 скачать
- Объем бетона: 0,909 м3
- Геометрический объем: 0,729 м3
Стандарт изготовления изделия: Серия ИИС 62
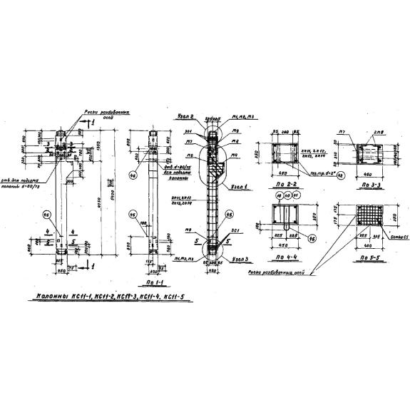
Колонна КС 11-6-1 (ИИС 62)– это вертикальная линейная железобетонная конструкция, высота которой значительно превышает ее поперечное сечение. Для сопряжения с другими элементами сооружения в теле колонны предусмотрены закладные детали. Индустриальные конструкции запроектированы по Серии ИИС 62, в данном документе можно подробно ознакомиться с рабочими чертежами и технологией производства. Благодаря конкретным строительным элементам возводятся, а также укрепляются железобетонные балки, прогоны и другие сопряженные с ними детали. Колонна запроектирована из прочных материалов и служит в основном для восприятия вертикальной нагрузки. Используются в строительстве промышленных трех и четырех этажных зданий без подвалов.
Расшифровка маркировки
Все элементы обозначаются определенными марками, в соответствии с техническими чертежами. Марка состоит из цифирных и буквенных сочетаний. На боковой поверхности каждого изделия должна быть проставлена видимая маркировочная надпись. Расшифровывается маркировка колонна КС 11-6-1 (ИИС 62) следующим образом:
1. КС - тип элемента – колонна;
2. 11 – индекс типоразмера;
3. 6 – нагрузка;
4. 1 – зеркальное изготовление (конструктивные особенности).
Также помимо маркировочного индекса с помощью трафаретов и специальных штампов проставляется дополнительная информация на одной из боковых сторон строительного изделия. Указывают дату производства, краткое наименование завода, на котором изготавливалось данное индустриальное изделие, прописывают массу колонны в килограммах и обязательно ставят штамп отдела технического контроля. Для того, чтобы маркировка на изделии сохранялась долгое время, используют специальную влагоустойчивую краску. Все заводские обозначения строго запрещено изменять.
Основные характеристики и изготовление
Колонны КС 11-6-1 (ИИС 62) необходимо изготавливать в соответствии с Серией ИИС 62. На всех стадиях производственного процесса должен быть обеспечен технологический контроль, а также необходимо соблюдать все требования и стандарты. Изделие изготавливается на основе тяжелых бетонов марок М200-400. Для увеличения прочности используется армирование. Армируются детали сварными сетками и каркасами, изготавливающимися с помощью контактной точечной сварки. В качестве арматуры используется сталь марки 25Г2С. Производство сварных каркасов и сеток осуществляется в соответствии с техническими условиями. Отпуск конструкций потребителю осуществляется по достижении бетоном необходимой отпускной прочности, а именно 70% в летнее время и 100%, как правило, в зимнее время. Все железобетонные детали должны пройти обработку специальным составом, который защищает их от коррозии, тем самым увеличивается их срок службы в несколько раз. Во время итоговых проверок, большое внимание обращают на внешний вид данных строительных конструкций, на их поверхности не должно быть никаких дефектов, все отклонения сравниваются с рабочими чертежами, в результате обнаружения брака элементы отправляют на ремонт, а все остальные получают техническую документацию.
Транспортировка и хранение
Перевозка и складирование исполняется согласно нормативу Серии ИИС 62. Колонны обязательно укладывают с опиранием на подкладки и прокладки в соответствии со схемами в горизонтальном положении в штабеля, высотой не более двух метров. Прокладки должны быть толщиной не меньшей высоты выступающей части подъёмных петель и должны приниматься прочие меры, предохраняющие элементы от различного повреждения. Также колонны необходимо хранить рассортированными по типоразмерам и партиям. Транспортировка осуществляется на специализированном транспорте, который оснащен крепежными механизмами.