

О товаре:
- Длинна: 3400 мм.
- Ширина: 300 мм.
- Высота: 3250 мм.
- Вес: 5500 кг.
- ГОСТ, Серия: Серия 3.501.1-179.94 скачать
- Объем бетона: 2,31 м3
- Геометрический объем: 3,315 м3
Стандарт изготовления изделия: Серия 3.501.1-179.94
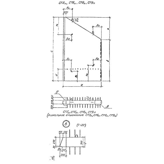
Откосные стенки СТ 5 пл - это строительные материалы из тяжелого конструкционного бетона, армированного металлическим каркасом. Они выглядят как усеченные плиты и служат в качестве опоры для насыпи у оголовков водопропускных труб, которые проводят под автомобильными дорогами. Одна из вертикальных граней снабжена прямоугольным вырезом для стыковки с одноразмерными элементами, а угол наклона верхней грани соответствует углу наклона насыпи.Такие изделия должны отличаться высокой прочностью и надежностью: их устанавливают по бокам от профильных стенок у выхода из трубы, и высокое давление вместе с постоянным воздействием внешней среды может существенно повлиять на долговечность установки. Поэтому производство типовых блоков для таких водопропускных систем осуществляется в полном соответствии с правилами государственных стандартов и технических нормативов. Документом, содержащим все основные требования к качеству блоков для водопропускных труб, выступает действующая Серия 3.501.1-179.94.
1. Варианты маркировки
Маркировка железобетонной продукции служит для нескольких целей: упрощение составления технической документации, удобство при изучении каталогов и простота в сортировке готовой продукции. Обозначение конкретного наименования состоит из буквенно-цифровых символов, объединенных в группы, разделенные дефисами. Откосные стенки СТ 5 пл маркируются несколькими одинаково актуальными вариантами:
1. СТ 5 пл;
2. СТ 5 пл м.
2. Основная сфера применения
Как уже говорилось выше, стенка СТ 5 пл является одним из опорных элементов водопропускных труб, которые прокладываются под автомобильными и железными дорогами для проведения постоянного или переменного водного потока. Они не только сдерживают насыпь и берегут трубу от засорения, но служат в качестве своеобразного направляющего для водных масс. Такие элементы применяются как со стандартными круглыми, так и с прямоугольными дорожными трубами. Они могут стыковаться с любыми типами портальных стенок, образовывая оптимальное выходное отверстие. высокие эксплуатационные характеристики и внушительная сопротивляемость погодным условиям позволяют применять блоки откосных стенок СТ 5 пл во всех климатических зонах страны.
3. Обозначения маркировки изделия
Маркировка элементов для водопропускных труб также определяется Серией 3.501.1-179.94. Группы символов несут в себе информацию о типоразмере блока и его основных технических особенностях. Чтобы лучше ориентироваться в них, рассмотрим как расшифровывается марка стенки СТ 5 пл:
1. СТ - стенка откосная;
2. 5 - типоразмер по несущей способности;
3. пл - геометрические характеристики (правая или левая).
Помимо ключевых, имеются также дополнительные характеристики блоков, на которые следует обращать внимание при выборе строительных материалов. К ним относится следующий набор параметров:
Длина = 3400;
Ширина = 300;
Высота = 3250;
Вес = 5500;
Объем бетона = 2,31;
Геометрический объем = 3,315.
4. Изготовление и основные характеристики
Процесс изготовления блоков откосных стенок состоит из нескольких этапов. Сначала готовят элементы армирования: стержни из высококачественной стали классов
А-І и А-ІІІ соединяют методом контактно-точечной сварки и устанавливают в специальные формы. На основном каркасе также фиксируют закладные изделия для будущего монтажа и строповочные петли. Все стальные детали покрывают дополнительной антикоррозийной защитой. По готовности металлических элементов в формы подают бетонную смесь. При производстве используется тяжелый бетон класса прочности на сжатие В20, что соответствует марке М250. Готовое изделие обладает уровнем W6 по водонепроницаемости и F200-F300 по морозостойкости. Сочетание прочной арматуры и качественного цементного раствора позволяют блокам успешно выдерживать давление грунта и воздействие внешней среды.
После подачи бетона к опалубкам подключают вибростолы. Вибрация ускоряет процесс осадки цемента, он покрывает каркас сплошным равномерным слоем и быстро обретает необходимую консистенцию. Затем сырец поддается термической обработке, так называемой сушке, во время которой бетон достигает отпускной прочности. Наконец заготовки освобождают от опалубков и отправляют на прохождение приемо-сдаточных испытаний, ход которых также строго регламентируется техническими нормативами.
5. Транспортировка и складирование
Основная опасность механических повреждений железобетонной продукции при хранении и перевозке исходит от не достаточного тщательного соблюдения установленных правил безопасности. Блоки СТ 5 пл Серии 3.501.1-179.94 хранятся на специально оборудованных площадках изолированные от фундамента и соседних изделий деревянными досками. Обязательным условием успешной транспортировки является жесткая фиксация с помощью стальных лент или проволоки.