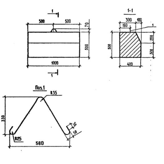
О товаре:
- Длинна: 1183 мм.
- Ширина: 600 мм.
- Высота: 800 мм.
- Вес: 1400 кг.
- Объем бетона: 0,56 м3
- Геометрический объем: 0,5678 м3
Блок упора У 1 (инд.) был разработан как несущее железобетонное изделие, форма которого обеспечивает максимальную надежность укрепляющих дорожные насыпи установок. Конструктивно такие элементы представляют собой массивные параллелепипеды со скошенной верхней гранью. Они используются в качестве основания для решетчатых или сплошных плит. Подобные установки обеспечивают безопасность автомобильных дорог, обустроенных на насыпях с большим уклоном, и существенно продлевают срок их службы. Применение современных технологий изготовления и соответствие всем отечественным и зарубежным стандартам качества максимизирует надежность этих блоков, а также позволяет им применяться даже в условиях сурового климата.
1. Варианты маркировки
Марка железобетонного изделия – это его имя, полученное при выпуске. Она помогает ориентироваться в технической документации и может писаться разными способами. В случае блоков упора маркировочные обозначения выглядят следующим образом:
1. У 1;
2. У-1;
3. У 1 (инд.).
2. Основная сфера применения
Типовые конструкции для укрепления дорог применяются далеко не везде. Актуальность их эксплуатации зависит от таких факторов, как угол наклона откоса, геотехнические свойства грунтов, режим подтопления, погодные условия и многое другое. В основном, блоки У 1 (инд.) служат для укрепления насыпей и выемок, обеспечивая надежность оных на протяжении всего срока службы автомобильной дороги. Однако они нередко используются и при обустройстве различных каналов, водопропускных труб, мостов, кюветов, гидротехнических каналов и прочего. Данные изделия изготавливаются в соответствии с будущими условиями применения. Их эксплуатационные характеристики могут варьироваться для разных климатических поясов, или для районов с агрессивной и неагрессивной газовой средой. В любом случае, обустроенные с помощью таких ЖБИ укрепляющие установки пользуются большой популярностью практически на всей территории нашей страны.
3. Обозначения маркировки изделия
Итак, марка – это наименования железобетонного изделия. Как правило, она состоит из нескольких буквенных и цифровых символов, указывающих на основные технические особенности ЖБИ. Уникальные в своем роде блоки упора обозначаются довольно лаконично. Расшифровка их марки очень проста:
1. У – блок упора;
2. 1 – порядковый номер типоразмера.
При выпуске готовых партий строительных материалов на их поверхность стойкими красками наноситься сама марка, дата изготовления, торговый знак или название компании-производителя и дополнительные характеристики, включающие вес и габариты изделия. Ниже представлены полные размерные показатели для конкретного наименования У 1 (инд.):
Длина = 1183;
Ширина = 600;
Высота = 800;
Вес = 1400;
Объем бетона = 0,56;
Геометрический объем = 0,5678.
4. Изготовление и основные характеристики
Как унифицированный строительный материал, железобетонный блок упора изготавливается согласно с правилами и предписаниями соответствующего нормативного документа. Таким нормативом выступает действующая Серия 3.503.9-78. Этот типовый проект регламентирует все этапы производства укрепляющих блоков. Большое внимание уделяется выбору сырья для изготовления. Класс бетона по прочности должен отвечать уровню В15, а марка водонепроницаемости достигает уровня W6, чтобы изделия можно было использовать под постоянным воздействием влагонасыщенных грунтов. Для особо агрессивных сред применяются блоки со специальным гидрофобным и защитным покрытием. Армируют такие изделия тремя сетками, расположенными на разных уровнях. Сетки соединяют прочными арматурными стержнями. Такой каркас обеспечивает высокую несущую способность блоков, то есть отвечает за выдерживание нагрузок. Готовые элементы спокойно переносят от 200 до 300 полных циклов замораживания и оттаивания, хорошо противостоят вредоносным воздействиям осадков и абсолютно лишены восприимчивости к коррозийным процессам. Для безопасной транспортировки в тело блоков закладывают несколько строповочных петель, а основной технологией изготовления служит виброформование. Перед тем как попасть на строительную площадку, каждый отдельный блок упора У 1 (инд.) проходит ряд приемо-сдаточных испытаний. Его проверяют на наличие положенной прочности и трещиностойкости, а также убеждаются в отсутствии на поверхности недопустимых изъянов.
5. Транспортировка и хранение
Транспортировка и хранение изделий данного типа предусматривают применение прокладочных материалов. Чаще всего используются деревянные доски, высота которых превышает высоту строповочных петель. Блоки упора У 1 (инд.) надежно фиксируют при перевозке, а для хранения сортируют по типоразмерам и датам выпуска, устанавливают в штабеля не выше 2,5 метров (согласно Серии 3.503.9-78) и послойно прокладывают вышеописанными досками. Погрузочные работы осуществляются только с помощью подъемной техники специально обученным персоналом.

