

О товаре:
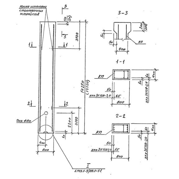
- Длинна: 14250 мм.
- Ширина: 800 мм.
- Высота: 400 мм.
- Вес: 11500 кг.
- ГОСТ, Серия: Серия 1.423.1-5/88 скачать
- Объем бетона: 4,6 м3
- Геометрический объем: 4,56 м3
Стандарт изготовления изделия: Серия 1.423.1-5/88
Колонны 3К 138-2 м4 – железобетонные элементы одноэтажных зданий с высотой этажа до 13,8 метра. Конструктивно изделие представляет собой монолитный стержень прямоугольного сечения, размер которого рассчитывается в соответствии с высотным промежутком. На нижней грани имеется выемка для безвыверочного монтажа. Бесстыковые колонны данной марки монтируют совместно с одноразмерными фундаментными конструкциями (выполняется защемление в фундаментном стакане), стропильными и подстропильными балками, плитами покрытия, стальными связями и распорками – все они образуют каркас здания.
Основное предназначение – воспринимать вертикальные нагрузки от вышерасположенных частей строения (в расчет берут фонари) и равномерно перераспределять их на основание. Расчетные параметры прочности составляют до 43 тс.
1. Варианты написания маркировки
Знаки условного обозначения записывают разными вариантами:
1. 3К 138-2 м4;
2. 3К 138.2 м4.
3. Основная сфера применения
Железобетонные колонны 3К 138-2 м4 используют в строительстве зданий и сооружений с панельными самонесущими, навесными из панелей, а также кирпичными и блочными стенами. Шаг колонн составляет 6 и 12 м, при этом один пролет строения может достигать 18, 24, 30 и 36 м, количество пролетов – до 8. Не допускается выполнять какие-либо надстройки (монтаж одной колонны на другую). Соединение каркаса выполняется при помощи болтов и сварки стальных закладных деталей с последующим омоноличиванием стыка цементным раствором высокой прочности.
Допускается эксплуатировать бесстыковые колонны в слабо- и среднеагрессивных средах, в регионах со снеговой и ветровой нагрузкой I-IV уровня, а также в районах с расчетной сейсмичностью до 6 баллов включительно по шкале Рихтера. Установка колонн в конкретном объекте подкрепляется прочностными и технико-экономическими расчетами.
4. Обозначение маркировки
Маркировочные знаки состоят из буквенно-цифрового обозначения, в котором указывают ключевые данные, позволяющие рассортировать готовую продукцию по видам и маркам. Указывают дополнительно краткое наименование изготовителя, дату производства и вес изделия. Шифр обозначения стоит искать на боковой грани ближе к концу стержня, его наносят черной нестираемой краской.
Маркировка 3К 138-2 м4 содержит следующие данные:
1. 3 – типоразмер;
2. К – колонна, тип конструкции;
3. 138 – высота этажа объекта, указывается в дц и округляется до целого числа;
4. 2 – группа несущей способности;
5. м4 – марка бетона в сокращенном обозначении.
Технические характеристики:
Длина = 14250;
Ширина = 800;
Высота = 400;
Вес = 11500;
Объем бетона = 4,6;
Геометрический объем = 4,56.
5. Основные материалы для применения
Колонны 3К 138-2 м4 изготавливают согласно условиям действующих стандартов и регламентов. Для изготовления применяют конструкционные бетоны класса прочности В30 и выше. К материалам предъявляются жесткие требования к качеству по морозостойкости, водонепроницаемости и трещиностойкости, так как эксплуатация изделий может производиться в средах различной степени агрессивности, а также в условиях разрушающих нагрузок, в том числе при вдавливаниях и сжиманиях. Для колонн, устанавливаемых в отапливаемых зданиях, устанавливается минимальная стойкость к действию отрицательных температур – 50 циклов замораживания-размораживания. Минимальный предел огнестойкости бетона составляет 2,5 часа.
Повышенная прочность и значительная несущая способность колонн достигается при армировании элементов стальными конструкциями упрочненной арматурой класса стали А-100, А-300, для поперечной вязки используется горячекатаная проволока класса Вр-1. Каркасы изготавливают из отдельных прутков, замкнутых хомутов, различных закладных деталей и сеток косвенного армирования. Соединение выполняется контактной точечной сваркой с образованием двухстороннего сварного шва. Для удобства перемещения колонн с одного объекта на другой имеются монтажные петли. Стальные узлы должны быть защищены от коррозии. Для этого поверхность окрашивают цинконаполненными красками и прочими составами.
5. Транспортировка и хранение
Колонны 3К 138-2 м4 транспортируют в рабочем горизонтальном положении. Используют длинномерный автомобильный спецтранспорт повышенной грузоподъемности. Допускается перевозить ЖБИ железнодорожными или водными платформами. Погрузо-разгрузочные работы проводятся спецтехникой с соблюдением техники безопасности и мер предосторожности. Все операции выполняют максимально аккуратно, исключая навал, сброс и перемещение балок волочением, которые приводят к неизбежной порче бетонной поверхности.
Складируют колонны штабелями высотой до 2 метров. Элементы располагают из расчета их удобного и свободного захвата грузозахватными механизмами подъемного крана. Подъем осуществляется только после надежной строповки монтажных петель балок с грузозахватными механизмами (траверсы, самобалансирующиеся стропы и прочие устройства). Не допускается применять для такелажа стальные троса и цепи.