

О товаре:
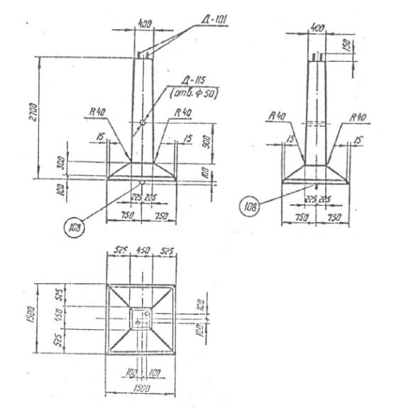
- Длинна: 1500 мм.
- Ширина: 1500 мм.
- Высота: 2700 мм.
- Вес: 1975 кг.
- ГОСТ, Серия: Серия 3.407.1-144 скачать
- Объем бетона: 0,79 м3
- Геометрический объем: 6,075 м3
Стандарт изготовления изделия: Серия 3.407.1-144
Фундамент под стальные опоры Ф 1,5-1,5-2 - высокопрочное изделие, выполненное из железобетона. Данное изделие разработано для устойчивости опор выполненных из металла. Конструктивный элемент представляет собой сборный подножник. Данная строительная единица состоит из двух частей: стойки и плиты. Изделие собирается непосредственно на месте строительства, посредством горизонтальных выступающих элементов, которые располагают в двух пазах, образуемых между углами закладных изделий плиты и стойки.
Рабочие чертежи и рекомендации по эксплуатированию фундамента содержит Серия 3.407.1-144. Согласно, нормативного документа, разработано несколько типов фундаментов.
1.Расшифровка маркировки
Марка изделия - это его условное обозначение. Она представляет собой буквы и цифры разделенные дефисом. Каждый знак несет характерную информацию об изделии. Рассмотрим расшифровку марки изделия на примере фундамента Ф 1,5-1,5-2 где:
1. Ф - название элемента - фундамент;
2. 1,5 - длина основания (в м.);
3. 1,5 - ширина основания (в м.);
4. 2 - фундамент с двумя болтами.
Для удобства сортирования готовых изделий на складе, маркировочные обозначения наносятся на каждый фундамент темной несмываемой краской. Помимо маркировки проставляется масса элемента в кг., дата изготовления, штампы производителя и ОТК.
2.Материалы и производство
Выпускаются конструкции на заводе сборного железобетона. Материалы, которые используются при изготовлении фундаментов, проверяются на соответствие техническим нормам. Бетонирование осуществляется тяжелым бетоном классом по прочности на сжатие В30, по морозоустойчивости не менее F150, и водонепроницаемости не ниже W4. Дополнительные требования к бетону принимаются исходя из климатических условий строительства. Цемент и инертные заполнители для приготовления бетонной смеси должны соответствовать ГОСТу 13015.0-83. Прочность изделия и его долговечность достигается посредством заложения каркаса из стальных прутов, которые собирается из сварных плоских сеток. В качестве рабочей арматуры используется горячекатаная стержневая сталь классов AIII и AI по ГОСТ 5781-82. Для сопряжения отдельных элементов закладываются стальные закладные детали и анкерные болты. Элементы сборного фундамента изготавливаются в металлической опалубке. Перед заливкой бетона металлическая форма смазывается солидолом или другой масленой основой. Распалубирование и транспортирование изделий осуществляется после достижения бетоном 100% прочности в зимний период, и 75% прочности в летний период.
Готовые сборные конструкции должны быть прияты техническим контролем производителя. Контролируется соответствие изделия рабочим чертежам. Проектные размеры должны отличаться не более чем на +- 10 мм. по длине и ширине плиты, +- 6 мм по толщине колонны, +-3 мм. по размещению анкерных болтов. По результатам проверки выдается паспорт качества, он гарантирует заказчику получение качественной продукции.
3.Транспортировка и хранение
Складирую изделия на складе готовой продукции. Фундаменты следует хранить рассортированные по типу и дате выпуска. Изделия укладывают в горизонтальное положение с опорой на деревянные инвентарные прокладки. Толщина прокладки должна быть не менее 30 мм. Необходимо обеспечить проезд к изделиям. Комплекс погрузочно-разгрузочных работ, а также монтажа производится с исключением свободного падения изделий и перемещения волоком. При перевозке изделия тщательно фиксируются, чтобы исключить их непроизвольное смещение.