



О товаре:
- Длинна: 500 мм.
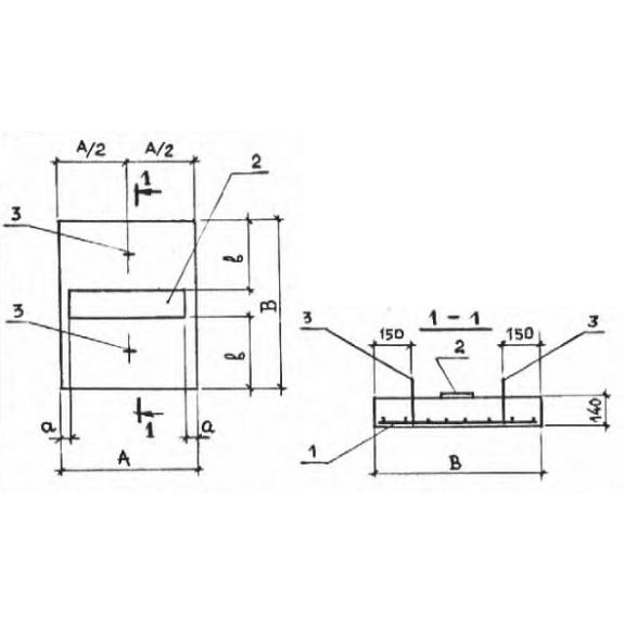
- Ширина: 500 мм.
- Высота: 140 мм.
- Вес: 90 кг.
- ГОСТ, Серия: Серия 3.006.1-2/87 скачать
- Объем бетона: 0,04 м3
- Геометрический объем: 0,035 м3
Стандарт изготовления изделия: Серия 3.006.1-2/87
Опорные подушки ОП 4 производится согласно действующих норм и правил для обустройство теплотрасс и тоннелей. В состав таких сооружений входят ОП 4. Данные изделия относятся к категории железобетонных высокопрочных изделий. Действующий Регламент по производству и транспортировке ОП 4 - Серия 3.006.1-2.87, где зафиксированы требования и проектные чертежи для производства железобетонных опорных подушек.Различные сферы строительства, теплоэнергетики и дорожное хозяйство широко используют опорные подушки, как оптимальный вариант строительного материала при возведении сложных технических сооружений.
1.Варианты маркировки изделия.
Опорные подушки ОП 4 маркируют согласно Серии 3.006.1-2.87, где указывают размеры данного изделия и его условное обозначение (тип железобетонного изделия). Вариантов написания обозначения опор несколько, это:
1. ОП 4;
2. ОП 4 з;
3. ОПТ 4.
2.Основная сфера применения изделий ОП 4 .
Железобетонные опорные подушки ОП 4 используют как подкладные элементы трубопроводов, которые проложены в лотках, а также данные изделия применяют при обустройстве подвижных опор. ОП 4 представляет собой железобетонное изделие прямоугольного сечения со специальными выступами для прокладки на них трубопроводов. Укладка производится внутри канала, при этом опоры крепят при помощи цементного раствора.
Опорные подушки широко используют при обустройстве дорог. Прокладывают каналы, тоннели с трубопроводами под автомобильными и железными дорогами. Использование опорных элементов имеет существенное практическое значение, так как ОП 4 полностью предотвращают смещение трубопроводов, которое может привести к возникновению аварий и иных механических повреждений. Кроме этого, опорные подушки играют роль компенсаторов, обеспечивая свободное перемещение труб при температурных перепадах. За счет чего равномерно распределяется нагрузка от веса коммуникаций. Вес передается на лотки и грунт. ОП 4 подходит для трубопроводов различного назначения. Опорные подушки используют в гражданском строительстве при возведении стропильной конструкции в узлах опирания ее на кирпичные или блочные стены. Таким образом, подушки опорные ОП 4 служат в качестве базового фундамента для различных конструкций.
3.Обозначение маркировки изделий ОП 4 .
Подушки ОП 4 выпускают длиной 500 , шириной 500 , высотой 140 . Геометрический объем изделия составляет 0,035 , объем бетона - 0,04 . Буквенное обозначение включает маркировку типа железобетонного изделия ОП – опорная подушка. Цифровая маркировка – размерная группа.
Дополнительно может быть указана расчетная вертикальная нагрузка в кн/см2. Вес опоры – 90 . Маркировка наносится на боковую грань несмываемой краской с указанием даты производства партии ЖБИ.
4.Характеристики и материалы для опорных подушек.
ОП 4 изготавливают из тяжелых бетонов с высокими эксплуатационными характеристиками. Основной метод изготовления вибролитье или вибропрессование. За счет сильного уплотнения бетонной смеси конечное изделие приобретает высокую прочность. Для повышения данного параметра опорные подушки дополнительно армируют двумя стальными сетками.
Бетон для ОП 4 изготавливают из портландцементов и мелкофракционного песка, вода используется очищенная, также добавляют пластификаторы. Марка готового бетона по прочности на сжатие должна соответствовать уровню М200, класс по прочности на сжатие – не менее В15. К бетонной смеси предъявляют и требования по морозостойкости (не менее 150 циклов замораживания-размораживания) и по водонепроницаемости – марка не менее W4. Марка может быть изменена по условиям проекта, а также в зависимости от условий эксплуатации и характеристик климата.
Армирование производится стальной сеткой тип С5-3 арматурой класса А-I и A-III согласно ГОСТ 5781-82. В качестве прутков используют горячекатаную или предварительно напряженную арматуру. Сетка изготавливается контактно-точечной сваркой или при помощи вязальной проволоки. В качестве закладных деталей используют: закладное изделие М4 (обеспечивают нормальное скольжение труб) и монтажные петли тип УП2-1.
5.Транспортировка и хранение.
Опорные подушки транспортируют в штабелях в горизонтальном положении с дополнительной фиксацией каждого элемента, каждый слой прокладывают деревянными досками или листами толщиной не менее 3 см. Хранят данные изделия также в штабелях высотой не более 2,5 м. Нижний ряд укладывают на специально подготовленное основание из песка и щебня и проложенным деревянных подкладок.