О товаре:
- Длинна: 2010 мм.
- Ширина: 300 мм.
- Высота: 700 мм.
- Вес: 10100 кг.
- ГОСТ, Серия: Серия 3.501.1-177.93 скачать
- Объем бетона: 4,22 м3
- Геометрический объем: 0,4221 м3
Стандарт изготовления изделия: Серия 3.501.1-177.93
Блоки фундаментов Ф 10-201 элементы, применяемыйе для сооружения водосборных систем на дорожных, автомобильных и железнодорожных насыпях. В состав таких обязательно входят: откосные стенки, открылки, звенья труб, оголовки звеньев и блоки Ф 10-201. Основа водотока – это твердая и мощная конструкция, способная выдержать колоссальные нагрузки. Конструктивно такие блоки выпускаются четырехугольными, на одной из длинных граней которых имеется специальный выступ для укладки звеньев трубы. На продольной стороне есть противопучинные выступы. Эти элементы при плотной укладке друг к другу образуют полукольца, что исключает опрокидывание стенок трубы во время пучения или смещения грунтов. Основное предназначение – это создать надежный и долговечный фундамент для водотока периодического или постоянного действия.
1. Варианты написания маркировки.
Условное обозначение фундаментов Ф 10-201, сформированное по стандартам Серии 3.501.1-177.93, допускается записывать различными вариантами:
1. Ф 10-201;
2. Ф 10.201;
3. Ф 10 201.
2. Основная сфера эксплуатации.
Блоки фундаментов Ф 10-201 используются в строительстве водотоков дорожных насыпей различного назначения. Благодаря своей массивности могут применяться при любых видах статических и динамических нагрузок. Оптимально использовать блоки на слабых, размытых и разращенных грунтах, а также в условиях высокого стояния грунтовых вод и неравномерной сжимаемости. Изделия изготавливают из высокопрочного армированного бетона, поэтому допускается их эксплуатация в условиях агрессивной среды, в том числе химическое действие грунтов, значительные вертикальные нагрузки, перепады температур и прочие факторы. Укладка элементов производится на подготовленное естественное основание. Обустраивается щебенчато-песчаная подушка толщиной не менее чем 10 см.
Применение лекальных блоков Ф 10-201 имеет полное практическое и экономическое обоснование. Во-первых, создается надежное основание для водосборной трубы дорожной насыпи; во-вторых, благодаря высокой прочности конструкции снижаются затраты на обслуживание системы и ее ремонт в виду отсутствия разрушений; в-третьих, особые свойства железобетона позволяют применять сооружение в условиях сейсмической активности до 9 баллов по шкале Рихтера.
3. Обозначение маркировки.
Маркируют блоки фундаментов Ф 10-201 по условиям Серии 3.501.1-177.93. Обозначение достаточно простое, все данные округлены и для удобства записываются в дециметрах. В знаках указывают ключевые данные об изделии:
1. Ф – фундамент;
2. 10-201 – группа размеров.
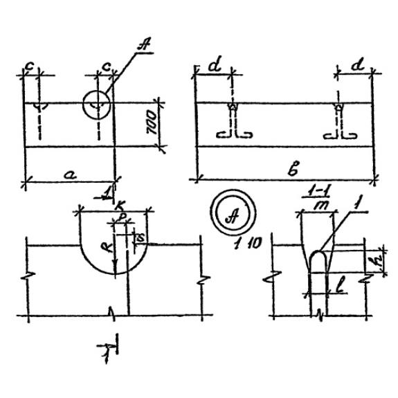
Все данные наносят на боковую грань блока черной несмываемой краской по ГОСТ. Надписи должна быть четко видна и не стираться на протяжении всего срока эксплуатации элемента. Основные размерные характеристики фундаментов данного типа:
Длина = 2010;
Ширина = 300;
Высота = 700;
Вес = 10100;
Объем бетона = 4,22;
Геометрический объем = 0,4221.
4. Основные материалы и характеристики.
Изготавливают фундаментные блоки Ф 10-201 для водосборных систем из плотных смесей бетонов. В состав, помимо высококачественных инертных материалов мелких фракций, вводят специальные добавки, которые повышают коррозионную и химическую стойкость материала. Класс прочности на сжатие должен быть от В20 до В 25. Фундаменты применяются в разных условиях агрессивности, поэтому бетон должен отвечать следующим требованиям:
1.Морозостойкость – не менее F200 или F300 (не менее 200-300 циклов 8-часового замораживания- размораживания).
2.Водонепроницаемость – не менее W4-W8 (устанавливается минимальное водопоглощение бетона – до 4%). Внушительный класс стойкости бетона к воде обеспечивает эффективную эксплуатацию блоков в условиях высокого стояния грунтовых вод.
3.Трещиностойкость.
Повышение прочностных характеристик выполняется путем армирования изделий сетками и каркасами, изготовленными из высококачественной стали класса А-100 и А-300 по ГОСТ 5781-82. Для этого изготавливают сварные сетки и используются арматурные стержни для дополнительной закладки – 22А-I (l=1870 мм). Все металлические компоненты проходят антикоррозионную обработку.
5. Транспортировка и хранение.
Массивные блоки Ф 10-201 допускается перевозить спецтранспортом достаточной грузоподъемности. Крупные партии перевозят по железной дороге или морю. Доставка продукции в сохранном виде обеспечивается:
- за счет надежной фиксации изделий стальной проволокой;
- изоляции слоев элементов деревянными досками для исключения появления поверхностных дефектов;
- грамотного выполнения погрузо-разгрузочных работ;
- соблюдение техники безопасности.
Хранение продукции осуществляется штабелями, при этом блоки укладывают в горизонтальное положение. Желательно организовать складирование в крытом помещении. Высота стопок не должна превышать нескольких рядов или 2 метров, при этом между блоками также прокладывают доски.

