О товаре:
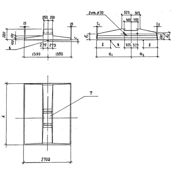
- Длинна: 4500 мм.
- Ширина: 2700 мм.
- Высота: 500 мм.
- Вес: 6300 кг.
- ГОСТ, Серия: Серия 3.407.1-144 скачать
- Объем бетона: 2,52 м3
- Геометрический объем: 6,075 м3
Стандарт изготовления изделия: Серия 3.407.1-144
Плиты фундаментов П 2,7-4,5 – это опорные элементы составных фундаментов опор ЛЭП номинальным напряжением 35-500 кВт. Плиты П в горизонтальном сечении имеют прямоугольник, в вертикальном сечении – грибовидную конструкцию с небольшим углублением (шириной 610 мм) под установку опоры линии электропередач. Изделия могут иметь тавровое сечение с центральным ребром жесткости. Применяют их совместно с одноразмерными стойками. Благодаря высоким эксплуатационным свойствам (прочность, надежность и долговечность) удается создать высокопрочную основу для опор.
Коррозиестойкие фундаменты призваны воспринимать колоссальные нагрузки и равномерно распределять их на естественное основание. Плиты данного типа запроектированы для заложения на глубину до 0,5 метра. Габаритные размеры и величина заглубления рассчитываются на нормальную работу опорной конструкции в условиях значительных ветровых, а также вырывающих, сжимающих и прочих нагрузок, которые могут деформировать или обвалить линию ЛЭП.
1. Варианты написания маркировки
Маркировочные знаки могут быть записаны различными вариантами:
1. П 2,7-4,5;
2. П 2,7.4.5;
3. П 2,7-4-5.
2. Основная сфера эксплуатации
Основная сфера применения плит фундаментов П 2,7-4,5 – электроэнергетика. Оптимально монтировать элементы для промежуточных или анкерно-угловых опор высотой 6 метров и более. Допускается использовать плиты П для легко-, средне- и высоконагруженных опор. Фундаментная конструкция, эксплуатируемая в условиях среды с повышенной влажностью (высокое стояние грунтовых вод), подвергается гидроизоляции. Суммарная масса сборного фундамента, как правило, составляет не более 7 тонн, поэтому сборка конструкции может быть выполнена вне котлована с ее последующей установкой в собранном виде в проектное положение. Погрузо-разгрузочные работы осуществляет кран.
3. Обозначение маркировки
Серией 3.407.1-144 принято цифробуквенное условное обозначение плит фундаментов, состоящее из типа изделия, размеров площади основания опоры и буквенной комбинации, которая характеризует характеристики области применения. Плита П 2,7-4,5:
1. П – плиты сборного фундамента промежуточных опор;
2. 2,7-4,5 - размер основания;
3. А - указывает на принадлежность конструкции к анкерно-угловым опорам.
На каждое изделие наносятся также данные о массе, шифре компании-производителе и дате изготовления. Маркировку наносят на боковую грань плиты черной краской.
Основные размерные данные:
Длина = 4500;
Ширина = 2700;
Высота = 500;
Вес = 6300;
Объем бетона = 2,52;
Геометрический объем = 6,075.
4. Изготовление и применяемые материалы
Плиты фундаментов П 2,7-4,5 изготавливают вибропрессованием из смесей плотных бетонов марки прочности не менее В30. В состав материала входят специальные инертные наполнители, обязательно натуральный щебень мелких фракций, который повышает морозостойкость бетона до марки F150-200 и водонепроницаемость до W6 (этот параметр повышается до высоких значений, если предполагается эксплуатация фундамента в условиях высокого стояния грунтовых вод различного уровня агрессивности) и трещиностойкость согласно требованиям действующего регламента.
Запас прочности обеспечивается методом армирования стальными сварными каркасами, а также сеткой ребра плиты. Их изготавливают при помощи контактной точечной сварки из горячекатаной стали класса А-100 и А-100 и вязальной проволоки класса Вр-1. В тело плиты внедряют анкерные болты М16, изготовленные из стали ВСт3св2 согласно требованиям ГОСТ 390-71 и приваренные к основному армокаркасу фланговыми швами. Обратите внимание, что болтовой крепеж изготавливается из высокопрочных, термостойких и удобосвариваемых сталей марок 09Г2С и 14Г2, эксплуатация которых допускается при расчетной температуре до -70 градусов. Для удобства подъема массивных плит на высоту элементы оснащаются такелажными петлями. Арматурный пояс и закладные детали не только подвергают обработке антикоррозионными составами, но и покрывается защитным слоем бетона не менее чем на 25 мм.
5. Транспортировка и хранение
Фундаментные плиты допускается транспортировать любым видом спецтранспорта. Для этого подходят автомашины высокой грузоподъемности, а также железнодорожные и паромные платформы. Изделия укладывают в несколько рядов, слои прокладывают деревянными подкладками и фиксируют стальной проволокой, что позволяет исключить падение и порчу продукции. Складирование осуществляется штабелями высотой до 2,5 метров. Оптимальной схемой укладки считается формирование 2 рядов с проложенными деревянными досками.

