О товаре:
- Длинна: 12950 мм.
- Ширина: 400 мм.
- Высота: 600 мм.
- Вес: 7750 кг.
- Объем бетона: 3,108 м3
- Геометрический объем: 3,108 м3
Колонны 2ККС 108 представляют собой прямоугольные продолговатые железобетонные изделия. Сечение колонн имеет прямоугольную форму. Армированные строительные компоненты обладают высокой несущей способностью, рассчитаны на эксплуатирование в условиях высоких нагрузок от конструкции покрытия промышленного здания, изготовленной из стальных профилей. Готовые строительные элементы значительно упрощают и ускоряют возведение промышленных сооружений без крановых установок, с использованием колонн в качестве одного из основных несущих компонентов здания.
1. Варианты маркировки
Колонны разработаны в большом числе вариантов, отличающихся по характеристикам, производителем представлены самые востребованные марки (расшифровка представлена ниже) колонн:
1. 2ККС 108;
2. 2ККС 84;
3. 2ККС 96.
2. Основная сфера применения
Колонны разработаны для реализации строительных проектов одноэтажных отапливаемых зданий промышленного назначения со структурной конструкцией покрытия, изготовленной из прокатных стальных профилей. Колонны 2ККС 108 спроектированы для применения в возведении зданий соответствующей цифрам маркировки высоты в качестве колонн среднего ряда, для сооружений без мостовых крановых установок. Высокопрочные изделия со стальным армированием применяются при сейсмичности до 6 баллов включительно, в регионах с показателями по скоростному напору ветра и снеговому покрову I-IV. Невысокие показатели морозостойкости и водонепроницаемости не ограничивают регионы применения по климату, но обязательным условием для возможности эксплуатации является наличие отопления в строящемся помещении. В соответствии с нормативными документами, готовые колонны устанавливаются сеткой 12х18 или 12х24 метра.
3. Обозначение маркировки
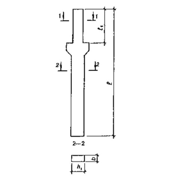
Производителем при изготовлении всех железобетонных изделий на видимую часть наносится буквенно-цифровой индекс, отображающий название и основные параметры железобетонной продукции. На примере колонн 2ККС 108:
1. 2 - типоразмер;
2. ККС – колонны средних рядов;
2. 108 – высота этажа в дециметрах.
Колонны 2ККС 108 имеют следующие габаритные размеры:
Длина = 12950;
Ширина = 400;
Высота = 600;
Вес = 7750;
Объем бетона = 3,108;
Геометрический объем = 3,108.
4. Материалы изготовления и характеристики изделия
Составляющие для изготовления колонн промышленных зданий подобраны в соответствии с условиями эксплуатирования. Так как применение колонн 2ККС 108 рассчитано для установки внутри отапливаемых помещений, то показатель морозостойкости бетона такого изделия не высок, но тяжелая конструкция покрытия здания предъявляет высокие требования к прочности на сжатие. Для производства колонн 2ККС 108 используется бетон марки М 200 по прочности на сжатие, продольное армирование выполняется стержнями из стали класса А-111, поперечное принято спиралевидным из стали классов В-1 и А-1, продольное и поперечное армирование объединяются контактной точечной сваркой в надежный прочный каркас. Колонны 2ККС 108 после достижения бетоном отпускной прочности, проходят контрольные и испытательные процедуры в установленном порядке, подтверждающие соответствие параметров требованиям проекта, после чего данные документируются, продукция маркируется и поставляется заказчику.
5. Складирование, транспортировка и хранение
Готовая железобетонная продукция, изготовленная в заводских условиях, имеет ряд характеристик, соответствующих требованиям проекта, что подтверждается обязательными проверками качественных показателей. Для того, чтобы изделия сохранили свойства до начала эксплуатирования на объекте, необходимо соблюдать правила обращения с железобетонной продукцией – хранения, транспортирования, погрузочных и монтажных работ. Для хранения колонны 2ККС 108 сортируют отдельно от изделий других марок и укладывают в горизонтальном положении в штабели на тщательно выровненную поверхность, используя деревянные подкладки. Высота штабеля должна быть в пределах 2 метров, между колоннами укладывают прокладки из дерева, располагая их на расстоянии трети длины от каждого из торцов строго одна над другой в каждом следующем ряду. Толщина подкладок и прокладок должна быть не менее 30 мм, длина – не меньше ширины опираемой стороны колонны. Хранение осуществляется в складских условиях, расстояние между штабелями рассчитывается таким образом, чтобы оставить свободным доступ для захвата и подъема колонны, а так же, осмотра заводской маркировки. Погрузочные работы выполняются спецтехникой с использованием строповочных приспособлений, не допускается сбрасывание колонны 2ККС 108 с какой-либо высоты, выгрузка сваливанием и другие действия, в результате которых на изделиях могут образоваться трещины и сколы, другие повреждения. Для перевозки колонны 2ККС 108 тщательно закрепляют, чтобы исключить смещения, удары друг о друга и транспортное средство.

