О товаре:
- Длинна: 11000 мм.
- Ширина: 350 мм.
- Высота: 350 мм.
- Вес: 3320 кг.
- ГОСТ, Серия: Серия 1.011.1-10 скачать
- Объем бетона: 1,33 м3
- Геометрический объем: 1,3475 м3
Стандарт изготовления изделия: Серия 1.011.1-10
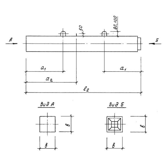
Сваи составные верхние С 110-35 Всв6 – железобетонные стержни, применяемые в обустройстве фундаментов. Конструктивно элемент представляет собой две составные балки прямоугольного сплошного сечения, один конец которой имеет специальное заострение. Соединение брусков производится посредством сварного стыка (сварка выполняется по регламентной схеме). Для этого верхняя составная часть имеет арматурные выпуски и закладные детали. Основное предназначение свайного фундамента – восприятие сосредоточенно-вертикальных нагрузок и равномерная передача их на естественное основание.
Особая форма сваи позволяет с минимальными вложениями обустроить надежный фундамент на "слабых" и просадочных грунтах, где нет возможности применять цельные элементы (например, нет возможности доставить их на строительный объект). Не допускается применять верхнюю секцию без нижней, так как она не предназначена для прорезки большой толщи грунта. Составные сваи С 110-35 Всв6 запроектированы на работу в условиях среды любой степени агрессивности, а также на эксплуатацию в условиях высоких вертикальных нагрузок, в том числе динамических ударов.
1. Варианты написания маркировки
Маркировочные знаки записывают следующими вариациями:
1. С 110.35-ВСв-6;
2. С 110.35.ВСв.6;
3. С 110.35.ВСв-6;
4. С 110-35-ВСв.6;
5. С 110-35-ВСв-6;
6. С 110-35.ВСв.6;
7. С 110-35.ВСв-6.
2. Основная сфера применения
Составные сваи С 110-35 Всв6 используют в строительстве фундаментов хозяйственных зданий и сооружений различного назначения, а также в стройке электротехнических конструкций. Оптимально монтировать элементы на ослабленных и нестойких грунтах. Особые эксплуатационные показатели составных свай позволяют построить надежное, стойкое к любым воздействия и долговечное основание. Благодаря этому строение получает фундамент, который не осыпается и не сползает.
Погружение сваи выполняется виброкопрами, при этом сначала выполняют забивку нижней секции, потом производят приварку специальных пластин, далее, монтируется верхняя секция. Все операции выполняются в строго вертикальном положении. Ключевой особенностью является то, что составные сваи обладают той же несущей способностью и прочностью, что и сплошные балки. Сварной стык не является "слабым" звеном, даже в случае его коррозионного разрушения (при многолетней эксплуатации этого не избежать) верхний стержень "сядет" на нижний, но не съедет вбок. Фундамент не потеряет опорного давления, то есть будет выполнять все возложенные на него функции. Составные сварные сваи оптимально применять в труднодоступных для транспорта местах, где не могут проехать мачтовозы, а обустраивать временные дороги – нецелесообразно ни с практической, ни экономической точки зрения.
3. Обозначение маркировки
Маркировка – важный этап в изготовление железобетонных свай любого типа. Условное обозначение позволяет определить тип конструкции, его размеры и конструктивные особенности. Для составных свай С 110-35 Всв6 на основе Серии 1.011.1-10 шифр читается как:
1. С - свая составная;
2. 110 - длина;
3. 35 - поперечное сечение;
4. В - верхняя секция;
5. св - имеет сварной стык;
6. 6 - тип армирования – диаметр арматуры.
Знаки маркировки пишут на одном из концов бетонного стержня черной краской, которая не стирается на протяжении всего срока использования.
Характеристики:
Длина = 11000;
Ширина = 350;
Высота = 350;
Вес = 3320;
Объем бетона = 1,33;
Геометрический объем = 1,3475.
4. Применяемые технологии и материалы
Работа свай С 110-35 Всв6 осуществляется в неблагоприятной среде, поэтому к качеству и эксплуатационным характеристикам применяемых бетонов предъявляют самые жесткие требования. Класс прочности должен быть не менее В25, контролю также подлежат свойства морозостойкости, водонепроницаемости и трещиностойкости. Сваи запроектированы на расчетную унифицированную нагрузку в 60 тонн на весь опорный элемент.
Прочностные параметры достигаются при армировании изделий сварными конструкциями. Из стали класса А-100 изготавливают каркас. Используются также детали: спираль, арматурный стержень, а для стыковки свайных секций имеются специальные закладные пластины. Для подъема на высоту на балках имеются такелажные петли П3. Все стальные узлы покрывают антикоррозионными составами.
5. Транспортировка и хранение
Составные сваи С 110-35 Всв6 транспортируют спецтранспортом нормальной грузоподъемности. Крупные партии перевозят по железной дороге. Для этого используют вагоны и полувагоны. Допускается доставлять свайные секции паромными платформами. Перевозка осуществляется с обязательной фиксацией всех изделий и изоляцией их друг от друга деревянными досками, что позволяет исключить порчу бетонной поверхности. Складирование железобетонных балок осуществляется штабелями высотой до 2 метров.

