О товаре:
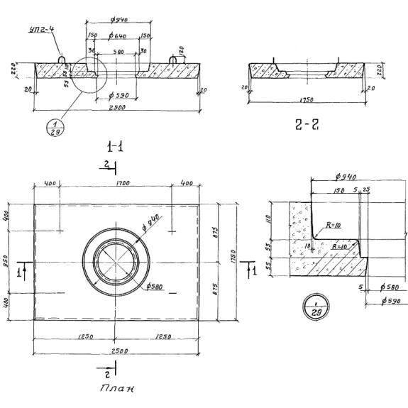
- Длинна: 2500 мм.
- Ширина: 1750 мм.
- Высота: 220 мм.
- Вес: 2100 кг.
- ГОСТ, Серия: Серия 3.900.1-14 скачать
- Объем бетона: 0,85 м3
- Геометрический объем: 0,9625 м3
Стандарт изготовления изделия: Серия 3.900.1-14
Плита дорожная ПД 6 - это высокопрочное изделие на основе армированного бетона, с отверстием внутри, предназначенным для вставки в него чугунного или полимерно-песчаного-люка. ПД 6 используется при строительстве водопроводных и канализационных колодцев, устанавливаемых на проезжих частях городских и областных автомагистралей. В целом, конструкции железобетонных колодцев являются широко используемыми сооружениями. Без них не возможно обустройство различных инженерных сетей, водоотводных коммуникаций, а также канализационных септиков. Использование таких сооружений целесообразно, так как они обладают высокой устойчивостью к деформациям, негативному воздействию грунтовых вод и почвы.
Расшифровка маркировки
Для упрощения поиска изделия в широком номенклатурном ряду, каждый железобетонный строительный элемент наделяется определенной маркировкой. Основные требования к таким обозначениям краткость и лаконичность. Так, если рассматривать марку ПД 6, то можно увидеть следующее:
1. ПД - название изделия - плита дорожная;
2. 6 - типоразмер.
Сбоку на готовой дорожной плите прописывается марка, дата выпуска, также там может быть указан товарный символ завода-изготовителя. Применяемая здесь краска, должна быть темных оттенков, прочная на истирание, свето- и водостойкая, быстровысыхающая.
Материалы и производство
Регламентом для изготовления железобетонных дорожных плит для колодезной конструкции является Серия 3.900.1-14. Производство осуществляется методом вибропрессования. Вибропрессование - это особая технология производства изделий для строительства, в основу ее положены уплотнение полусухой твердой смеси, под действием давления сверху, а вибрации - снизу. После прессовки изделия становятся плотными и однородными, что позволяет держать им свою форму и быть водонепроницаемыми. В качестве основы для изготовления ПД 6 берется тяжелый бетон класса В20 по прочности на сжатие. Особенностью такого бетона является то, что соотношение цемента в нем уменьшено, а воды увеличено, поэтому нормативная прочность бетонной смеси достигается за счет долгого перемешивания компонентов. Марка бетона по водонепроницаемости и морозостойкости может зависеть от режима эксплуатации и климатических условий объекта строительства, поэтому автор в конкретных проектах назначает ее в индивидуальном порядке.
Для того чтобы будущая плита успешно справлялась с постоянными и временными нагрузками, помимо использования плотного бетона, в нее закладывают прочный стальной каркас. Данный каркас представляет собой стальную сетку из прутков из стали класса А-I и А-III. Прутки соединены между собой контактно-точечной сваркой. Дополнительно, процесс производства предусматривает наличие в конструкции специальных монтажных петель из стали класса А-I, посредством которых выполняется легкая установка изделия на необходимые крепления.
Контрольные испытания на прочность и трещиностойкость являются завершающим этапом производственного процесса. Благодаря им определяется то, на сколько изделие качественно выполнено.
Хранение и транспортировка
Складирование железобетонных дорожных плит осуществляется в их рабочем положении, лицевой стороной вверх. Конструкции укладываются друг на друга, образуя штабель, который должен быть не более чем два с половиной метра в высоту. Перевозят изделия специальным транспортом, с использованием специальных креплением, и учетом всех мер безопасности. Важным условием, как при хранении, так и при транспортировке ПД 6, является использование инвентаря из сухой древесины - подкладок и прокладок толщиной не менее четырех сантиметров.

