О товаре:
- Длинна: 220 мм.
- Ширина: 329 мм.
- Высота: 329 мм.
- Вес: 9,3 кг.
- ГОСТ, Серия: ГОСТ 31416-2009 скачать
- Объем бетона: 0,0051 м3
- Геометрический объем: 0,0238 м3
Стандарт изготовления изделия: ГОСТ 31416-2009
Муфта хризотилцементная для напорных теплопроводов ТМ 3 является соединительным элементом. Напорные трубопроводы изготавливаются из особых материалов, к которым предъявляют самые высокие требования. Для теплопроводов применяют хризотилцементные трубы. Это композитный материал, который не растворяется в воде, не горит, стоек к действию различных сред, проявляет свойства химической инертности, но главное преимущество использование именно хризотила – это абсолютная экологичность, то есть изделие полностью безопасно для здоровья человека (применение в сфере водоснабжения). В комплекте с трубами поставляют муфты тип ТМ 3 .
Муфта хризотилцементная ТМ 3 применяется совместно с трубопроводами при строительстве теплопроводов различных типов прокладки, а также в системах водообеспечения и для некоторых других целей. Муфта ТМ 3 представляет собой изделие цилиндрической формы, сформирована из цемента и хризотила. В теле имеются специальные углубления для вставки уплотнительных колец (их изготавливают из теплостойкой резины). Заявлен срок службы хризотилцементных муфт – не менее 50 лет!
1.Варианты написания маркировки.
Согласно ГОСТ 31416-2009 производят маркировку муфтовых изделий ТМ 3 , указывают тип изделия и размерный ряд. Написание марки производится несколькими способами:
1. ТМ 3 ;
2. ТМ-3.
2.Основная сфера применения.
Муфты хризотилцементные ТМ 3 – это тип соединительных элементов, которые комплектуются к напорным трубопроводам, то есть работают под давлением среды. Основная сфера применения – это строительство теплопроводов, систем горячего и холодного водоснабжения жилых домов. Могут быть применены для строительства трубопроводов водоотведения. Соединительное звено – труба-муфта. Для того чтобы стык не пропускал воду, его заделывают специальным уплотнительным кольцом. Для ТМ 3 может быть использовано 2-4 канавочных шайб.
За счет применения муфт для напорных трубопроводов ТМ 3 облегчаются монтажные работы, так как это изделия, имеющие небольшой вес, то все работы проводятся вручную при помощи специальных средств. Надежное и эластичное соединение муфта-труба полностью исключает порчу системы в результате температурных деформаций. В данном случае также не потребуется дополнительно устанавливать компенсаторы, которые бы гасили тепловые расширения. Это дополнительное преимущество, в результате которого предпочтение отдается именно хризотилцементным трубопроводам и муфтам различного вида. Без специальных уплотнений эксплуатация трубопроводов не допускается.
3.Обозначение маркировки изделий.
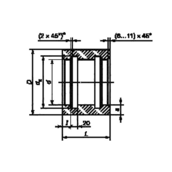
Маркируют муфты для напорных трубопроводов ТМ 3 согласно ГОСТ 31416-2009. В основном обозначении указаны тип изделия ТМ – муфта для теплопровода, 3 – тип трубы по соответствующим нагрузкам. Данные муфты имеют несколько типоразмеров с условным диаметром изделия от 100 мм. и способны выдержать давление в 1,0 МПа. В качестве основных размеров используют внутренний и внешний диаметр, а также длину элемента.
Рассмотри пример маркировки. ТМ 3 согласно ГОСТ 31416-2009 – имеет следующие параметры:
1. Длина - 220 ;
2. Наружный диаметр – 329 ;
3. Внутренний диаметр – 329 ;
4. Геометрический объем изделия составляет 0,0238 ;
5. Объем бетона на одно изделие – 0,0051 ;
6. Масса – 9,3 .
Маркировку наносят на боковую грань готового элемента несмываемой черной краской. Дополнительно указывают товарный знак производителя. Номер партии и дату изготовления. При поставках муфт должна быть специальная сопроводительная документация.
4.Материалы для изготовления и основные характеристики.
Изготавливают муфты ТМ 3 из композитного материала – хризотила и бетона. Совмещение этих двух компонентов позволяет получить высокие эксплуатационные характеристики. Это высокая механическая прочность и стойкость к действию различных сред, стойкость к электрокоррозии (для промышленных районов это очень важно, где работает электротранспорт), высокая огнестойкость и водонепроницаемость (набирает прочность при взаимодействии с водой).
Такое свойство морозостойкость (что немаловажно для северных районов России) позволяет прокладывать трубопроводы с муфтами ТМ 3 как наземным, так и подземным способом в любых климатических условиях. Отличает хризотил и стойкость к действию вибрации или ударов, поэтому в обслуживании подобные системы просты. Также можно выделить высокую стойкость к биологическим действиям – не поедаются насекомыми и не обрастают массами. Высокая четкость асбоцементных муфт по геометрическим параметрам значительно облегчает монтаж, снижает трудозатраты. Главное достоинство – низкая цена, что позволило хризотиловым изделиям, как ТМ 3 , набрать высокую популярность.
5.Транспортировка и хранение.
Перевозят асбоцементные муфты ТМ 3 спецтранспортом в контейнерах, либо на специальных подкладках с надежным закреплением всех элементов. Крупные партии поставляют железнодорожным способом. Хранение производится в вертикальных штабелях с послойной прокладкой слоев деревянными досками.

