О товаре:
- Длинна: 150 мм.
- Ширина: 397 мм.
- Высота: 397 мм.
- Вес: 13,8 кг.
- ГОСТ, Серия: ГОСТ 31416-2009 скачать
- Объем бетона: 0,0076 м3
- Геометрический объем: 0,0236 м3
Стандарт изготовления изделия: ГОСТ 31416-2009
Муфты для напорных труб САМ 9 используют для прокладки труб как соединительный элемент. Асбоцементные трубы широко применяются в различных коммуникациях, как наиболее стойкий материал к действию различных сред. Хризолитцемент подходит как для водной, так и для газовой среды, поэтому сфера применения достаточно широка. Для соединения труб используют муфты. Для напорных труб берут муфты САМ 9 . Это цилиндрические изделия из фибробетона, которые можно использовать в системе труб для мелиорации, технического водоснабжения и прочих направлений.
1.Варианты написания маркировки.
Обозначают муфтовые изделия САМ 9 согласно действующему Стандарту – ГОСТ 31416-2009. В основной маркировке указывают тип изделия и его основную размерную группу. Написание производится несколькими способами:
1. САМ 9 ;
2. САМ-9.
2.Основная сфера применения.
Муфты для труб САМ 9 используют в качестве соединительного элемента труб. Основная сфера применения – это обустройство различных коммуникационных систем водоснабжения, газоснабжения, тепловых сетей, в качестве фасонных изделий при строительстве свайных фундаментов, для систем попутного дренажа, в стволах мусоропровода, вентиляционных и канализационных направлениях. Изделия хризолитцементных муфт САМ 9 применяются в напорных трубопроводах и специализированы для стыковки труб между собой. Заметьте, что использование муфт без уплотнительных колец – не допускается. Производство колец осуществляется согласно ГОСТ 5228-89. Резина для колец выдерживается в воде при температуре не менее чем в +23 градуса и в течение 24 часов. Это обеспечит ровное соединение без перекосов и скручиваний.
Асбоцементная муфта САМ 9 одевается на трубу. В проточенных каналах укладываются уплотнительные кольца, которые под действием давления транспортируемой среды дают усадку и обеспечивают высокую плотность, герметичность и надежность стыка. Патрубок и муфта должны быть одной размерной группы, при этом на всех элементах должны быть одинаковые проточенные части, что и гарантирует высокую герметизацию соединения. Внутренняя поверхность муфтового элемента обтачивается для более легкого соединения с трубопроводом.
3.Обозначение маркировки изделий.
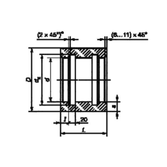
Маркирование муфт САМ 9 для напорных труб производится согласно настоящему Стандарту – ГОСТ 31416-2009. Буквенная группа указывает на тип изделия, САМ – асбоцементная муфта для соединения напорных трубопроводов. Цифровая группа – тип трубы.Также может быть указан действующий Стандарт (ГОСТ 31416-2009). Могут быть изготовлены с 2-4 канавками под теплоустойчивые уплотнительные соединения размерной группы – 12-27 мм. Размеры соединительных муфт САМ 9 : 150х397х397 .
В обозначении также указывают геометрический объем изделия ( 0,0236 ), масса – 13,8 , объем бетона на изготовление одной единицы – 0,0076 . Маркировка наносится несмываемой краской на боковую грань изделия, указывают товарный знак и номер партии.
4.Основные материалы и характеристики.
Основной материал для изготовления асбоцементных муфт для напорных трубопроводов САМ 9 – фибробетон. Бетонная смесь дополнительно армируется специальным волокном, что придает большей стойкости готовому изделию. За счет применения таких материалов достигается более низкая теплопроводность (низкие теплопотери при транспортировании горячих сред), долговечность, прочность, высокой стойкостью к механическим повреждениям. Качественная поверхность обеспечивает быстрый монтаж.
Так как изделия САМ 9 имеют весьма невысокую массу, то их сборка может быть произведен без применения спецтехники. Так, монтируют муфты винтовым натяжным устройством (используется для создания большего усилия) или рычажным домкратом. За счет высокой герметичности соединений не проводят дополнительную гидроизоляцию, также не выполняют и катодную защиту, так как фибробетон – стойкий материал к действию электрокоррозии.
5.Транспортировка и хранение.
Хранение САМ 9 производят вертикальными слоями в штабелях, не допускается навал. Послойно прокладывают деревянными подкладками, при этом нижний ряд должен быть закреплен. Это выполняется, чтобы избежать порчи продукции. Высота уложенных изделий не должны превышать 1,5 метра. При хранении помещение должно быть сухим, не допускается падения различных предметов на штабеля.
Перевозят муфты либо в контейнерах, либо на уложенные обрезиненные или деревянные подкладки (это снизит контактное давление на кузов автомобиля) с последующим закреплением элементов в спецтранспорте. При разгрузке не допускается сбрасывание изделий или их навал, так как это может привести к повреждению обточенных поверхностей или фасок.

