О товаре:
- Длинна: 220 мм.
- Ширина: 410 мм.
- Высота: 410 мм.
- Вес: 24,1 кг.
- ГОСТ, Серия: ГОСТ 31416-2009 скачать
- Объем бетона: 0,013 м3
- Геометрический объем: 0,037 м3
Стандарт изготовления изделия: ГОСТ 31416-2009
Муфта хризотилцементная для напорных теплопроводов ТМ 10 является соединительным элементом. Напорные трубопроводы изготавливаются из особых материалов, к которым предъявляют самые высокие требования. Для теплопроводов применяют хризотилцементные трубы. Это композитный материал, который не растворяется в воде, не горит, стоек к действию различных сред, проявляет свойства химической инертности, но главное преимущество использование именно хризотила – это абсолютная экологичность, то есть изделие полностью безопасно для здоровья человека (применение в сфере водоснабжения). В комплекте с трубами поставляют муфты тип ТМ 10 .
Муфта хризотилцементная ТМ 10 применяется совместно с трубопроводами при строительстве теплопроводов различных типов прокладки, а также в системах водообеспечения и для некоторых других целей. Муфта ТМ 10 представляет собой изделие цилиндрической формы, сформирована из цемента и хризотила. В теле имеются специальные углубления для вставки уплотнительных колец (их изготавливают из теплостойкой резины). Заявлен срок службы хризотилцементных муфт – не менее 50 лет!
1.Варианты написания маркировки.
Согласно ГОСТ 31416-2009 производят маркировку муфтовых изделий ТМ 10 , указывают тип изделия и размерный ряд. Написание марки производится несколькими способами:
1. ТМ 10 ;
2. ТМ-10.
2.Основная сфера применения.
Муфты хризотилцементные ТМ 10 – это тип соединительных элементов, которые комплектуются к напорным трубопроводам, то есть работают под давлением среды. Основная сфера применения – это строительство теплопроводов, систем горячего и холодного водоснабжения жилых домов. Могут быть применены для строительства трубопроводов водоотведения. Соединительное звено – труба-муфта. Для того чтобы стык не пропускал воду, его заделывают специальным уплотнительным кольцом. Для ТМ 10 может быть использовано 2-4 канавочных шайб.
За счет применения муфт для напорных трубопроводов ТМ 10 облегчаются монтажные работы, так как это изделия, имеющие небольшой вес, то все работы проводятся вручную при помощи специальных средств. Надежное и эластичное соединение муфта-труба полностью исключает порчу системы в результате температурных деформаций. В данном случае также не потребуется дополнительно устанавливать компенсаторы, которые бы гасили тепловые расширения. Это дополнительное преимущество, в результате которого предпочтение отдается именно хризотилцементным трубопроводам и муфтам различного вида. Без специальных уплотнений эксплуатация трубопроводов не допускается.
3.Обозначение маркировки изделий.
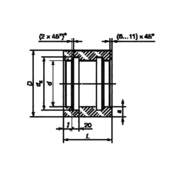
Маркируют муфты для напорных трубопроводов ТМ 10 согласно ГОСТ 31416-2009. В основном обозначении указаны тип изделия ТМ – муфта для теплопровода, 10 – тип трубы по соответствующим нагрузкам. Данные муфты имеют несколько типоразмеров с условным диаметром изделия от 100 мм. и способны выдержать давление в 1,0 МПа. В качестве основных размеров используют внутренний и внешний диаметр, а также длину элемента.
Рассмотри пример маркировки. ТМ 10 согласно ГОСТ 31416-2009 – имеет следующие параметры:
1. Длина - 220 ;
2. Наружный диаметр – 410 ;
3. Внутренний диаметр – 410 ;
4. Геометрический объем изделия составляет 0,037 ;
5. Объем бетона на одно изделие – 0,013 ;
6. Масса – 24,1 .
Маркировку наносят на боковую грань готового элемента несмываемой черной краской. Дополнительно указывают товарный знак производителя. Номер партии и дату изготовления. При поставках муфт должна быть специальная сопроводительная документация.
4.Материалы для изготовления и основные характеристики.
Изготавливают муфты ТМ 10 из композитного материала – хризотила и бетона. Совмещение этих двух компонентов позволяет получить высокие эксплуатационные характеристики. Это высокая механическая прочность и стойкость к действию различных сред, стойкость к электрокоррозии (для промышленных районов это очень важно, где работает электротранспорт), высокая огнестойкость и водонепроницаемость (набирает прочность при взаимодействии с водой).
Такое свойство морозостойкость (что немаловажно для северных районов России) позволяет прокладывать трубопроводы с муфтами ТМ 10 как наземным, так и подземным способом в любых климатических условиях. Отличает хризотил и стойкость к действию вибрации или ударов, поэтому в обслуживании подобные системы просты. Также можно выделить высокую стойкость к биологическим действиям – не поедаются насекомыми и не обрастают массами. Высокая четкость асбоцементных муфт по геометрическим параметрам значительно облегчает монтаж, снижает трудозатраты. Главное достоинство – низкая цена, что позволило хризотиловым изделиям, как ТМ 10 , набрать высокую популярность.
5.Транспортировка и хранение.
Перевозят асбоцементные муфты ТМ 10 спецтранспортом в контейнерах, либо на специальных подкладках с надежным закреплением всех элементов. Крупные партии поставляют железнодорожным способом. Хранение производится в вертикальных штабелях с послойной прокладкой слоев деревянными досками.

