Отгружено ЖБИ: всего -
000 000
тонн; за 2025 год -
00 000
тонн
Посмотреть
Заключено договоров: всего -
0 000
шт.; за 2025 год -
000
шт.
Единый номер:
8 (800) 500-22-52
Выберите город
Благовещенск
Владивосток
Екатеринбург
Иркутск
Казань
Кемерово
Краснодар
Красноярск
Москва
Нижний Новгород
Новосибирск
Омск
Пермь
Ростов-на-Дону
Самара
Санкт-Петербург
Симферополь
Сургут
Тюмень
Хабаровск
Челябинск
Ваш город «
»?
Да
Нет
Выберите город
Заказ онлайн
Корзина:
0 шт.
Корзина
0
шт.
Расчитать
О нас
О компании
Документация
Судебная практика
Преимущества
Вопросы/ответы
Портфолио
Работа в цифрах
Прямой эфир с производства
Каталог
Каталог по группам
Условия доставки
Контакты
Найти
Каталог по группам
Главная
Каталог по группам
Лестничные ступени, Марши, Пло...
Лестничные ступени
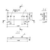
Ступени входа Серия 1.100.1-7
Лестничные ступени (бетонные и железобетонные)
Лестничные ступени НС (ГОСТ 8717-84)
Лестничные ступени СТ (Чертеж 0202Н-ОАС-2)
Лестничные ступени Серия 1.450-2
Лестничные ступени ТПР 503-0-17
Лестничные ступени основные ГОСТ 8717-2016
Лестничные ступени основные Серия Б1.055.1-1.01
Лестничные ступени основные Серия Б1.055.1-3.02
Лестничные ступени шахт лифта (Серия 1.439 АР)
Площадочные вкладыши Серия 1.055.1-1 (1.155-1, ГОСТ 8717.0-84 и 8717.1-84, ИИ 03-02)
Соединительные элементы лестничных клеток Шифр 789-04
Ступени Альбом НК 33-07
Ступени Серия 1.220.1-3м
Ступени Серия 3.407-102
Ступени Серия 3.407-40/70
Ступени Серия 3.501-180.95
Ступени Серия 3.501-96
Ступени Серия 86 и 85
Ступени Серия ИИ 03-02
Ступени ТП 310-4-1
Ступени ТП 51-166
Ступени балкона и цоколя Серия ИИ 03-02 Альбом 18-64, Альбом 30-64
Ступени верхние фризовые ГОСТ 8717-2016
Ступени верхние фризовые ГОСТ 8717.0-84
Ступени верхние фризовые Серия 1.055.1-1 (1.155-1, ГОСТ 8717.0-84 и 8717.1-84, ИИ 03-02)
Ступени верхние фризовые Серия 1.155-1
Ступени верхние фризовые Серия Б1.055.1-1.01
Ступени верхние фризовые Серия ИИ 01-02
Ступени входа Серия 1.100.1-7
Ступени для сквозных маршей Серия 1.055.1-1
Ступени лестничных сходов Серия 3.503.1-96
Ступени наружные Серия 1.055.1- КР-1
Ступени наружных крылец Серия 1.255.1-1
Ступени наружных крылец Серия 1.269-2
Ступени нижние фризовые ГОСТ 8717-2016
Ступени нижние фризовые ГОСТ 8717.0-84
Ступени нижние фризовые Серия 1.055.1-1 (1.155-1, ГОСТ 8717.0-84 и 8717.1-84, ИИ 03-02)
Ступени нижние фризовые Серия 1.155-1
Ступени нижние фризовые Серия Б1.055.1-1.01
Ступени нижние фризовые Серия ИИ 01-02
Ступени основные ГОСТ 8717.0-84
Ступени основные Серия 1.055.1-1 (1.155-1, ГОСТ 8717.0-84 и 8717.1-84, ИИ 03-02)
Ступени основные Серия 1.155-1
Ступени основные Серия ИИ 01-02
Ступени плоские ГОСТ 8717-2016
Ступени плоские для сквозных маршей Серия 1.055.1-1 (1.155-1, ГОСТ 8717.0-84 и 8717.1-84, ИИ 03-02)
Ступени плоские для сквозных маршей Серия Б1.055.1-1.01
Ступени сплошного сечения ТП 501-166
Уголковые элементы встроенных лестничных клеток Шифр 789-04
Ступени входа Серия 1.100.1-7
1480х500x140
СВ 15-5-14
2 700
₽/шт.
В корзину
1 из 1 (страниц 1)
Заказать звонок