Отгружено ЖБИ: всего -
000 000
тонн; за 2025 год -
00 000
тонн
Посмотреть
Заключено договоров: всего -
0 000
шт.; за 2025 год -
000
шт.
Единый номер:
8 (800) 500-22-52
Выберите город
Благовещенск
Владивосток
Екатеринбург
Иркутск
Казань
Кемерово
Краснодар
Красноярск
Москва
Нижний Новгород
Новосибирск
Омск
Пермь
Ростов-на-Дону
Самара
Санкт-Петербург
Симферополь
Сургут
Тюмень
Хабаровск
Челябинск
Ваш город «
»?
Да
Нет
Выберите город
Заказ онлайн
Корзина:
0 шт.
Корзина
0
шт.
Расчитать
О нас
О компании
Документация
Судебная практика
Преимущества
Вопросы/ответы
Портфолио
Работа в цифрах
Прямой эфир с производства
Каталог
Каталог по группам
Условия доставки
Контакты
Найти
Каталог по группам
Главная
Каталог по группам
Сваи железобетонные
Сваи различного назначения
Сваи составные нижние Серия 1....
Звенья свай-оболочек Серия 3.504.1-23
Клинья Серия 3.407-123
Наконечники Серия 3.501.1-124
Оболочки цилиндрические Серия 3.407.1-139
Сваи ГОСТ Р 54272-2010
Сваи Рабочие чертежи 156/10
Сваи Серия 1.820.9-1
Сваи Серия 3.402-24
Сваи Серия 3.407-123
Сваи Серия 3.407.9-153
Сваи Серия 3.500.1-1.93
Сваи Серия 3.501.1-124
Сваи Серия 3.501.1-130
Сваи Серия 3.501.1-131
Сваи Серия 3.501.1-149
Сваи Серия 3.501.1-153
Сваи Серия 3.503-30
Сваи Серия 3.505.1-15
Сваи Серия 3.820-13
Сваи Серия 3.820-3
Сваи Серия 3.820.1-34с
Сваи Серия Б1.011.1-1.99
Сваи Серия РМ 2-77
Сваи Шифр 16405
Сваи анкерные Серия 3.504.1-23
Сваи вибрированные (энергетические) Серия 3.407-115
Сваи вибрированные Рабочие чертежи 12614тм-т1
Сваи вибрированные серия 3.407.9-146
Сваи восьмигранные Серия 1.011.1-11м.97
Сваи для набережных Альбом РК 7101-01
Сваи железобетонные Серия 3.900.9-13
Сваи забивные Серия 1.811.1-5
Сваи забивные Серия Б1.011.1-2.08
Сваи забивные с поперечным армированием Серия Б1.011.1-2.08
Сваи квадратного сечения без поперечного армирования ствола ГОСТ 19804.4-78
Сваи квадратного сечения без поперечного армирования ствола Серия 1.011-2
Сваи квадратного сечения без поперечного армирования ствола Серия 1.011-6
Сваи квадратного сечения без поперечного армирования ствола Серия 1.011.1-10
Сваи квадратного сечения с круглой полостью ГОСТ 19804.3-80
Сваи квадратного сечения с круглой полостью Серия 1.011-6
Сваи квадратного сечения серия 3.407-115
Сваи ледорезные Серия 3.503.1-109.93
Сваи многосекционные Серия 1.110 КР-1
Сваи многосекционные верхние Серия 1.110 КР-1
Сваи многосекционные нижние Серия 1.110 КР-1
Сваи оболочки Серия 3.503.1-69
Сваи полые круглого сечения и сваи-колонны цельные квадратного сечения с ненапрягаемой арматурой Серия 3.015-5
Сваи полые круглого сечения и сваи-оболочки цельные с ненапрягаемой арматурой ГОСТ 19804.5-83
Сваи полые круглого сечения и сваи-оболочки цельные с ненапрягаемой арматурой ГОСТ 19804.6-83
Сваи полые круглого сечения и сваи-оболочки цельные с ненапрягаемой арматурой Серия 1.011.1-10
Сваи полые круглого сечения и сваи-оболочки цельные с ненапрягаемой арматурой Серия 1.011.1-11м.97
Сваи предварительно напряженные СН Серия 3.407-40/70
Сваи предварительно напряженные СН серия 3.407.1-157 ( серия 3.407-102, 3.407-40/70 )
Сваи предварительно напряженные Серия ОФ 02-02
Сваи с насадкой Серия 3.820-13
Сваи с оголовком ГОСТ 32209-2013
Сваи сечением 350х350 Серия 1.011.1-10, ГОСТ 19804-91
Сваи сечением 400х400 Серия 1.011.1-10, ГОСТ 19804-91
Сваи составные верхние Серия 1.011 КЖИ 10000
Сваи составные верхние Серия 1.011.1-10
Сваи составные верхние Серия 1.011.1-7
Сваи составные нижние Серия 1.011 КЖИ 10000
Сваи составные нижние Серия 1.011.1-10
Сваи составные нижние Серия 1.011.1-7
Сваи составные сплошного квадратного сечения с ненапрягаемой арматурой Серия 1.011.1-10
Сваи составные сплошного квадратного сечения с ненапрягаемой арматурой Серия 1.011.1-7
Сваи таврового сечения Серия 1.811.1-1
Сваи таврового сечения Серия 1.811.1-3
Сваи таврового сечения Серия 1.811.1-6с
Сваи цельные сплошного квадратного сечения ГОСТ 19804.1-79
Сваи цельные сплошного квадратного сечения Серия 1.011-1
Сваи цельные сплошного квадратного сечения Серия 1.011-6
Сваи цельные сплошного квадратного сечения Серия 1.011.1-10
Сваи цельные сплошного квадратного сечения Серия 1.011.1-8м
Сваи цельные сплошного квадратного сечения Серия 1.111 КЛ-2
Сваи цельные сплошного квадратного сечения Серия 1.111.1 КЛ-5
Сваи цельные сплошного квадратного сечения Серия 3.015-5
Сваи цельные сплошного квадратного сечения с напрягаемой арматурой ГОСТ 19804.2-79
Сваи цельные сплошного квадратного сечения с напрягаемой арматурой Серия 1.011-1
Сваи цельные сплошного квадратного сечения с напрягаемой арматурой Серия 1.011-6
Сваи цельные сплошного квадратного сечения с напрягаемой арматурой Серия 1.011.1-10
Сваи центрифугированные Серия 3.407.9-146
Сваи-колонны Серия 1.411.1-10.93
Сваи-колонны Серия 1.821.1-7
Сваи-колонны Серия 3.015-5/86
Сваи-колонны Серия 3.016.1-9
Сваи-колонны двухконсольные ГОСТ 19804.7-83
Сваи-оболочки Серия 3.501.1-124
Сваи-оболочки Серия 3.504.1-23
Сваи-стойки ГОСТ 24155-80
Сваи-стойки ТПР 501-07-3.83
Свайные звенья цилиндрические Серия 3.407.1-115
Шайбы Серия 1.811.1-6с
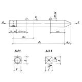
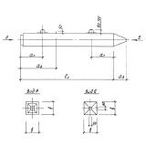
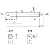
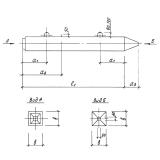
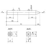
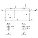
Сваи составные нижние Серия 1.011.1-10
12000х300x300
С 120-30 Нс3
15 260
₽/шт.
В корзину
12000х300x300
С 120-30 Нсв3
15 260
₽/шт.
В корзину
12000х300x300
С 120-30 Нсв6
15 260
₽/шт.
В корзину
12000х350x350
С 120-35 Нс3
20 860
₽/шт.
В корзину
12000х350x350
С 120-35 Нсв3
20 860
₽/шт.
В корзину
12000х350x350
С 120-35 Нсв6
20 860
₽/шт.
В корзину
12000х400x400
С 120-40 Нс4
26 880
₽/шт.
В корзину
12000х400x400
С 120-40 Нсв4
26 880
₽/шт.
В корзину
12000х400x400
С 120-40 Нсв6
26 880
₽/шт.
В корзину
14000х350x350
С 140-35 Нс4
24 220
₽/шт.
В корзину
14000х350x350
С 140-35 Нсв4
24 220
₽/шт.
В корзину
14000х350x350
С 140-35 Нсв6
24 220
₽/шт.
В корзину
14000х400x400
С 140-40 Нс5
31 640
₽/шт.
В корзину
14000х400x400
С 140-40 Нсв5
31 640
₽/шт.
В корзину
14000х400x400
С 140-40 Нсв6
31 640
₽/шт.
В корзину
8000х300x300
С 80-30 Нс1
10 220
₽/шт.
В корзину
8000х300x300
С 80-30 Нсв1
10 220
₽/шт.
В корзину
8000х300x300
С 80-30 Нсв6
10 220
₽/шт.
В корзину
8000х350x350
С 80-35 Нс2
14 000
₽/шт.
В корзину
8000х350x350
С 80-35 Нсв2
14 000
₽/шт.
В корзину
8000х350x350
С 80-35 Нсв6
14 000
₽/шт.
В корзину
8000х400x400
С 80-40 Нс2
18 200
₽/шт.
В корзину
8000х400x400
С 80-40 Нсв2
18 200
₽/шт.
В корзину
8000х400x400
С 80-40 Нсв6
18 200
₽/шт.
В корзину
24 из 24 (страниц 1)
Заказать звонок