Отгружено ЖБИ: всего -
000 000
тонн; за 2025 год -
00 000
тонн
Посмотреть
Заключено договоров: всего -
0 000
шт.; за 2025 год -
000
шт.
Единый номер:
8 (800) 500-22-52
Выберите город
Благовещенск
Владивосток
Екатеринбург
Иркутск
Казань
Кемерово
Краснодар
Красноярск
Москва
Нижний Новгород
Новосибирск
Омск
Пермь
Ростов-на-Дону
Самара
Санкт-Петербург
Симферополь
Сургут
Тюмень
Хабаровск
Челябинск
Ваш город «
»?
Да
Нет
Выберите город
Заказ онлайн
Корзина:
0 шт.
Корзина
0
шт.
Расчитать
О нас
О компании
Документация
Судебная практика
Преимущества
Вопросы/ответы
Портфолио
Работа в цифрах
Прямой эфир с производства
Каталог
Каталог по группам
Условия доставки
Контакты
Найти
Каталог по группам
Главная
Каталог по группам
Фундаментные блоки, Лежни, Фун...
Фундаменты железобетонные
Малозаглубленные фундаменты Се...
Башмаки Серия 1.411.1-4
Башмаки сборных колонн Серия РМ 2-77
Башмаки фундаментные Серия 3.507-1
Контрфорсы Серия 1.169.1-1
Контрфорсы ТП 811-29
Малозаглубленные фундаменты Серия 3.407.1-159
Оголовки Альбом ПП 16-12
Оголовки ГОСТ 32209-2013
Оголовки ГОСТ Р 54272-2010
Оголовки Серия 3.501.1-130
Оголовки Серия 3.501.1-149
Оголовки свай Серия 1.100.1-7
Оголовники с платформенным опиранием на сваю Серия 1.111.1-4
Оголовники свай типа "колокол" Серия 1.111.1-4
Подколонники Серия 1.220.1-3м
Подколонники Серия 1.411.1-3
Подколонники Серия 3.015-8/84
Подножники Серия 3.407-96
Подножники Серия 3.407.9-180
Подножники под анкерно-угловые опоры с моденизированным оголовником Серия 3.407.1-115
Подпятники Серия 3.407.1-175
Подпятники ТП 1042тм
Подстаканники Серия 1.269-2
Подстаканники Серия 1.269.1-4
Подферменники ТПР 709-09-29.84
Ростверки Серия 1.220.1-3м
Ростверки Серия 1.411.1-4
Ростверки Серия 1.411.1-6
Ростверки Серия 1.411.1-7
Ростверки Серия 3.015-5/86
Ростверки Серия 3.407-40/70
Ростверки Серия 3.501.1-131
Ростверки Серия 3.501.1-153
Ростверки Серия РМ 2-77
Стаканы Серия 1.269-2
Стаканы Серия 1.269.1-4
Стаканы бетонные Серия 1.465-7
Стаканы бетонные Серия 1.494-24
Стаканы бетонные Серия 1.865.1-4/84
Стаканы опорные Серия ИИ 01-02
Стаканы фундаментные Серия 3.501.1-135
Стенки бортовые ТПР 501-07-014.91
Стенки бортовые ТПР 501-07-5.84
Фундаментные секции Серия 3.407-123
Фундаменты (подножники) Серия 3.407-40/70
Фундаменты (подножники) Серия 3.407-98
Фундаменты (подножники) серия 3.407.1-157 ( серия 3.407-102, 3.407-40/70 )
Фундаменты Альбом РК 1101-87
Фундаменты Альбом СК
Фундаменты ГОСТ 24155-2016
Фундаменты ГОСТ 24155-80
Фундаменты Рабочие чертежи 5255
Фундаменты Серия 1.020-1
Фундаменты Серия 1.090.1-1
Фундаменты Серия 1.113 КР-1
Фундаменты Серия 1.220.1-2
Фундаменты Серия 1.412-3/79
Фундаменты Серия 1.412.1-6
Фундаменты Серия 1.812.1-1
Фундаменты Серия 1.812.1-2
Фундаменты Серия 1.812.1-3
Фундаменты Серия 1.812.1-6с
Фундаменты Серия 1.812.1-8.93
Фундаменты Серия 1.820.9-1
Фундаменты Серия 3.004.1-10
Фундаменты Серия 3.004.1-14
Фундаменты Серия 3.015.2-15
Фундаменты Серия 3.016.1-9
Фундаменты Серия 3.016.2-12
Фундаменты Серия 3.019.1-2
Фундаменты Серия 3.300.9-2
Фундаменты Серия 3.300.9-3
Фундаменты Серия 3.402-24
Фундаменты Серия 3.407-123
Фундаменты Серия 3.407.9-153
Фундаменты Серия 3.501.1-153
Фундаменты Серия 3.501.1-155
Фундаменты Серия 3.503-8/74
Фундаменты Серия 3.503.1-96
Фундаменты Серия 3.503.9-59
Фундаменты Серия 3.505-11
Фундаменты Серия 3.507 КЛ-10
Фундаменты Серия 3.900-3
Фундаменты Серия 3.900.1-10
Фундаменты Серия 3.903 КЛ-13
Фундаменты Серия 7.501-2
Фундаменты Серия Б 3.017.1-4.03
Фундаменты Серия Б3.507.1-3.04
Фундаменты Серия ИИ 04-0
Фундаменты Серия ИИ 41
Фундаменты Серия ОФ 01-01
Фундаменты ТП 20008тм-т4
Фундаменты ТП 310-4-1
Фундаменты ТП 320-55
Фундаменты ТПР 320-069.86
Фундаменты ТПР 501-07-3.83
Фундаменты Ф Серия 3.503.9-80
Фундаменты анкерные ИНВ 12981тм-1
Фундаменты блочные с анкерным креплением стоек для скальных грунтов ГОСТ 32209-2013
Фундаменты блочные с анкерным креплением стоек для скальных грунтов ГОСТ Р 54272-2010
Фундаменты для параболических лотков стаканного типа (Ф) ГОСТ 23972-80
Фундаменты для плит забора Серия ИЖ 31-77
Фундаменты железобетонные сборные под колонны сельскохозяйственных зданий ГОСТ 24022-80
Фундаменты железобетонные сборные под колонны сельскохозяйственных зданий Серия 1.812.1-1/92
Фундаменты железобетонные сборные под колонны сельскохозяйственных зданий Серия 1.812.1-5с
Фундаменты колонн стаканного типа ФЖ Серия 71159с
Фундаменты монолитные Серия 1.412.1-4
Фундаменты монолитные ФМ Серия 3.503.9-80
Фундаменты монолитные Шифр 27Н-83
Фундаменты оград Серия 3.017-1
Фундаменты оград Ф серия 3.017-3 ( 3.017-1 )
Фундаменты ограждения Серия БТ 01-01
Фундаменты опор Серия 3.820-13
Фундаменты опор Серия 3.820-3
Фундаменты опор Серия 3.820.1-34с
Фундаменты плитного типа ГОСТ 23972-80
Фундаменты под анкерно-угловые опоры повышенные Серия 3.407.1-144 и 3.407-115
Фундаменты под анкерно-угловые опоры серия 3.407.1-144, 3.407-115
Фундаменты под анкерно-угловые опоры составные и составные со сварным и болтовым присоединением Серия 3.407-115
Фундаменты под железобетонные колонны Серия 3.015.1-17.94
Фундаменты под колонны ТП 901-4-63.83
Фундаменты под панели оград Серия 3.818.9-2
Фундаменты под промежуточные и промежуточно-угловые опоры на оттяжках Серия 3.407-115, 3.407.1-159
Фундаменты под промежуточные и промежуточно-угловые опоры на оттяжках укороченные Серия 3.407-115, 3.407.1-159
Фундаменты под промежуточные опоры Серия 3.407.1-144, 3.407.1-115, 3.407.1-159
Фундаменты под промежуточные опоры повышенные Серия 3.407.1-115, 3.407.1-144
Фундаменты под промежуточные опоры составные и составные со сварным и болтовым присоединением Серия 3.407.1-115
Фундаменты под промежуточные опоры укороченные Серия 3.407.1-115, 3.407.1-159
Фундаменты под стальные опоры Серия 3.015.1-17.94
Фундаменты с анкерным креплением стоек для скальных грунтов ГОСТ 32209-2013
Фундаменты с уширенной полкой ГОСТ 32209-2013
Фундаменты с уширенной полкой ГОСТ Р 54272-2010
Фундаменты сборные железобетонные для колонн ГОСТ 24476-80
Фундаменты сборные железобетонные для колонн Серия СТД 07
Фундаменты сборные железобетонные для колонн серия 1.020-1/87 ( 1.020.1-7, 1.020-1/83, ИИ 04-1, 1.020.1-3пв )
Фундаменты свайные под стальные анкерные опоры Серия 3.015.1-17.94
Фундаменты трехлучевые с анкерным креплением консольных опор контактной сети ТСА ГОСТ 32209-2013
Фундаменты трехлучевые с анкерным креплением консольных опор контактной сети ТСА Рабочие чертежи 4182и
Фундаменты трехлучевые с анкерным креплением стоек ГОСТ Р 54272-2010
Фундаменты трехлучевые с анкерным креплением стоек для скальных грунтов ГОСТ Р 54272-2010
Фундаменты трехлучевые с анкерным креплением стоек жестких поперечин Рабочие чертежи 4182и
Фундаменты трехлучевые северные Серия 3.501.1-130
Фундаменты трехлучевые стаканные ГОСТ Р 54272-2010
Фундаменты трехлучевые стаканные Серия 3.501.1-149
Фундаменты трехлучевые стаканные с заострением подземной части для опор контактной сети ТСС ГОСТ 32209-2013
Фундаменты трехлучевые стаканные с заострением подземной части для опор контактной сети ТСС Рабочие чертежи 4182и
Фундаменты цельные под колонны (Ф) Серия 1.020-1/87 ( 1.020.1-7, 1.020-1/83, ИИ 04-1, 1.020.1-3пв )
Фундаменты цельные под колонны Серия 1.020.1-2с/89
Фундаменты цельные под колонны Серия 1.020.1-7
Фундаменты цельные под колонны Серия 1.812.1-5с
Фундаменты цилиндрические Серия 3.407-40/70
Фундаменты цилиндрические серия 3.407.1-157 ( серия 3.407-102, 3.407-40/70 )
Шпунты Серия 3.505.1-15
Элементы Серия 3.505.1-15
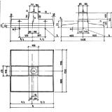
Малозаглубленные фундаменты Серия 3.407.1-159
1300х1000x700
МФ 1,3-1
9 450
₽/шт.
В корзину
1300х1500x700
МФ 1,3-1,5
12 960
₽/шт.
В корзину
1300х1500x700
МФ 1,3-1,5-1/10
12 960
₽/шт.
В корзину
1300х1500x700
МФ 1,3-1,5-1/5
12 960
₽/шт.
В корзину
1300х2200x700
МФ 1,3-2,2
17 820
₽/шт.
В корзину
1300х2200x700
МФ 1,3-2,2-1/10
17 820
₽/шт.
В корзину
1300х2200x700
МФ 1,3-2,2-1/5
17 820
₽/шт.
В корзину
2000х2000x700
МФ 2-2
22 950
₽/шт.
В корзину
2000х2000x700
МФ 2-2-1/10
22 950
₽/шт.
В корзину
2000х2000x700
МФ 2-2-1/5
22 950
₽/шт.
В корзину
2000х2700x700
МФ 2-2,7
30 510
₽/шт.
В корзину
2000х2700x700
МФ 2-2,7-1/10
30 510
₽/шт.
В корзину
2000х2700x700
МФ 2-2,7-1/5
30 510
₽/шт.
В корзину
13 из 13 (страниц 1)
Заказать звонок