Отгружено ЖБИ: всего -
000 000
тонн; за 2025 год -
00 000
тонн
Посмотреть
Заключено договоров: всего -
0 000
шт.; за 2025 год -
000
шт.
Единый номер:
8 (800) 500-22-52
Выберите город
Благовещенск
Владивосток
Екатеринбург
Иркутск
Казань
Кемерово
Краснодар
Красноярск
Москва
Нижний Новгород
Новосибирск
Омск
Пермь
Ростов-на-Дону
Самара
Санкт-Петербург
Симферополь
Сургут
Тюмень
Хабаровск
Челябинск
Ваш город «
»?
Да
Нет
Выберите город
Заказ онлайн
Корзина:
0 шт.
Корзина
0
шт.
Расчитать
О нас
О компании
Документация
Судебная практика
Преимущества
Вопросы/ответы
Портфолио
Работа в цифрах
Прямой эфир с производства
Каталог
Каталог по группам
Условия доставки
Контакты
Найти
Каталог по группам
Главная
Каталог по группам
Панели стеновые, Шахты лифтов,...
Шахты лифтов железобетонные
Блоки шахт лифтов Серия 1.089.1-1
Блоки шахт лифтов Серия 1.189-6
Блоки шахт лифтов Серия 1.189.1-11
Блоки шахт лифтов Серия 1.189.1-12с
Блоки шахт лифтов Серия 1.189.1-8
Блоки шахт лифтов Серия 1.189.1-9
Блоки шахт лифтов Серия 1.289.1-1
Блоки шахт лифтов верхние ГОСТ 17538-82
Блоки шахт лифтов нижние ГОСТ 17538-82
Блоки шахт лифтов средние (основные) ГОСТ 17538-82
Блоки шкафной стенки Серия 3.503-49
Блоки шкафной стенки Серия 3.503.1-53
Объемные элементы шахт лифтов Альбом ИЖ 237
Объемные элементы шахты лифта Альбом РМ 2283
Панели лифтовых шахт Серия ИИ 04-15
Панели перекрытия Серия 1.089.1-1
Панели шахт лифтов Серия 1.089.1-1
Панели шахт лифтов Серия 1.089.1-2
Панели шахт лифтов Серия 1.289.1-2
Плита приямка Серия 1.189.1-8
Плиты лифтового холла Альбом ИЖ 4.2-1
Плиты перекрытий Серия 1.189-6
Плиты перекрытий шахт Серия 1.489-1
Плиты перекрытия Серия 1.189.1-8
Плиты перекрытия над шахтами лифтов ГОСТ 17538-82
Плиты перекрытия над шахтой лифта Серия 86 и 85
Плиты перекрытия над шахтой лифта Серия ИИ 03-02
Плиты перекрытия шахт Серия 1.089.1-2
Плиты перекрытия шахт Серия 1.189.1-11
Плиты перекрытия шахт Серия 1.189.1-12с
Плиты перекрытия шахт лифтов Серия 1.189.1-9
Плиты покрытия Серия ИИ 04-15
Плиты приямка Серия 1.189.1-11
Плиты приямка Серия 1.189.1-12с
Плиты приямка монолитные Серия 1.189.1-9
Плиты фундамента Серия 1.189.1-11
Плиты фундамента Серия 1.189.1-12с
Плиты фундамента Серия 1.189.1-8
Стенки шахт лифтов Серия 03-02 Альбом 65
Тумбы ГОСТ 17538-82
Тумбы Серия 1.189-6
Тумбы Серия 1.189.1-8
Тумбы Серия 1.189.1-9
Шахтовые затяжки (ТП 401-11-83 и ТУ 67-08-173-93, р.ч.Р 10-0,99-1)
Шахты лифтов Серия 8641.18.19
Шахты лифтов Серия ИИ 01-04
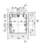
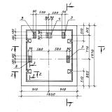
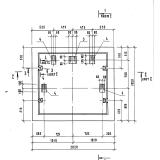
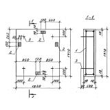
Шахты лифтов железобетонные - Страница 17
4360х3080x160
ПЛХ 5
74 340
₽/шт.
В корзину
4360х3080x160
ПЛХ 5-1
72 765
₽/шт.
В корзину
3750х2130x160
ПЛХ 6
35 700
₽/шт.
В корзину
2860х3080x160
ПЛХ 7
48 650
₽/шт.
В корзину
3750х2180x160
ПЛХ 8
45 500
₽/шт.
В корзину
2220х1180x160
ПЛХ 9
13 720
₽/шт.
В корзину
1540х1730x200
ПП 15-17-40
18 620
₽/шт.
В корзину
1530х1690x200
ПП 15-17-40 (1.189.1-11)
18 200
₽/шт.
В корзину
1530х1690x200
ПП 15-17-40 с (1.189.1-12с)
18 200
₽/шт.
В корзину
1530х1690x200
ПП 15-17-40,1 (1.189.1-11)
18 200
₽/шт.
В корзину
1530х1690x200
ПП 15-17-40,1 с (1.189.1-12с)
18 200
₽/шт.
В корзину
1680х1530x200
ПП 17-15-32
18 200
₽/шт.
В корзину
1820х2020x500
ПФ 18-20-40
64 400
₽/шт.
В корзину
1820х1970x500
ПФ 18-20-40 (1.189.1-11)
63 000
₽/шт.
В корзину
1820х1970x500
ПФ 18-20-40 с (1.189.1-12с)
63 000
₽/шт.
В корзину
1820х1970x500
ПФ 18-20-40,1 (1.189.1-11)
63 000
₽/шт.
В корзину
1820х1970x500
ПФ 18-20-40,1 с (1.189.1-12с)
63 000
₽/шт.
В корзину
1820х2020x500
ПФС 18-20-40
38 920
₽/шт.
В корзину
1820х1970x500
ПФС 18-20-40 (1.189.1-11)
37 450
₽/шт.
В корзину
1820х1970x500
ПФС 18-20-40 с (1.189.1-12с)
37 450
₽/шт.
В корзину
1820х1970x500
ПФС 18-20-40,1 (1.189.1-11)
37 450
₽/шт.
В корзину
1820х1970x500
ПФС 18-20-40,1 с (1.189.1-12с)
37 450
₽/шт.
В корзину
2160х140x2980
ПШЛ 100-30-1 (1.089.1-2)
20 350
₽/шт.
В корзину
2160х140x2980
ПШЛ 100-30-2 (1.089.1-2)
33 300
₽/шт.
В корзину
Показать еще
|<
<
....
12
13
14
15
16
17
18
19
20
21
22
....
>
>|
408 из 1033 (страниц 44)
Заказать звонок