Отгружено ЖБИ: всего -
000 000
тонн; за 2025 год -
00 000
тонн
Посмотреть
Заключено договоров: всего -
0 000
шт.; за 2025 год -
000
шт.
Единый номер:
8 (800) 500-22-52
Выберите город
Благовещенск
Владивосток
Екатеринбург
Иркутск
Казань
Кемерово
Краснодар
Красноярск
Москва
Нижний Новгород
Новосибирск
Омск
Пермь
Ростов-на-Дону
Самара
Санкт-Петербург
Симферополь
Сургут
Тюмень
Хабаровск
Челябинск
Ваш город «
»?
Да
Нет
Выберите город
Заказ онлайн
Корзина:
0 шт.
Корзина
0
шт.
Расчитать
О нас
О компании
Документация
Судебная практика
Преимущества
Вопросы/ответы
Портфолио
Работа в цифрах
Прямой эфир с производства
Каталог
Каталог по группам
Условия доставки
Контакты
Найти
Каталог по группам
Главная
Каталог по группам
Плиты, Блоки, Столбы, Стойки р...
Блоки железобетонные
Блоки Серия 1.432-4
Блоки Серия 03.005-6
Блоки Серия 1.116.1-6
Блоки Серия 1.116.1-7
Блоки Серия 1.133-1
Блоки Серия 1.133.1-5
Блоки Серия 1.134.1-16
Блоки Серия 1.432-4
Блоки Серия 1.432-9
Блоки Серия 1.433-2
Блоки Серия 1262-205 КЖИ I
Блоки Серия 3.014.1-2
Блоки Серия 3.402-24
Блоки Серия 3.501.1-153
Блоки Серия СТ 02-31
Блоки ТП 310-4-1
Блоки ТП 501-0-47
Блоки ТП 501-81
Блоки бассейнов и лестниц Шифр 734
Блоки берегоукрепления водоемов Альбом ПС 192
Блоки бортовые Серия 3.019.1-1
Блоки бортовые Серия 3.019.1-3
Блоки внутренние рядовые Серия СТ 02-01
Блоки внутренних стен Серия 1.134-1
Блоки внутренних стен Серия 1.134-2
Блоки внутренних стен Серия 1.134.1-10
Блоки внутренних стен Серия 1.134.1-11
Блоки внутренних стен Серия 1.134.1-13
Блоки гасителей Серия 3.820.1-29
Блоки гасителей Серия 3.820.1-29/91
Блоки забивные Серия 1.111.1-6
Блоки каналов технического водоснабжения (раб.чер.№15818-в АТЭПа)
Блоки карнизные рядовые Серия СТ 02-01
Блоки карнизные угловые Серия СТ 02-01
Блоки керамзитобетонные Серия 3.016-3
Блоки ленточных фундаментов Серия ИИ 01-02
Блоки лоджий цокольные Серия 1.133-2
Блоки мусорокамер Альбом РМ 2283
Блоки набережных Серия 3.507 КЛ-4
Блоки набрежных Альбом ПС 192
Блоки наружной обделки Альбом ПС 192
Блоки наружные угловые Серия СТ 02-01
Блоки наружных стен Серия 1.133.1-7
Блоки наружных стен Серия СТ 02-01
Блоки насадок Серия 3.014.1-2
Блоки насадок Серия 3.503-23
Блоки объемные Серия 3.507-1
Блоки панелей наружных стен Серия 1.090.1-9м
Блоки парапета Серия 1.138.1-12
Блоки парапета Серия 1.138.1-15
Блоки парапетные Серия 1.133-2
Блоки перемычные Серия 1.133-2
Блоки перемычные Серия 1.138.1-16пв
Блоки перемычные Серия ИИ 03-05
Блоки плит фундаментные ТП 503-49
Блоки подкарнизные Серия 1.133-2
Блоки подколонные стеновые Серия ИИ 03-02
Блоки подоконные Серия 1.133-2
Блоки подстропильные Серия 1.133.1-7
Блоки поясные Серия 1.133-2
Блоки поясные Серия ИИ 03-05
Блоки пролетного строения Серия 3.014.1-2
Блоки промежуточные Серия 0-221-84
Блоки простеночные Серия 1.133-2
Блоки ригелей ТП 503-49
Блоки ригеля Серия 3.503-23
Блоки ростверка Серия 3.503.1-95
Блоки с гранитной облицовкой Альбом РК 7101-01
Блоки силосные Серия 3.702-1
Блоки силосные Серия 3.702-1/79
Блоки силосные Серия 3.702.1-4
Блоки силосные угловые Серия 3.702-1/79
Блоки силосные угловые Серия 3.702.1-4
Блоки служебных мостов Серия 3.820.1-29
Блоки служебных мостов Серия 3.820.1-29/91
Блоки стен ТП 503-49
Блоки стен набережных Альбом РК 7101-01
Блоки стен набережных фартучные Альбом РК 7101-01
Блоки стен подвала Серия ИИ 01-02
Блоки стенки Серия 3.503-23
Блоки стеновые Альбом ПС 103
Блоки стеновые Альбом РК 2301-82
Блоки стеновые Альбом РК 7101-01
Блоки стеновые Серия 03-05
Блоки стеновые Серия 3.507-1
Блоки стеновые Серия 3.820.1-29
Блоки стеновые Серия 3.820.1-29/91
Блоки стеновые Серия Б1.033.1-1.09
Блоки стеновые Серия ТС 01-01
Блоки стеновые ТП 811-29
Блоки стеновые внутренние ТП 213-2-183
Блоки стеновые наружные ТП 213-2-183
Блоки тела стен Серия 3.501.1-135
Блоки тоннелей стеновые Серия 3.006.1-3/83
Блоки тоннелей стеновые доборные Серия 3.006.1-3/83
Блоки тоннелей угловые Серия 3.006.1-3/83
Блоки угловые Альбом РК 1101-87
Блоки угловые Серия 1.432-5
Блоки угловые Серия 1.432.1-20
Блоки угловые Серия 1.432.1-33.93
Блоки угловые Серия 3.501.1-135
Блоки угловые Серия СТ 02-11/61
Блоки угловые Шифр 1481
Блоки флютбетные Серия 3.820.1-29
Блоки флютбетные Серия 3.820.1-29/91
Блоки фундамента Серия 3.501.1-135
Блоки фундамента Серия 3.503-23
Блоки фундаментные Серия 1.110.1-1п
Блоки фундаментные Серия 3.006.1-3/83
Блоки фундаментные Серия 3.501.1-131
Блоки фундаментные Серия ИИ 03-02 Альбом 1-64
Блоки фундаментные ТПР 709-09-29.84
Блоки фундаментные дырчатые Серия 3.004.1-9
Блоки фундаментов Серия 3.501.2-123
Блоки фундаментов ТП 503-49
Блоки фундаментов под столбы Серия ИИ 01-02
Блоки цокольные Серия 1.116-5
Блоки цокольные Серия 1.133-2
Блоки цоколя Серия 3.503-23
Блоки шкафных стенок Серия 3.503-23
Блоки шпальные ТПР 709-09-29.84
Блоки экрана Серия 3.501-68
Блоки-стаканы верхние Серия 0-221-84
Борта бетонные ТП 320-55
Воронки Серия 3.702-1/79
Воронки Серия 3.702.1-4
Гасители Серия 3.820-6
Гексабиты ВСП 33-03-07
Гексалеги ВСП 33-03-07
Заглушки бетонные Серия КУБ 2,5
Колонки свечей продувочные Серия 7.402-3
Массивы с двумя трапецеидальными прорезями ВСП 33-03-07
Массивы с шестью сегментами прорезями ВСП 33-03-07
Насадки промежуточных опор ТПР 709-09-29.84
Объемные блоки Серия 1.189.1-10
Основы под дроссель-трансформаторы ТМП 410108
Пентаподы ВСП 33-03-07
Приямки монолитные Серия 3.006 КР-1
Секции башни Серия 3.820-15
Стаканы железобетонные Серия 1.865.1-4/80
Тетраподы ГОСТ 20425-2016
Тетраподы для берегозащитных и оградительных сооружений ВСП 33-03-07
Тетраподы для берегозащитных и оградительных сооружений ГОСТ 20425-75
Тумбы ограждения дорог (блоки) (инд.)
Укрепления откосов ТП 320-55
Упоры Серия 3.505.1-16
Упоры Серия 4.901-7
Упоры концевые Серия 3.504.9-19
Упоры на повороте трубопровода в вертикальной плоскости выпуклостью вверх Серия 3.001.1-3
Упоры на повороте трубопровода в вертикальной плоскости выпуклостью вниз Серия 3.001.1-3
Упоры на повороте трубопровода в горизонтальной плоскости Серия 3.001.1-3
Участки монолитные Серия 03.005-6
Элементы объемные Серия 3.006.1-3/83
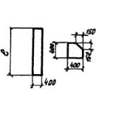
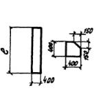
Блоки Серия 1.432-4
1200х300x300
БУЖ 1 (1.432-4)
1 000
₽/шт.
В корзину
1600х300x300
БУЖ 2 (1.432-4)
1 400
₽/шт.
В корзину
1800х300x300
БУЖ 3 (1.432-4)
1 500
₽/шт.
В корзину
1200х400x400
БУЖ 4 (1.432-4)
1 800
₽/шт.
В корзину
1600х400x400
БУЖ 5 (1.432-4)
2 400
₽/шт.
В корзину
1800х400x400
БУЖ 6 (1.432-4)
2 700
₽/шт.
В корзину
1200х500x500
БУЖ 7 (1.432-4)
2 800
₽/шт.
В корзину
1800х500x500
БУЖ 8 (1.432-4)
4 100
₽/шт.
В корзину
1200х300x300
БУК 1 (1.432-4)
1 000
₽/шт.
В корзину
1600х300x300
БУК 2 (1.432-4)
1 400
₽/шт.
В корзину
1800х300x300
БУК 3 (1.432-4)
1 500
₽/шт.
В корзину
1200х400x400
БУК 4 (1.432-4)
1 800
₽/шт.
В корзину
1600х400x400
БУК 5 (1.432-4)
2 400
₽/шт.
В корзину
1800х400x400
БУК 6 (1.432-4)
2 700
₽/шт.
В корзину
1200х500x500
БУК 7 (1.432-4)
2 800
₽/шт.
В корзину
1800х500x500
БУК 8 (1.432-4)
4 100
₽/шт.
В корзину
16 из 16 (страниц 1)
Заказать звонок