

О товаре:
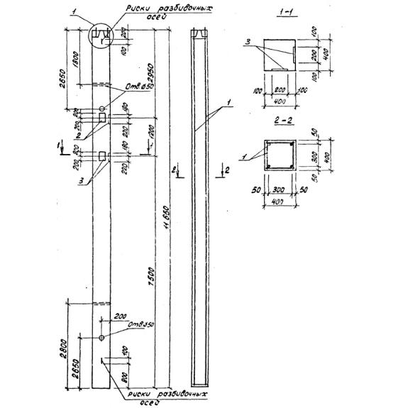
- Длинна: 11650 мм.
- Ширина: 400 мм.
- Высота: 400 мм.
- Вес: 4650 кг.
- ГОСТ, Серия: ТП 901-5-41.87 скачать
- Объем бетона: 1,86 м3
- Геометрический объем: 1,864 м3
Стандарт изготовления изделия: ТП 901-5-41.87
Колонны К 1 (ТП 901-5-41.87) представляют собой высокопрочные железобетонные изделия прямоугольной формы. В оголовке находится строповочное отверстие диаметром 50 мм, которое упрощает подъем изделий на высоту, а так же процесс монтажа. Согласно ТП 901-5-41.87 универсальные железобетонные колонны применяются при строительстве бесшатровой водонапорной башни со стальными баками. Башни используются в системах хозяйственно-питьевого, противопожарного водоснабжения промышленных предприятий городов и поселков. Элементы выступают в качестве прочного основания, на которое устанавливаются стальные баки. Их использование допускается в районах со средней расчетной зимней температурой до минус тридцати градусов по Цельсию включительно. А так же в несейсмических и сейсмических районах с сейсмичностью 7 баллов.
Расшифровка маркировки
Каждое готовое железобетонное изделие снабжается своей индивидуальной маркировкой. Она, как правило, состоит из букв и цифр. На основании ТП 901-5-41.87рассмотрим как расшифровывается маркировка К 1 (ТП 901-5-41.87):
1. К – тип конструкции – колонна;
2. 1 – несущая способность.
Заводские маркировочные обозначения строго запрещено изменять, они наносятся черной несмываемой, влагоустойчивой краской на боковую поверхность железобетонной колонны. Необходимо, чтобы обязательно были указаны дата выпуска, номер партии, логотип производителя, вес изделия и штамп ОТК.
Основные характеристики и изготовление
Процесс производство колонн К 1 (ТП 901-5-41.87), а так же их основные характеристики, и рабочие чертежи представлены в ТП 901-5-41.87. Согласно документу железобетонные изделия производятся из бетона марки М300 по прочности на сжатие. Водонепроницаемость и морозостойкость назначаются под каждый новый проект индивидуально, исходя из климатических особенностей зоны. Изделия обладают высокой прочностью, благодаря качественному армированию. В качестве продольной арматуры используют стержневую арматуру класса A-III по требованию ГОСТ 5781-82, а в качестве поперечных стержней каркасов запроектирована арматура класса A-I. Все арматурные изделия свариваются при помощи контактной точечной сварки. В теле железобетонных элементов запроектированы закладные детали. Для выемки колонн из формы и для удобства монтажа используются строповочные отверстия. Все детали проходят антикоррозионную защиту. Отпускная прочность бетона должна быть не менее 100% в зимнее время, и не ниже 70% - в летний период. Готовые колонны проходят проверочные испытания, благодаря которым выявляются изделия с браком. Внешний вид конструкций должен строго соответствовать рабочим чертежам, которые представлены в ТП 901-5-41.87. На строительных материалах не должно быть никаких сколов, трещин, поверхность должна быть ровной и гладкой. Колонны, которые прошли контрольные испытания, получают технический паспорт.
Транспортировка и хранение
Складирование и транспортировка железобетонных колонн К 1 (ТП 901-5-41.87) осуществляется в горизонтальном положении и они должны быть направлены в одну сторону, с применением деревянных подкладок. Маркировочные знаки должны всегда хорошо просматриваться. Колонны перевозят на автомобильном транспорте, на автопоездах с прицепом или полуприцепом. Все перевозимые железобетонные элементы следует надежно закрепить в транспорте, чтобы уберечь от повреждения и смещения вдоль и поперек. Погрузку и разгрузку нужно осуществлять с использованием балансирной траверсы и с помощью специализированной техники, с особой осторожностью и с безукоризненным соблюдением техники безопасности.